Hyundai Palisade: активатор отопителя/автоматического обогревателя

Hyundai Palisade (LX2) 2020-2023 Руководство по ремонту / Отопление, вентиляция, кондиционирование / Обогреватель / Привод автоматического предотвращения запотевания

Описание и работа
Описание
Датчик автозапотевания установлен на лобовом стекле. Датчик оценивает и посылает сигнал, если появляется влага, чтобы выдуть ветер для предотвращения запотевания. блок управления кондиционером получает сигнал от датчика и тормозит влаги и устраняет запотевание с помощью привода впуска, кондиционера, привода автоматического предотвращения запотевания, обороты двигателя вентилятора и привод режима.
Компоненты и расположение компонентов
Расположение компонентов

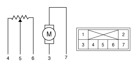
Hyundai Palisade. Components and components location

1. Привод автоматического предотвращения запотевания


Процедуры ремонта
осмотр
1.
Выключите зажигание.
2.
Отсоедините разъем автоматического предотвращения запотевания.
3.
Убедитесь, что привод автоматического предотвращения запотевания работает в открытом положении. при подключении 12 В к клемме 3 и заземлению клеммы 6.
Убедитесь, что привод автоматического предотвращения запотевания работает в закрытом положении. при подключении наоборот.

Hyundai Palisade. Repair procedures

1. -
2. -
3. DEF (Закрыть)
4. ДЕФ (открытый)
5. Питание датчика (+5В)
6. Сигнал обратной связи
7. Масса датчика

4.
Подсоедините разъем привода автоматического предотвращения запотевания.
5.
Включите зажигание.
6.
Проверьте напряжение между клеммами 5 и 4.
Hyundai Palisade. Repair procedures
Он будет отображать текущее положение привода. к элементам управления.
Спецификация
Положение двери
Напряжение (В)
Обнаружение ошибки
Защита от запотевания включена (открыто)
0,5 ± 0,15
Низкое напряжение: 0,7 В или меньше
Защита от запотевания ВЫКЛ. (закрыть)
4,7 ± 0,15
Высокое напряжение: 4,9 В или меньше

7.
Если измеренное напряжение не соответствует спецификации, проверьте работу путем замены существующего актуатора автоматического предотвращения запотевания на новый оригинальный часть. После этого определите, нужна ли замена автообдува актуатор нужен или нет.
Замена
1.
Отсоедините отрицательную (-) клемму аккумуляторной батареи.
2.
Снимите основную подушку безопасности в сборе.
(См. раздел «Кузов» — «Главная аварийная подушка в сборе»)
3.
Нажмите на стопорный штифт, разъедините разъем (А) и ослабьте крепление. винты и снимите активатор автоматического предотвращения запотевания (B).

Hyundai Palisade. Repair procedures

4.
Установите в порядке, обратном снятию.

Привод управления режимами

Описание и работа Описание Привод управления режимами расположен на блоке отопителя. Он регулирует положение дверцы режимов, управляя исполнительным механизмом управления режимами. по сигналу блока управления кондиционером...

воздуходувка

..

Дополнительная информация:

Hyundai Palisade (LX2) 2020-2023 Руководство по техническому обслуживанию: Жидкость для автоматической коробки передач (ATF)


Компоненты и расположение компонентов Расположение компонентов 1. Заглушка впрыска ATF (болт с проушиной) 2. Прокладка пробки впрыска ATF 3. Пробка для проверки уровня ATF 4. Прокладка пробки проверки уровня ATF. 5. Прокладка сливной пробки 6. Сливная пробка Процедуры ремонта Жидкость для автоматической коробки передач (ATF) Проверка уровня • При проверке уровня масла следите за тем, чтобы не попала пыль, посторонние дела и тд...

Hyundai Palisade (LX2) 2020-2023 Руководство по техническому обслуживанию: Комплектующие и расположение узлов


Компоненты 1. Обшивка передней двери 2. Панель передней двери 3. Модуль передней двери 4. Боковой уплотнитель передней двери 5. Боковой уплотнитель кузова передней двери 6. Внутренняя крышка квадранта передней двери 7. Ремень передней двери внутри уплотнителя 8...

Категории

Ручная регулировка

Переднее сиденье можно отрегулировать с помощью рычагов, расположенных снаружи подушки сиденья. Перед вождением, отрегулируйте сиденье в правильном положение так, чтобы вы могли легко контролировать руль, педали и элементы управления на приборе панель.

Hyundai Palisade. Manual adjustment

читать далее