Hyundai Palisade: исполнительный механизм отопителя/регулятора режима

Hyundai Palisade (LX2) 2020-2023 Руководство по ремонту / Отопление, вентиляция, кондиционирование / Обогреватель / Привод управления режимами

Описание и работа
Описание
Привод управления режимами расположен на блоке отопителя.
Он регулирует положение дверцы режимов, управляя исполнительным механизмом управления режимами. по сигналу блока управления кондиционером. Нажатие переключателя выбора режима переключает привод управления режимами в следующем порядке: Вентиляция → Двухуровневый → Пол → Смешивание.
Компоненты и расположение компонентов
Расположение компонентов

Hyundai Palisade. Components and components location

1. Привод управления режимами


Процедуры ремонта
осмотр
1.
Выключите зажигание.
2.
Отсоедините разъем привода управления режимами.
3.
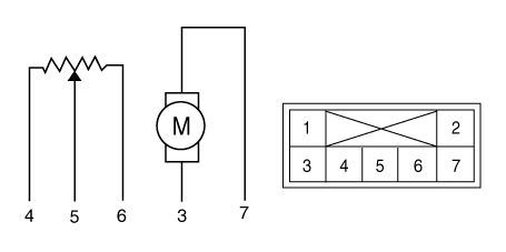
Убедитесь, что исполнительный механизм управления режимами работает в режиме оттаивания, когда подключение 12 В к клемме 3 и заземление клеммы 4.
Убедитесь, что исполнительный механизм управления режимами работает в режиме вентиляции, когда подключен в обратном порядке.

Hyundai Palisade. Repair procedures

1. -
2. -
3. Режим вентиляции
4. Режим разморозки
5. Питание датчика (+5В)
6. Сигнал обратной связи
7. Масса датчика

4.
Подсоедините разъем привода управления режимами.
5.
Включите зажигание.
6.
Проверьте напряжение между контактами 5 и 4.
Спецификация
Положение двери
Напряжение (В)
Обнаружение ошибки
вентиляция
0,5 ± 0,15 В
Низкое напряжение: 0,1 В или меньше
Высокое напряжение: 5,0 В или меньше
Разморозка
4,5 ± 0,15 В

Он будет сообщать о текущем положении привода органам управления.
7.
Если измеренное напряжение не соответствует спецификации, замените на заведомо исправный исполнительный механизм управления режимами и проверьте правильность его работы.
8.
Замените исполнительный механизм управления режимами, если доказано, что есть проблема с этим.
Замена
1.
Отсоедините отрицательную (-) клемму аккумуляторной батареи.
2.
Снимите основную подушку безопасности в сборе.
(См. раздел «Кузов» — «Главная аварийная подушка в сборе»)
3.
Разъедините разъем исполнительного механизма управления режимами (В) и ослабьте крепление завинтите и снимите привод управления режимами (А).

Hyundai Palisade. Repair procedures

4.
Установите в порядке, обратном снятию.

Привод контроля температуры

Описание и работа Описание Блок отопителя включает исполнительный механизм управления режимами и исполнительный механизм регулирования температуры. Привод управления температурой расположен на блоке отопителя...

Привод автоматического предотвращения запотевания

Описание и работа Описание Датчик автозапотевания установлен на лобовом стекле. Датчик оценивает и посылает сигнал, если появляется влага, чтобы выдуть ветер для предотвращения запотевания...

Дополнительная информация:

Hyundai Palisade (LX2) 2020-2023 Руководство по техническому обслуживанию: Описание и работа


Описание Умная система круиз-контроля позволяет водителю запрограммировать транспортное средство для управления скорость и расстояние следования путем обнаружения впереди идущего автомобиля без нажатия кнопки педаль тормоза или педаль акселератора. 1...

Hyundai Palisade (LX2) 2020-2023 Руководство по техническому обслуживанию: Датчик скорости переднего колеса


Компоненты и расположение компонентов Компоненты 1. Датчик скорости переднего колеса 2. Разъем датчика скорости переднего колеса Процедуры ремонта Удаление • Будьте осторожны, чтобы не повредить детали, расположенные под автомобилем. (пол под крышкой, топливный фильтр, топливный бак и канистра) при поднять автомобиль с помощью подъемника...

Категории

Запирание автомобиля

Hyundai Palisade. Locking your vehicle

Чтобы запереть автомобиль с помощью двери кнопка ручки или смарт-ключ:

1. Убедитесь, что все двери, капот и задняя дверь закрыта.

2. Убедитесь, что у вас есть смарт-ключ в твоем распоряжении.

читать далее