Hyundai Palisade: Система ESP (Электронная программа стабилизации) / Описание и работа

Hyundai Palisade (LX2) 2020-2023 Руководство по ремонту / Тормозная система / Система ESP (электронная программа стабилизации) / Описание и работа

Описание ЭСП
ESP распознает критические условия вождения, такие как панические реакции в опасных условиях. ситуациях и стабилизирует автомобиль за счет индивидуального торможения колес и двигателя. контрольное вмешательство.
ESP добавляет дополнительную функцию, известную как Active Yaw Control (AYC), к ABS, TCS, Функции EBD и ESP. В то время как функция ABS/TCS контролирует проскальзывание колес во время торможение и ускорение и, таким образом, в основном вмешивается в продольную динамику транспортного средства, активное управление рысканием стабилизирует транспортное средство относительно его вертикальной ось.
Это достигается за счет индивидуального торможения колес и адаптации мгновенный крутящий момент двигателя без необходимости каких-либо действий со стороны водителя.
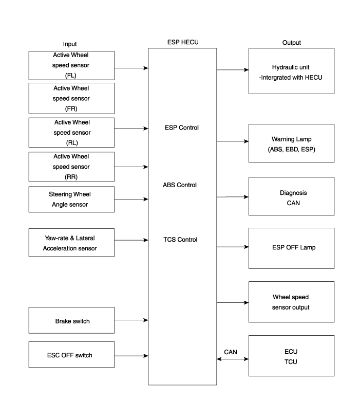
ESP по существу состоит из трех узлов: датчиков, электронного управления узел и приводы.
Функция контроля устойчивости работает при любых условиях вождения и эксплуатации. При определенных условиях вождения функция ABS/TCS может быть активирована одновременно. с функцией ESP в ответ на команду водителя.
В случае отказа функции контроля устойчивости основные функции безопасности функция ABS по-прежнему сохраняется.

Hyundai Palisade. Description and operation

Описание управления ESP
Система ESP включает функции ABS/EBD, TCS и AYC.
Функция ABS/EBD: ЭБУ изменяет активный сигнал датчика (текущее переключение) поступающий от четырех колесных датчиков к прямоугольной волне. С помощью ввода выше сигналов, ECU рассчитывает скорость автомобиля и ускорение и замедление из четырех колес. И ECU решает, следует ли активировать ABS / EBD. или нет.
Функция TCS предотвращает проскальзывание колеса в направлении движения, добавляя тормоз снижение давления и крутящего момента двигателя по шине CAN. Функция TCS использует сигнал датчика скорости колеса для определения проскальзывания колеса до функции ABS.
Функция AYC предотвращает неустойчивое маневрирование автомобиля. Для определения транспортного средства маневр, функция AYC использует сигналы датчика маневра (датчик скорости рыскания, боковой датчик ускорения, датчик угла поворота рулевого колеса).
Если маневр автомобиля нестабилен (избыточная или недостаточная поворачиваемость), применяется функция AYC. тормозное давление на определенном колесе и отправить сигнал снижения крутящего момента двигателя по CAN.
После включения зажигания ЭБУ постоянно диагностирует отказ системы. (самодиагностика)Если обнаружен сбой системы, ЭБУ информирует водителя о сбое системы через контрольную лампу BRAKE/ABS/ESP. (отказоустойчивое предупреждение)

Hyundai Palisade. Description and operation

Диаграмма ввода и вывода

Hyundai Palisade. Description and operation

Режим работы ЭСП
1.
ШАГ 1
ESP анализирует намерения водителя.

Hyundai Palisade. Description and operation

2.
ШАГ 2
Он анализирует движение автомобиля с ESP.

Hyundai Palisade. Description and operation

3.
ШАГ 3
HECU рассчитывает требуемую стратегию, а затем активирует соответствующую клапанов и отправляет запросы управления крутящим моментом через CAN для обслуживания автомобиля стабильность.

Hyundai Palisade. Description and operation

Схема гидравлической системы ESP
1.
ESP не работает: Обычное торможение.
Соленоидный клапан
Преемственность
Клапан
Мотопомпа
Клапан ТК
В (НЕТ)
ВЫКЛЮЧЕННЫЙ
ОТКРЫТЬ
ВЫКЛЮЧЕННЫЙ
ВЫКЛЮЧЕННЫЙ
ВЫХОД (НЗ)
ВЫКЛЮЧЕННЫЙ
ЗАКРЫВАТЬ

2.
работа ЭСП
Соленоидный клапан
Преемственность
Клапан
Мотопомпа
Клапан ТК
недостаточная поворачиваемость
(Только внутри заднего колеса)
В (НЕТ)
ВЫКЛЮЧЕННЫЙ
ОТКРЫТЬ
НА
НА
ВЫХОД (НЗ)
ВЫКЛЮЧЕННЫЙ
ЗАКРЫВАТЬ
избыточная поворачиваемость
(Только снаружи переднего колеса)
В (НЕТ)
ВЫКЛЮЧЕННЫЙ
ОТКРЫТЬ
ВЫХОД (НЗ)
ВЫКЛЮЧЕННЫЙ
ЗАКРЫВАТЬ

Управление контрольной лампой

Hyundai Palisade. Description and operation

Модуль контрольной лампы АБС
Активный модуль контрольной лампы АБС указывает на состояние самопроверки и неисправности. АБС. Контрольная лампа АБС должна гореть:
Во время фазы инициализации после IGN ON. (непрерывно 3 секунды).
В случае торможения работы АБС по отказу.
В режиме диагностики.
Когда разъем ECU отделен от ECU.
Лампа кластера горит, когда связь с модулем CAN невозможна.
Модуль контрольной лампы EBD/стояночного тормоза
Активный модуль контрольной лампы EBD указывает на состояние самопроверки и неисправности. из ЕБД. Однако, если переключатель стояночного тормоза включен, EBD контрольная лампа всегда горит независимо от функций EBD. Предупреждение EBD лампа должна гореть:
Во время фазы инициализации после IGN ON. (непрерывно 3 секунды).
Когда переключатель стояночного тормоза включен или уровень тормозной жидкости низкий.
Когда функция EBD вышла из строя.
В режиме диагностики.
Когда разъем ECU отделен от ECU.
Лампа кластера горит, когда связь с модулем CAN невозможна.
Функция ESP / контрольная лампа (система ESP)
Индикатор функции/предупреждения ESP указывает на самопроверку и состояние неисправности ЭСП.
Функция/контрольная лампа ESP загорается при следующих условиях:
Во время фазы инициализации после IGN ON. (непрерывно 3 секунды).
Когда функция ESP заблокирована из-за отказа системы.
Когда работает система ESP. (мигание - 2 Гц)
В режиме диагностики (кроме стандартного режима).
Лампа кластера горит, когда связь с модулем CAN невозможна.
Лампа отключения ESP (система ESP)
Лампа ESP Off указывает на самопроверку и рабочее состояние ESP.
Лампа ESP Off работает при следующих условиях:
В режиме инициализации после IGN ON. (непрерывно 3 секунды).
Лампа ESP Off загорается, когда водитель нажимает кнопку ESP Off.
Переключатель ВКЛ/ВЫКЛ ESP (система ESP)
Переключатель ESP On/Off должен использоваться для переключения функции ESP между On/Off. состояния, основанные на вводе драйвера.
Переключатель Вкл/Выкл должен быть нормально разомкнутым контактным выключателем мгновенного действия. Замкнут. контакты переключают цепь на зажигание.
Начальное состояние функции ESP включено, и переключатель переключает состояние.

Компоненты и расположение компонентов

Компоненты 1. Блок управления АБС (HECU) 2. Датчик скорости переднего колеса 3. Датчик скорости заднего колеса 4. Контрольная лампа АБС 5...

Принципиальные диаграммы

Принципиальная электрическая схема Терминал Функция PIN-код № Описание Текущий Макс Мин. 1 Электропитание двигателя насоса 39А 10 МОм 2 Мощность двигателя RR EPB 30А 10 МОм 3 Масса двигателя RR EPB 30А 10 МОм 4 Сигнал датчика хода сцепления - - 5 Локальный CAN Высокий 30 мА - 6 Сигнал электрического стояночного тормоза 1 20 мА 250 МОм 7 Сигнал электрического стояночного тормоза 2 20 мА 250 МОм 8 Сигнал электрического стояночного тормоза 3 20 мА 250 МОм 9 Сигнал электрического стояночного тормоза 4 20 мА 250 МОм 10 - - 250 МОм 11 - - - 12 Масса двигателя RL EPB 30А - 13 Мощность двигателя РЛ ЭПБ 30А 10 МОм 14 Масса для электромагнитных клапанов и ECU 30А 10 МОм 15 - - 10 МОм 16 - - 250 МОм 17 Сигнал выключателя ESP OFF 16...

Дополнительная информация:

Hyundai Palisade (LX2) 2020-2023 Руководство по эксплуатации: Датчик обнаружения


Задние радары расположены внутри задний бампер для обнаружения боковые и задние зоны. Всегда держите задний бампер чистый для нормальной работы системы. УВЕДОМЛЕНИЕ Система может работать неправильно когда бампер был поврежден, или если задний бампер был заменен или отремонтирован...

Hyundai Palisade (LX2) 2020-2023 Service Manual: Специальные сервисные инструменты


Специальные сервисные инструменты Название/номер инструмента Иллюстрация Описание Компенсатор LKA (09890-3V100) Используется для компенсации блока камеры переднего вида Плата компенсации допусков для мониторинга кругового обзора (09957-СМ100) Используется для компенсации допусков для камеры мониторинга объемного обзора (SVM) Вертикальный измерительный прибор (09964-C1200) Используется для измерения наклона влево/вправо при автоматической компенсации допуска для фронтальная камера выполнена...

Категории

Как работает система подушек безопасности Работать?

Hyundai Palisade. Operate?

SRS состоит из следующих компоненты:

1. Модуль передней подушки безопасности водителя
2. Модуль передней подушки безопасности пассажира
3. Модули боковых подушек безопасности
4. Модули шторок безопасности
5. Втягивающее устройство предварительного натяжения
6. Сигнальная лампа подушки безопасности
7. Модуль управления SRS (SRSCM)/ Датчик опрокидывания
8. Датчики лобового столкновения
9. Датчики бокового удара
10.Боковые датчики давления
11. Система классификации пассажиров
12. Модуль коленной подушки безопасности водителя

читать далее