Hyundai Palisade: стеклоочиститель/омыватель лобового стекла/двигатель переднего стеклоочистителя

Hyundai Palisade (LX2) 2020-2023 Руководство по ремонту / Электрическая система кузова / Стеклоочиститель/омыватель ветрового стекла / Двигатель переднего стеклоочистителя

Компоненты и расположение компонентов
Расположение компонента

Hyundai Palisade. Components and components location

1. Крышка
2. Гайка
3. Рычаг и щетка стеклоочистителя
4. Верхняя крышка капота
5. Болт
6. Двигатель стеклоочистителя и рычажный механизм в сборе.
7. Разъем электродвигателя стеклоочистителя.

Процедуры ремонта
Удаление
1.
Отсоедините отрицательную (-) клемму аккумуляторной батареи.
2.
При необходимости ослабьте фиксатор щетки стеклоочистителя (А), потянув вверх и снимите щетку стеклоочистителя (B) с внутреннего радиуса рычага стеклоочистителя.

Hyundai Palisade. Repair procedures

3.
Снимите верхнюю крышку капота.
(См. Корпус — «Верхняя крышка кожуха»)
4.
Отсоедините разъем электродвигателя стеклоочистителя (А) от электродвигателя и тяги стеклоочистителя. сборка.

Hyundai Palisade. Repair procedures

5.
Снимите двигатель стеклоочистителя ветрового стекла и рычажный механизм (А) после снятия 2 болта.

Hyundai Palisade. Repair procedures

6.
Удерживая кривошип электродвигателя стеклоочистителя, снимите верхнюю тягу (А) с кривошип электродвигателя стеклоочистителя.

Hyundai Palisade. Repair procedures

Hyundai Palisade. Repair procedures
Перед снятием двигателя стеклоочистителя и рычажного механизма в сборе убедитесь, что рычажный механизм остановился в положении автоматической остановки.
Чтобы точно установить кривошип электродвигателя стеклоочистителя, убедитесь, что рычажный механизм выровнен с кривошипом по прямой линии, а угол каждой связи.
Будьте осторожны, чтобы не погнуть соединение.
7.
Снимите нижнюю тягу (А) с кривошипа электродвигателя стеклоочистителя.

Hyundai Palisade. Repair procedures

Hyundai Palisade. Repair procedures
Чтобы точно установить кривошип электродвигателя стеклоочистителя, убедитесь, что рычажный механизм выровнен с кривошипом по прямой линии, а угол каждой связи.
Будьте осторожны, чтобы не погнуть соединение.
8.
Снимите кривошип после ослабления гайки.

Hyundai Palisade. Repair procedures

9.
Снимите кронштейн после ослабления винтов.

Hyundai Palisade. Repair procedures

10.
Снимите мотор стеклоочистителя с трубы.
Монтаж
1.
Установите двигатель стеклоочистителя и рычажный механизм в сборе, а затем подсоедините стеклоочиститель. разъем двигателя.
Момент затяжки :
6,9–10,8 Нм (0,7–1,1 кгс·м, 5,0–7,9 фунт-сила·фут)
2.
Установите верхнюю крышку капота.
3.
Установите рычаг и щетку стеклоочистителя ветрового стекла.
Момент затяжки :
22,5–26,5 Нм (2,3–2,7 кгс·м, 16,6–19,5 фунт-сила·фут)
Hyundai Palisade. Repair procedures
Электродвигатель стеклоочистителя необходимо включить, чтобы убедиться, что что он находится в положении парковки.
При необходимости отрегулируйте рычаг и щетку стеклоочистителя.
4.
Установите рычаг и щетку стеклоочистителя в указанное положение.
A : Положение автоматической остановки (нож)

Hyundai Palisade. Repair procedures

осмотр
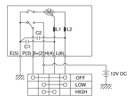
Проверка работы скорости
1.
Снимите разъем (А) с электродвигателя стеклоочистителя.

Hyundai Palisade. Repair procedures

2.
Подсоедините положительный (+) провод аккумулятора к клемме 3 и отрицательный (-) вывод на клемму 1.
3.
Убедитесь, что двигатель работает на низкой или высокой скорости, как показано в таблице ниже.

Hyundai Palisade. Repair procedures

Hyundai Palisade. Repair procedures
Обычными источниками загрязнения являются насекомые, сок деревьев и горячая вода. Обработка воском, используемая некоторыми коммерческими автомойками. Если лезвия не протирают должным образом, очистите и окно, и лезвия хорошим чистящим средством или мягким моющим средством и тщательно промойте с чистой водой.
Диагностика с помощью диагностического инструмента
1.
В электрической системе тела неисправность можно быстро диагностировать с помощью система диагностики автомобиля (Diagnostic tool).
Система диагностики (инструмент диагностики) предоставляет следующую информацию.
(1)
Поиск кода неисправности: проверка неисправности и кодового номера (DTC)
(2)
Анализ данных: проверка состояния входных/выходных данных системы
(3)
Проверка срабатывания: Проверка состояния работы системы
(4)
S/W Management: Управление другими функциями, включая систему настройка параметров и регулировка нулевой точки
2.
Если диагностировать автомобиль с помощью диагностического инструмента, выберите «Анализ DTC» и "Транспортное средство".

Hyundai Palisade. Repair procedures

3.
Выберите «Анализ данных».

Hyundai Palisade. Repair procedures

4.
Выберите «IBU_BCM» для поиска текущего состояния ввода/вывода. данные.

Hyundai Palisade. Repair procedures

Hyundai Palisade. Repair procedures

Переключатель стеклоочистителя-омывателя ветрового стекла

Процедуры ремонта Удаление 1. Отсоедините отрицательную (-) клемму аккумуляторной батареи. 2. Снять руль...

Мотор переднего омывателя

Процедуры ремонта осмотр Мотор переднего и заднего омывателя 1. Подключив двигатель омывателя к бачку, заполните бачок. бак с водой...

Дополнительная информация:

Hyundai Palisade (LX2) 2020-2023 Руководство по техническому обслуживанию: Блок клапанов


Описание и работа Описание • Установленный корпус клапана находится внутри коробки передач. • Блок клапанов необходим для управления автоматической коробкой передач и состоит из различных клапанов, используемых для управления подачей масла от масляного насоса...

Hyundai Palisade (LX2) 2020-2023 Руководство по техническому обслуживанию: Устранение неисправностей


Поиск неисправностей • Будьте осторожны, чтобы не закоротить проводку кузовом или другими предметами. проводка. • В случае проблем с разрядкой вообще измерьте темновой ток раз...

Категории

Сигнальная лампа ремня безопасности

Сигнальная лампа ремня безопасности

Hyundai Palisade. Seat Belt Warning Light

Предупреждение о непристегнутом ремне безопасности водителя

Напоминаем водителю, что сиденье сигнальная лампа ремня безопасности загорится примерно 6 секунд каждый раз ставишь ключ зажигания в положение Включенное положение независимо от пристегивания ремня. В это время, если ремень безопасности не пристегнут предупреждающий звуковой сигнал звук в течение 6 секунд.

читать далее