Hyundai Palisade: система запуска / стартер

Hyundai Palisade (LX2) 2020-2023 Руководство по ремонту / Электрическая система двигателя / Стартовая система / Стартер

Технические характеристики
Спецификация
Стартер
Элемент
Спецификация
Номинальное напряжение
12 В, 1,7 кВт
Количество зубьев шестерни
11
Производительность
[Без нагрузки, 11,5 В]
Ампер
Макс.105 А
Скорость
Мин. 2800 об/мин

Описание и работа
Описание
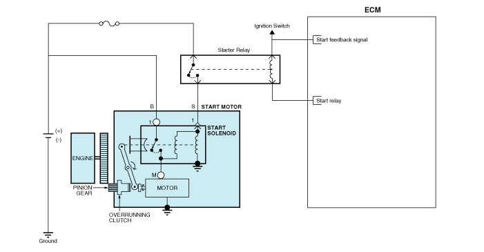
Система запуска включает в себя аккумуляторную батарею, стартер, электромагнитный выключатель, зажигание переключатель, переключатель блокировки (A/T), переключатель педали сцепления (M/T), переключатель замка зажигания, соединительные провода и кабель аккумулятора.
Когда ключ зажигания поворачивается в положение запуска, ток течет и подает питание электромагнитная катушка стартера.
Плунжер соленоида и рычаг переключения передач активируются, а шестерня сцепления входит в зацепление с зубчатым венцом.
Контакты замыкаются и стартер крутит.
Во избежание повреждений, вызванных чрезмерным вращением якоря стартера. при запуске двигателя ведущая шестерня муфты выбегает.

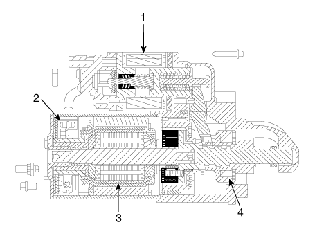
Hyundai Palisade. Description and operation

1. Соленоид
2. Щетка в сборе
3. Арматура
4. Обгонная муфта

Принципиальные диаграммы
Принципиальная электрическая схема

Hyundai Palisade. Schematic diagrams

Поиск неисправностей

Поиск неисправностей • Аккумулятор должен быть в хорошем состоянии и полностью заряжен для это устранение неполадок...

Реле стартера

Процедуры ремонта осмотр 1. Выключите зажигание и отсоедините отрицательную (-) клемму аккумуляторной батареи. 2...

Дополнительная информация:

Hyundai Palisade (LX2) 2020-2023 Руководство по обслуживанию: Подвеска двигателя


Компоненты и расположение компонентов Компоненты 1. Кронштейн крепления коробки передач 2. Кронштейн роликовой тяги 3. Кронштейн опоры двигателя 4. Кронштейн крепления двигателя 5. Верхний кронштейн рулевой тяги Процедуры ремонта Снятие и установка • Будьте осторожны, чтобы не повредить детали, расположенные под автомобилем. (пол под крышкой, топливный фильтр, топливный бак и канистра) при поднять автомобиль с помощью подъемника...

Hyundai Palisade (LX2) 2020-2023 Руководство по техническому обслуживанию: Обшивка порогов дверей


С..

Категории

Подушка безопасности — дополнительная система пассивной безопасности Система

Hyundai Palisade. System

1. Передняя подушка безопасности водителя
2. Передняя подушка безопасности пассажира
3. Боковая подушка безопасности
4. Занавеска воздушной подушки
5. Коленная подушка безопасности водителя

Этот автомобиль оснащен Расширенная дополнительная подушка безопасности Система для сиденья водителя и переднего сиденья пассажирские места.

читать далее