Hyundai Palisade: привод отопителя/регулятора температуры

Hyundai Palisade (LX2) 2020-2023 Руководство по ремонту / Отопление, вентиляция, кондиционирование / Обогреватель / Привод контроля температуры

Описание и работа
Описание
Блок отопителя включает исполнительный механизм управления режимами и исполнительный механизм регулирования температуры.
Привод управления температурой расположен на блоке отопителя. Он регулирует температуру следующим образом.
Сигнал от блока управления регулирует положение температурной дверцы, управляя переключатель температуры. Тогда температура будет регулироваться горячим/холодным соотношение воздуха определяется положением температурной дверцы.
Компоненты и расположение компонентов
Расположение компонента

Hyundai Palisade. Components and components location

1. Привод контроля температуры [левый]
2. Привод контроля температуры [Правый]

Процедуры ремонта
осмотр
1.
Выключите зажигание.
2.
Отсоедините разъем привода регулятора температуры.
3.
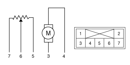
Убедитесь, что исполнительный механизм контроля температуры перемещается в положение охлаждения. при подключении 12 В к клемме 3 и заземлению клеммы 4.
Убедитесь, что привод управления температурой работает в теплом положении. при подключении наоборот.
[Водитель]

Hyundai Palisade. Repair procedures

1. -
2. -
3. Кол-позиция
4. Теплая позиция
5. Масса датчика
6. Сигнал обратной связи
7. Питание датчика (+5В)

[Пассажир]
1. -
2. -
3. Кол-позиция
4. Теплая позиция
5. Питание датчика (+5В)
6. Сигнал обратной связи
7. Масса датчика

4.
Подсоедините разъем исполнительного механизма контроля температуры.
5.
Включите зажигание.
6.
Проверьте напряжение между контактами 5 и 6.
Спецификация
Положение двери
Напряжение (В)
Обнаружение ошибок
Макс. охлаждение
0,3 ± 0,15
Низкое напряжение: 0,1 В или меньше
Высокое напряжение: 4,9 В или меньше
Макс. обогрев
4,5 ± 0,15

Он будет сообщать о текущем положении привода органам управления.
7.
Если измеренное напряжение не соответствует спецификации, замените на заведомо исправный исполнительный механизм регулирования температуры и проверьте правильность его работы.
8.
Замените привод контроля температуры, если доказано, что это проблема с ним.
Замена
[ЛГ, водитель]
1.
Отсоедините отрицательную (-) клемму аккумуляторной батареи.
2.
Снимите нижнюю панель аварийной подушки.
(См. Кузов — «Нижняя панель аварийной площадки»)
3.
Ослабьте крепежные винты и снимите душевой канал [LH] (A).

Hyundai Palisade. Repair procedures

4.
Отделите блок мониторинга кругового обзора (SVM).
(См. Электрическая система кузова — «Блок SVM»)
5.
Разъедините разъем привода регулятора температуры (А) и ослабьте крепежный винт и снимите привод регулятора температуры (B).

Hyundai Palisade. Repair procedures

6.
Установите в порядке, обратном снятию.
[Правый, пассажир]
1.
Отсоедините отрицательную (-) клемму аккумуляторной батареи.
2.
Снимите центральную панель аварийной подушки.
(См. Кузов — «Центральная панель аварийной площадки»)
3.
Ослабьте крепежные винты и снимите душевой канал [RH] (A).

Hyundai Palisade. Repair procedures

4.
Разъедините разъем привода регулятора температуры (А) и ослабьте крепежный винт и снимите привод регулятора температуры (B).

Hyundai Palisade. Repair procedures

5.
Установите в порядке, обратном снятию.

Нагреватель PTC (только дизель)

Описание и работа Описание Нагреватель PTC (с положительным температурным коэффициентом) устанавливается на выходе или обратная сторона радиатора отопителя...

Привод управления режимами

Описание и работа Описание Привод управления режимами расположен на блоке отопителя. Он регулирует положение дверцы режимов, управляя исполнительным механизмом управления режимами. по сигналу блока управления кондиционером...

Дополнительная информация:

Hyundai Palisade (LX2) 2020-2023 Руководство по техническому обслуживанию: Балка заднего бампера в сборе


С..

Руководство по эксплуатации Hyundai Palisade (LX2) 2020-2023: Дополнительная защита ремнями безопасности Меры предосторожности


Использование ремня безопасности во время беременности Ремень безопасности всегда следует использовать во время беременности. Лучший способ защитить своего будущего ребенка, чтобы защитить себя, всегда надев сиденье пояс. Беременные женщины всегда должны носить поясно-плечевой ремень безопасности. Поместите плечевой ремень через грудь, проложенный между твоей грудью и далеко с твоей шеи...