Hyundai Tucson manuels

Руководство по обслуживанию и ремонту Hyundai Tucson: Вентилятор системы охлаждения

Компоненты и расположение компонентов

КОМПОНЕНТЫ

1. Охлаждающий вентилятор
2. Двигатель вентилятора
3. Кожух вентилятора охлаждение
4. Контроллер охлаждающего вентилятора (ШИМ)

Технические характеристики

Технические характеристики
Элемент
Спецификация
Мощность двигателя (Вт)
170
тип вентилятора
ЭКСТРАКТОР
Регулятор скорости вентилятора
ШИМ
Потребление тока
14,2 +10% МАКС.

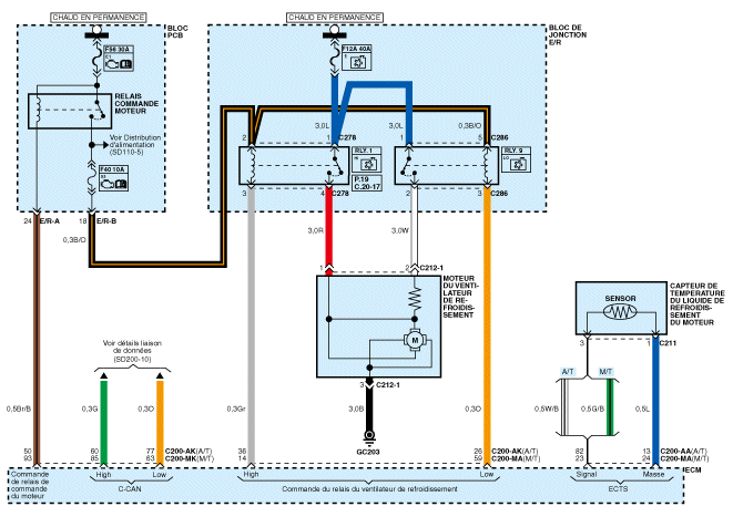
Принципиальные диаграммы

Принципиальная электрическая схема

Процедуры ремонта

Снятие и установка
ОХЛАЖДАЮЩИЙ ВЕНТИЛЯТОР В СБОРЕ
1.
Отсоедините отрицательную клемму аккумулятора.
2.
Снимите воздуховод и воздушный фильтр в сборе.
(См. Система впуска и выпуска — «Воздушный фильтр»)
3.
Снимите батарею и поддон для батареи.
(См. Электрическая система двигателя — «Аккумуляторная батарея».)
4.
Отсоедините разъем жгута проводов (А).

5.
Отверните болт кронштейна крепления верхнего шланга радиатора. (В).
Момент затяжки:
3,9~5,9 Нм (0,4~0,6 кгс.м, 2,9~4,3 фунт-фут)

6.
Отверните болт нижнего крепления кронштейна шланга радиатора. (В).
Момент затяжки:
3,9~5,9 Нм (0,4~0,6 кгс.м, 2,9~4,3 фунт-фут)

7.
Снимите охлаждающий вентилятор (А).
Момент затяжки:
4,9 ~ 7,8 Н·м (0,5 ~ 0,8 кгс·м, 3,6 ~ 5,8 фунт-фут)

Контроллер охлаждающего вентилятора (ШИМ)
1.
Отсоедините разъем жгута проводов (А) и разъем двигатель вентилятора (В).

2.
Снимите PWM (A) с дисплея охлаждающего вентилятора.
Момент затяжки:
2,8 ~ 3,2 Н·м (0,28 ~ 0,33 кгс·м, 2,1 ~ 2,4 фунт-фут)

3.
Для установки выполните процедуру, обратную снятию.
РАЗБОРКА
1.
Снимите охлаждающий вентилятор (А) с блока вентилятора. охлаждение.

2.
Отсоедините разъем двигателя вентилятора (А) от ШИМ.

3.
Ослабьте винты, затем снимите двигатель вентилятора (А) с дефлектора. охлаждающего вентилятора.
Момент затяжки:
4,2 ~ 4,7 Н·м (0,43 ~ 0,48 кгс·м, 3,1 ~ 3,5 фунт-фут)

4.
Армадо будет в порядке, обратном разоружению.
Контроль
двигатель вентилятора
1.
Отсоедините разъем двигателя вентилятора от ШИМ.
2.
Подключите напряжение аккумулятора к клемме «+», а массу к клемме толстоголовый "-".
3.
Проверьте, правильно ли работает двигатель вентилятора охлаждения.
Процедуры ремонта хладагента
Заполнение и очистка • Никогда не снимайте крышку радиатора, когда двигатель...

РАДИАТОР
Компоненты и расположение компонентов КОМПОНЕНТЫ 1. Радиатор 2. Верхний кронштейн крепления радиатора 3. Изолятор нижнего крепления 4. Гибкость ...
Другие материалы:

Резистор вентилятора (РУЧНОЙ) Процедуры ремонта
Контроль 1. Измерьте сопротивление между клеммами. 2. Если измеренное сопротивление не соответствует стандарту, сопротивление вентилятора необходимо заменить. (после снятия резистора) ЗАМЕНЯТЬ ...

Вождение с прицепом
Буксировка прицепа требует определенного количество опыта. Перед установкой на открытой дороге, вы должны добраться до знай свой трейлер. Познакомьтесь с ощущение управляемости и торможения с дополнительный вес прицепа. И всегда Имейте в виду, что транспортное средство вы ехать теперь долго...