Hyundai Tucson: Предохранители и реле / ​​Блок реле (салон) Описание и работа

Описание
SJB (умная распределительная коробка)
1.
Спецификация
Элемент
Требование
Примечание
Номинальное напряжение
12 В постоянного тока
Икс
Диапазон напряжения
8 ~ 16 В постоянного тока
Нормальная работа в этом диапазоне
Температура хранения
-40°С ~ +95°С
Икс
Рабочая Температура
-30°С ~ +85°С
Икс
Рабочая влажность
85%
Печатная плата, влагоизоляция, покрытие и т. Д.
Темный ток
Макс. 200 мкА
Вся загрузка открыта
Диапазон рабочего напряжения
8 ~ 16 В постоянного тока
Должен нормально активироваться в нормальном диапазоне
Максимальная влажность
85%
Регулируется вместе с деталями, требующими изоляции, такими как печатная плата, гидроизоляция, покрытие и т. д.
Изоляционное сопротивление
Не должно быть возгорания, вызванного короткими замыканиями


2.
Номинальная нагрузка
Элемент
Номинальная нагрузка
Левая фара ближнего света
55 Вт
Фара ближнего света правая
55 Вт
Левая фара дальнего света
60 Вт (макс.)
Фара дальнего света правая
60 Вт (макс.)
Левый задний фонарь
41 Вт (макс.)
Задний фонарь правый
31 Вт (макс.)
Передняя противотуманная фара левая+правая
54 Вт
Внутренняя лампа
45 Вт
B/Управление катушкой реле пуска сигнализации
0,9 Вт
Управление катушкой реле RR FOG
0,6 Вт
Защелка подъемных ворот или лампа багажного отделения (электропривод подъемных ворот) Управление катушкой реле
0,6 Вт
Резервное управление катушкой реле
0,45 Вт
Управление катушкой реле заднего стеклоочистителя (внешнее)
12 Вт (макс. выходная мощность)
B/Управление катушкой реле звукового сигнала (внешнее)
12 Вт (макс. выходная мощность)
Управление катушкой реле RR.HTD (внешнее)
12 Вт (макс. выходная мощность)
Управление катушкой реле переднего противообледенителя (внешнее)
12 Вт (макс. выходная мощность)

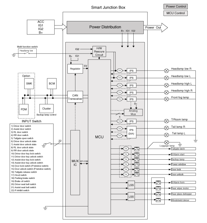
3.
Блок-схема

4.
Основные функции SJB
(1)
Управление лампой и защита проводов через IPS.
(2)
Когда опорное напряжение превышено, нормальное управление напряжением PWM предотвращает потерю или повреждение лампы.
(3)
Выход CAN для входа сигнала переключения.
(4)
Диагностика по CAN (короткое замыкание на массу, обрыв цепи)
(5)
Отказоустойчивое управление лампой.
НЕТ
Раздел
Содержание
1
Введите входной SW
Получение входного сигнала переключателя и отправка состояния переключателя в виде сообщения CAN каждому модулю.
2
Управление лампой (IPS)
Получение команд от BCM в виде сообщения CAN для управления лампами с IPS
3
Внутреннее управление реле
Получать команды от BCM в виде сообщения CAN и управлять реле в IP Box
T / защелка ворот, B / запуск сигнализации, резервное копирование, задний противотуманный фонарь
4
Управление внешним реле
Получайте команды от BCM в виде сообщения CAN и управляйте реле за пределами IP Box
B / звуковой сигнал, двигатель заднего стеклоочистителя, задний обогреватель, передний антиобледенитель
5
Режим низкого энергопотребления
(Режим сна)
Когда сообщение CAN или вход переключателя не изменяются в течение 5 секунд, он переходит в режим пониженного энергопотребления (спящий режим).
6
Режим пробуждения
Когда происходит изменение сообщения CAN или входного переключателя в режиме пониженного энергопотребления, он переходит в нормальный режим.
7
Состояние выхода отправить
Выходной статус ламп и задних противотуманных фар отправляется в BCM в виде сообщения CAN
8
HW Спасение
Когда MCU выходит из строя, и включается переключатель ближнего света фар, активируется ближний свет фар.

5.
Сеть

6.
Входной и выходной поток CAN

Блок реле (в салоне) Компоненты и расположение компонентов
Расположение компонента ...
Блок реле (в салоне) Процедуры ремонта
осмотр Предохранитель 1. Убедитесь, что в держателях предохранителей нет люфта и что предохранители надежно закреплены. 2. Правильно ли указаны номиналы предохранителей для каждой цепи? 3. Есть ли перегоревшие предохранителиx ...
Дополнительная информация:

Hyundai Tucson (LM) 2010-2015 Руководство по эксплуатации: Настройка беспроводной технологии Bluetooth®
Словесный знак и логотипы Bluetooth® являются зарегистрированными товарными знаками, принадлежащими Bluetooth®. SIG, Inc., и любое использование таких знаков осуществляется по лицензии. Другие товарные знаки и торговля имена принадлежат их соответствующим владельцам. Для использования беспроводной технологии Bluetooth® требуется сотовый телефон с поддержкой Bluetooth®. ВОЙНА ...

Hyundai Tucson (NX4) 2022-2023 Руководство по эксплуатации: Отделка салона деревом
Используйте защитное средство для деревянной мебели (например, воск, состав для покрытия) для очистки внутренняя деревянная отделка. Острые предметы (например, водитель, нож), клейкие материалы или ленты может повредить внутреннюю деревянную отделку. Любые сильные удары могут повредить внутренняя деревянная отделка. Если пальто...