Hyundai Tucson: система запуска двигателя кнопкой / принципиальные схемы

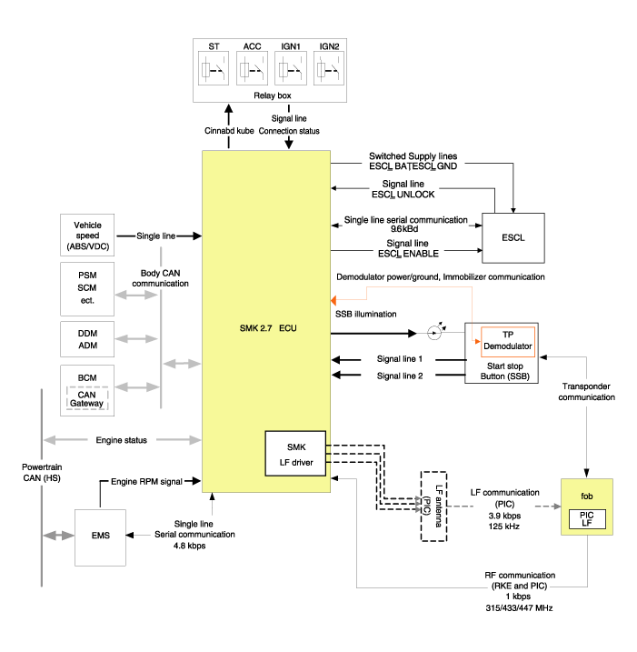
Принципиальная схема (1)

Компоненты и расположение компонентов
Расположение компонента 1. BCM (модуль управления кузовным оборудованием)2. Блок смарт-ключей3. Кнопка старт-стоп (SSB)4. Внутренняя антенна 15. Внутренняя антенна 26. Магистральная антенна7. Антенна в бампере...
Описание и работа
Описание Системный Обзор Система предлагает следующие возможности: - Человеко-машинный интерфейс с помощью одноступенчатой ​​кнопки для переключения терминала и запуска двигателя. - Контроль внешних ре...
Дополнительная информация:

Hyundai Tucson (LM) 2010-2015 Руководство по обслуживанию: Процедуры ремонта переключателя стеклоподъемников
осмотр Проверка переключателя главного стеклоподъемника 1. Отсоедините отрицательную (-) клемму аккумуляторной батареи. 2. Снимите обшивку передней двери и переключатель стеклоподъемника. (См. группу БД - "Входная дверь") 3. Проверьте целостность цепи между клеммами в каждом переключателе. положение согласно таблице. ...

Hyundai Tucson (LM) 2010-2015 Руководство по техническому обслуживанию: Датчик положения коленчатого вала (CKPS), описание и работа
Описание Датчик положения коленчатого вала (CKPS) обнаруживает коленчатый вал положения и является одним из важнейших датчиков управления двигателем система. Если нет входного сигнала CKPS, двигатель может остановиться из-за Отсутствует сигнал CKPS. Этот датчик установлен в раме лестницы и генерирует ...