Kia Cadenza: система ESC (электронная система курсовой устойчивости) / принципиальные схемы

Kia Cadenza YG 2016-2023 Руководство по ремонту / Тормозная система / Система ESC (электронный контроль устойчивости) / Принципиальные схемы

Принципиальная схема - ESC (1)

Принципиальная схема - ESC (2)

Принципиальная схема - ESC (3)

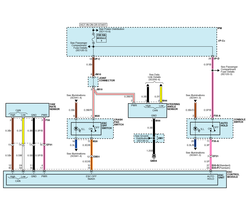
Принципиальная схема - ESC (4)

Принципиальная схема - ESC (5)

Вход/выход разъема ESC

Соединительный терминал
Спецификация
Пин №
Описание
Стандарт
Премиум
29
31
ЗАЖИГАНИЕ1(+)
Высокий уровень напряжения пробуждения:
4,5 В < В < 16,0 В
Низкий уровень напряжения пробуждения:
В < 2,4 В
Макс. ток: I < 50 мА
25
1
ПОС. АККУМУЛЯТОР 1.(СОЛЕНОИД)
Диапазон перенапряжения: 17,0 ± 0,5 В
Диапазон рабочего напряжения:
10,0 ± 0,5 В < В < 16,0 ± 0,5 В
Диапазон низкого напряжения:
7,0 ± 0,5 В < В < 9,5 ± 0,5 В
Макс. ток: I < 40A
Макс. ток утечки: I <0,25 мА
1
2
ПОС. АККУМУЛЯТОР 2.(МОТОР)
Диапазон рабочего напряжения:
10,0 ± 0,5 В < В < 16,0 ± 0,5 В
Пусковой ток: I < 110 А
Максимальный ток: I < 40 А
Максимальный ток утечки: I < 0,25 мА
38
46
ЗЕМЛЯ
Номинальный ток: I <550 мА
Макс. ток: I < 40А
13
45
ЗАЗЕМЛЕНИЕ ДВИГАТЕЛЯ НАСОСА
Пусковой ток: I < 110 А
Максимальный ток: I < 40 А
11
16
ЗАЗЕМЛЕНИЕ ДАТЧИКА
Номинальный ток: I <250 мА
4
17
МОЩНОСТЬ ДАТЧИКА
Максимальный ток: I < 250 мА
Максимальное напряжение: V_BAT1-0,8 В
23
34
ВЫКЛЮЧАТЕЛЬ СТОП-СИГНАЛА
Входное напряжение (низкое): В <2 В
Входное напряжение (высокое): В > 6 В
Макс. Входной ток: I < 3 мА (при 12,8 В)
10
18
ПЕРЕКЛЮЧАТЕЛЬ ВКЛ/ВЫКЛ ESC
28
27
ДАТЧИК ПЕРЕДНИЙ ПРАВЫЙ ВЫХОД
Внешнее сопротивление подтягивания: 1 кОм < R
Выходная нагрузка: 50 ± 20%
14
15
ЛИНИЯ CAN-ШИНЫ (НИЗКАЯ)
Макс. Входной ток: I < 10 мА
26
14
ЛИНИЯ CAN-ШИНЫ (ВЫСОКАЯ)
18
4
ДАТЧИК ПЕРЕДНИЙ ЛЕВЫЙ ПИТАНИЕ
Выходное напряжение: V_BAT1-0,6 В ~ V_BAT1-1,1 В
Выходной ток: макс. 30 мА
34
5
ДАТЧИК ПИТАНИЯ ПЕРЕДНИЙ ПРАВЫЙ
19
7
ДАТЧИК ЗАДНИЙ ЛЕВЫЙ ПИТАНИЕ
33
6
ДАТЧИК ЗАДНИЙ ПРАВЫЙ ПИТАНИЕ
31
9
ДАТЧИК ПЕРЕДНИЙ ЛЕВЫЙ СИГНАЛ
Входной ток НИЗКИЙ: 5,9 ~ 8,4 мА
Входной ток ВЫСОКИЙ: 11,8 ~ 16,8 мА
Диапазон частот: 1 ~ 2500 Гц
Входная нагрузка: 50 ± 10%
21
10
ДАТЧИК ПЕРЕДНИЙ ПРАВЫЙ СИГНАЛ
32
12
ДАТЧИК ЗАДНИЙ ЛЕВЫЙ СИГНАЛ
20
11
ДАТЧИК ЗАДНИЙ ПРАВЫЙ СИГНАЛ
12
42
ЛИНИЯ ДАТЧИКА CAN (ВЫСОКИЙ)
Макс. входной ток: I < 10 мА
24
43
ЛИНИЯ ДАТЧИКА CAN (НИЗКАЯ)
8
39
ПРИВОД РЕЛЕ ТОРМОЗА HAC
Макс. Ток: I < 180 мА
Максимальное выходное низкое напряжение: В < 1,2 В
7
38
ПРИВОД РЕЛЕ ЭСС
9
32
ТОРМОЗНОЙ ВЫКЛЮЧАТЕЛЬ
Входное напряжение (низкое): В < 2 В
Входное напряжение (высокое): В > 6 В
Макс. Входной ток: I < 10 мА
36
19
КОНТРОЛЬ СОСТОЯНИЯ РЕЛЕ

Описание и работа
Описание ЭСК Электронный контроль устойчивости (ESC) распознает критические условия вождения, такие как панические реакции в опасных ситуациях и стабилизирует транспортное средство с помощью колесного индивидуального бюстгальтера ...
Поиск неисправностей
Диагностика отказа 1. В принципе, управление ESC и TCS запрещено при отказе ABS. 2. При отказе ESC или TCS запрещается только отказавший системный контроль. 3. Однако, когда...
Дополнительная информация:

Kia Cadenza YG 2016-2023 Руководство по ремонту: Адаптивная система переднего освещения Процедуры ремонта


Удаление 1. Отсоедините отрицательную (-) клемму аккумуляторной батареи. 2. С помощью отвертки или съемника снимите боковую крышку аварийной подушки (А). [Правый] 3. Отсоедините пробку (В) от перчаточного ящика (А). 4. Отсоедините воздушную заслонку (А) от перчаточного ящика (В). 5. Отсоедините штифты (А) и...

Kia Cadenza YG 2016-2023 Руководство по техническому обслуживанию: Принципиальные схемы модуля управления коробкой передач (TCM)


1. Разъем TCM и функция терминала 2. Функция терминала ТСМ Соединитель [А] PinDescriptionPinDescription1-45Сигнал переключения блокировки «S2»2-46Сигнал переключения блокировки «S3»3-47Сигнал переключения блокировки «S4»4-48-5-49-6-50-7-51-8-52- 9-53-10CAN линия связи (HIGH)54Sports mode down swi ...