Kia Cadenza: система запуска / принципиальные схемы стартера

Kia Cadenza YG 2016-2023 Руководство по ремонту / Электрическая система двигателя / Стартовая система / Схемы стартера

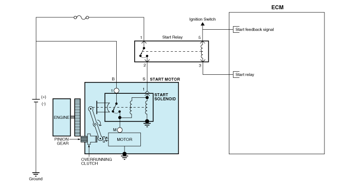
Принципиальная электрическая схема

Начальные компоненты и расположение компонентов
Компоненты 1. Передний корпус2. Вал планетарной передачи в сборе3. Рычаг4. Упаковка рычага5. Соленоид стартера в сборе6. Упаковка7. Планетарная шестерня 8. Щиток9. Сборка арматуры10. Йоркская сборка11. Щеткодержатель...
Порядок ремонта стартера
Удаление 1. Выключите зажигание и отсоедините отрицательный (-) кабель аккумуляторной батареи. 2. Снимите днище (A) и (B). 3. Снимите крышку стартера (А). 4. Отсоедините пусковой трос...
Дополнительная информация:

Руководство по эксплуатации Kia Cadenza YG 2016-2023: Датчики столкновения подушек безопасности


(1) Модуль управления SRS/ Датчик опрокидывания (2) Датчик лобового столкновения (3) Датчик бокового удара (4) Датчик бокового удара (5) Датчик бокового удара ВНИМАНИЕ - датчики подушек безопасности Не ударяйте и не позволяйте никаким предметам воздействовать на места, где подушки безопасности или датчики установлен. Это может вызвать...

Kia Cadenza YG 2016-2023 Руководство по техническому обслуживанию: Ремонт ремня безопасности переднего сиденья


Замена Замена переднего ремня безопасности • При установке ремня следите за тем, чтобы не повредить натяжитель. 1. Сначала удалите следующие элементы: • Сборка переднего сиденья (См. группу BD - "Переднее сиденье") • Перед и зад делают...