Kia Forte: дверные зеркала с электроприводом / переключатель дверных зеркал с электроприводом

Киа Kia Forte 2019-2023 (БД) Руководство по ремонту / Электрическая система кузова / Зеркала с электроприводом / Переключатель дверного зеркала с электроприводом

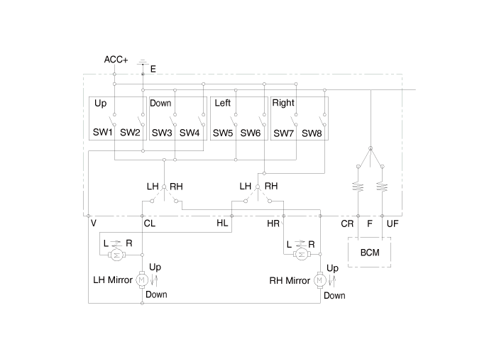
Принципиальные диаграммы
Разъем и функция терминала

Приколоть
Функция
1
Земля
2
-
3
Зеркало складное
4
-
5
Переключатель складывания зеркал
6
Левое зеркало общее
7
Левое зеркало горизонтальное
8
Зеркало вертикальное
9
Правое зеркало горизонтальное
10
Правое зеркало общее
11
-
12
АКК

Принципиальная электрическая схема

Процедуры ремонта
осмотр
1.

Снимите обивку передней двери.

(См. Кузов — «Облицовка передней двери»)

2.

Проверьте целостность цепи между клеммами в каждом положении переключателя в соответствии с к столу.

[Переключатель зеркала с электроприводом]

[Складной переключатель]

Удаление
1.

Снимите обивку передней двери.

(См. Кузов — «Облицовка передней двери»)

2.

Снимите переключатель зеркал с электроприводом (A), потянув за оба конца переключателя. держатель.

Монтаж
1.

Установите в порядке, обратном снятию.

Зеркала с электроприводом
Компоненты и расположение компонентов Расположение компонента [4ДР] 1. Наружное зеркало с электроприводом 2. Выключатель зеркал заднего вида с электроприводом 3. Переключатель электропривода складывания зеркал. ...
Привод дверного зеркала с электроприводом
Принципиальные диаграммы Разъем и функция терминала Процедуры ремонта осмотр 1. Отсоедините отрицательную (-) клемму аккумуляторной батареи. 2. ...
Дополнительная информация:

Kia Forte 2019-2023 (BD) Руководство по техническому обслуживанию: Подсветка туалетного столика


Процедуры ремонта Удаление 1. Отсоедините отрицательную (-) клемму аккумуляторной батареи. 2. Снимите линзу комнатного светильника (А) с помощью отвертки или съемника. 3. Отсоедините разъем лампы в туалетном столике (А). ...

Kia Forte 2019-2023 (BD) Руководство по эксплуатации: Управление устойчивостью автомобиля (ВСМ)


Эта система обеспечивает дальнейшее улучшения устойчивости автомобиля реакции рулевого управления, когда автомобиль едет по скользкой дороге или транспортное средство обнаруживает изменения коэффициента трения между правыми колеса и левые колеса при торможении. ВНИМАНИЕ - Шина/ Размер колеса При замене...