Kia Sorento: Engine Control Module (ECM) Circuit Diagram - Engine Control System - Engine Control / Fuel System - Kia Sorento XM 2011-2023 Service Manual Kia Sorento: Схема блока управления двигателем (ECM)

XM второго поколения (2011-2023 гг.) / Kia Sorento XM 2011-2023 Руководство по ремонту / Управление двигателем/топливная система / Система управления двигателем / Схема блока управления двигателем (ECM)

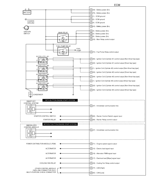
Клемма ECM и входной/выходной сигнал
Функция терминала ЕСМ Соединитель [C300-A] Приколоть Нет. Описание Подключен к 1 Выход управления катушкой зажигания (цилиндр №2) [НЕ умный ке...
Снятие модуля управления двигателем (ECM)
1. Выключите зажигание и отсоедините отрицательный (-) аккумулятор. кабель. 2. Отсоедините разъем блока ЕСМ (А). ...
Смотрите также:

Компоненты ботинок BJ
1. Сборка БЖ 2. Стопорное кольцо BJ 3. Ремешок для обуви BJ 4. Сапоги для минета 5. Лента динамического демпфера 6. Динамический демпфер 7. Вал 8. Ремешок для ботинок TJ 9. Ботинок TJ 10. Паук в сборе ...

Масляный гидравлический двигатель (привод) Установка
1. Перед установкой протрите поверхность чистой тряпкой. 2. Проверьте уплотнительные кольца (А) нового гидромотора (привода). ...

Проверка коленчатого вала
1. Проверьте масляный зазор подшипника коленчатого вала. (1) Чтобы проверить масляный зазор между коренным подшипником и шейкой, снимите коренной крышки и подшипник...