Kia Soul EV: вход без ключа / процедуры ремонта

Kia Soul EV (PS EV) 2015-2020 Руководство по техническому обслуживанию / Электрическая система кузова / Вход без ключа / Процедуры ремонта

осмотр
Проверка модуля замка передней двери
1.
Снимите обивку передней двери.
(См. Кузов — «Облицовка передней двери»)
2.
Снимите модуль передней двери.
(См. Кузов — «Модуль передней двери»)
3.
Отсоедините разъемы от привода.

4.
Проверьте работу привода, подключив питание и массу. согласно табл. Чтобы предотвратить повреждение привода, используйте батарею. напряжение только на мгновение.

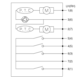
[Центральный замок]

5.
Проверьте целостность цепи между клеммами в каждом положении переключателя в соответствии с таблицей.

Проверка модуля замка задней двери
1.
Снимите обивку задней двери.
(См. Кузов — «Облицовка задней двери»)
2.
Снимите модуль задней двери.
(См. Кузов — «Модуль задней двери»)
3.
Отсоедините разъемы от привода.

4.
Проверьте работу привода, подключив питание и массу. согласно табл. Чтобы предотвратить повреждение привода, используйте батарею. напряжение только на мгновение.

[Центральный замок]

5.
Проверьте целостность цепи между клеммами в каждом положении переключателя в соответствии с таблицей.

Проверка модуля замка задней двери
1.
Снимите обшивку задней двери.
(См. Кузов — «Отделка задней двери»)
2.
Отсоедините разъем 4P от привода.

3.
Проверьте работу привода, подключив питание и массу. согласно табл. Чтобы предотвратить повреждение привода, используйте батарею. напряжение только на мгновение.

Переключатель открытия задней двери
1.
Снимите обшивку задней двери.
(См. Кузов — «Отделка задней двери»)
2.
Отсоедините разъем от привода.

3.
Проверьте целостность цепи между клеммами в каждом положении переключателя в соответствии с таблицей.

Компоненты и расположение компонентов
Расположение компонента 1. BCM и радиочастотный приемник2. Ключевой выключатель предупреждения3. Привод и переключатель замка передней двери4. Привод и переключатель замка задней двери5. Переключатель открытия багажника ...
Система освещения
...
Дополнительная информация:

Kia Soul EV (PS EV) 2015-2020 Руководство по обслуживанию: Общая информация


Общая служебная информация Защита автомобиля Всегда накрывайте крылья, сиденья и пол перед началом работы. Опорный стержень должен быть вставлен в отверстие рядом с краем капота всякий раз, когда вы осматриваете моторный отсек, чтобы предотвратить ...

Kia Soul EV (PS EV) 2015-2020 Руководство по обслуживанию: Описание и работа


Описание Система управления высоковольтной батареей Система управления высоковольтной батареей состоит из ЭБУ BMS, PRA и он контролирует SOC (состояние заряда), вывод, поиск и устранение неисправностей, балансировка аккумуляторных ячеек, охлаждение, подача питания и отключение. Узел силового реле (PRA) состоит из главного реле ...