Kia Stinger: Контроллер/блок управления отопителем

Kia Stinger CK 2018-2023 Руководство по ремонту / Отопление, вентиляция, кондиционирование / Контроллер / Блок управления отопителем

Описание и работа
Описание

Умная вентиляция

Это система, которая активно вентилирует, когда влажность внутри пассажира салоне увеличивается при выключенном кондиционере.

1.

Условия входа

а.

Кондиционер ВЫКЛ.

б.

Когда влажность повышается

в.

Скорость автомобиля 25 км/ч (15,5 миль/ч) или более

д.

Настройка интеллектуальной системы вентиляции ВКЛ.

2.

Условия выпуска

а.

Кондиционер включен

б.

Настройка AVN ВЫКЛ.

в.

Скорость автомобиля менее 15 км/ч (9,3 мили/ч)

д.

Настройка интеллектуальной системы вентиляции ВЫКЛ.

3.

Эксплуатационные характеристики

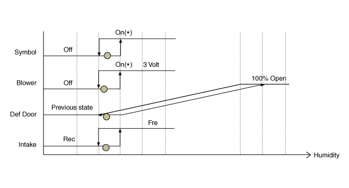
При повышении влажности в салоне система ниже будут активированы в следующем порядке.

а.

Переключение REC → FRE и подсветка символа («УМНАЯ ВЕНТИЛЯЦИЯ ВКЛЮЧЕНА»)

б.

Дверца размораживания внутри нагревателя постепенно открывается в соответствии с к повышению влажности в салоне.

в.

Вентилятор активирован. (Работает при 3,0 В)

Нажатие кнопки REC/FRE во время работы активирует режим REC и переключится в режим FREE через 3 минуты.

Когда автомобиль стоит [менее 15 км/ч (9,3 мили/ч)], он не будет работать из-за притока выхлопных газов дым.

Не диагностируйте это состояние как проблему, потому что вентилятор слабо вращается, хотя это кондиционер состояние «ВЫКЛ.».

Компоненты и расположение компонентов
Компоненты

Функция контактов разъема

[Разъем А]

Контакт №
Функция
Контакт №
Функция
1
Привод управления режимами (F/B)
21
Привод управления режимом (VENT)
2
Впускной привод (F/B)
22
Привод управления режимом (DEF)
3
Привод контроля температуры со стороны пассажира (F/B)
23
Впускной привод (FRE)
4
Привод контроля температуры со стороны водителя (F/B)
24
Впускной привод (REC)
5
Активатор автоматического предотвращения запотевания (F/B)
25
Привод контроля температуры со стороны пассажира (COOL)
6
-
26
Привод контроля температуры со стороны пассажира (ТЕПЛО)
7
Автомобильный датчик (+)
27
Привод контроля температуры со стороны водителя (COOL)
8
Левый фотодатчик (-)
28
Привод контроля температуры со стороны водителя (WARM)
9
Правый фотодатчик (-)
29
Активатор автоматического предотвращения запотевания (ОТКРЫТ)
10
Привод контроля температуры консоли (F/B)
30
Активатор автоматического предотвращения запотевания (ЗАКРЫТО)
11
Активатор включения/выключения консоли (F/B)
31
-
12
Консольный переключатель (F/B)
32
-
13
Сигнал автоматического предотвращения запотевания
33
-
14
Датчик температуры окружающей среды (+)
34
P МОЖЕТ НИЗКИЙ
15
Датчик температуры испарителя (+)
35
Р МОЖЕТ ВЫСОКАЯ
16
-
36
-
17
Привод контроля температуры консоли (COOL)
37
-
18
Привод контроля температуры консоли (WARM)
38
-
19
Привод ВКЛ/ВЫКЛ консоли (ОТКРЫТ)
39
-
20
Привод ВКЛ/ВЫКЛ консоли (ЗАКРЫТО)
40
Земля

[Разъем Б]

Контакт №
Функция
Контакт №
Функция
1
Земля
13
Земля
2
Заземление датчика
14
ЭКВ (-)
3
ПТ (ВОРОТА)
15
ЭКВ (+)
4
Дренаж полевого транзистора (F/B)
16
-
5
Двигатель вентилятора (+)
17
-
6
-
18
Сигнал включения PTC
7
-
19
Реле PTC 2
8
-
20
Реле PTC 3
9
Датчик REF (5В)
21
-
10
-
22
ЛИН БУС
11
-
23
IGN1
12
Батарея (+)
24
IGN2

Процедуры ремонта
Замена
1.

Отсоедините отрицательную (-) клемму аккумуляторной батареи.

2.

Снимите корпус перчаточного ящика.

(См. Кузов — «Корпус перчаточного ящика»)

3.

Снимите душевой канал (А) после ослабления винта.

4.

Отсоедините разъемы блока управления отопителем (А).

5.

Снимите блок управления отопителем (В), предварительно ослабив винты.

6.

Установите в порядке, обратном снятию.

Блок управления отопителем и кондиционером (DATC)
Компоненты и расположение компонентов Компоненты Функция контактов разъема Соединитель А Контакт № Функция Контакт № Функция ...
Обогреватель
...
Дополнительная информация:

Руководство по эксплуатации Kia Stinger CK 2018-2023: Замена лампы фонаря заднего хода


1. Откройте заднюю дверь. 2. Снимите сервисную крышку с обеих сторон (со стороны водителя и со стороны пассажира). 3. Снимите гайки с заднего комбинированного фонаря с обеих сторон (со стороны водителя и пассажира). сторона). 4. Отсоедините разъем от заднего комбинированного фонаря с обеих сторон (со стороны привода). и со стороны пассажира)...

Kia Stinger CK 2018-2023 Service Manual: Датчик детонации (KS)


Технические характеристики Спецификация Элемент Спецификация Емкость (пФ) 850 - 1150 Сопротивление (МОм) прибл. 1 Описание и работа Описание Стук – явление характерное...