Kia Stinger: привод отопителя/регулятора режимов

Kia Stinger CK 2018-2023 Руководство по ремонту / Отопление, вентиляция, кондиционирование / Обогреватель / Привод управления режимами

Описание и работа
Описание

Расположенный в блоке отопителя исполнительный механизм управления режимами регулирует положение дверь режимов, приводя в действие привод управления режимами в соответствии с сигналом от блок управления кондиционером.

Нажатие переключателя выбора режима переключает привод управления режимом в порядке Вентиляционный → Двухуровневый → Пол → Микс.

Процедуры ремонта
осмотр
1.

Выключите зажигание.

2.

Отсоедините разъем привода управления режимами.

3.

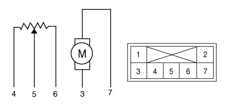
Убедитесь, что исполнительный механизм управления режимами работает в режиме оттаивания, когда 12 В подключается к клемме 3, а земля к клемме 7.

Убедитесь, что исполнительный механизм управления режимами работает в режиме вентиляции, когда подключен в обратном порядке.

1. -
2. -
3. Режим вентиляции
4. Датчик (+5В)
5. Сигнал обратной связи
6. Масса датчика
7. Режим разморозки

4.

Подсоедините разъем привода управления режимами.

5.

Включите зажигание.

6.

Проверьте напряжение между клеммами 5 и 6.

Спецификация

Положение двери
Напряжение (В)
Обнаружение ошибки
вентиляция
0,3 ± 0,15
Низкое напряжение: 0,1 В или меньше
Высокое напряжение: 4,9 В или меньше
Разморозка
4,7 ± 0,15

Текущее положение привода будет отправлено на блок управления.

7.

Если измеренное напряжение не соответствует спецификации, замените на проверенный исполнительный механизм контроля температуры и проверьте правильность его работы.

8.

Замените исполнительный механизм управления режимами, если доказано, что есть проблема с этим.

Замена
1.

Отсоедините отрицательную (-) клемму аккумуляторной батареи.

2.

Снимите рулевую колонку и вал.

(См. Система рулевого управления — «Рулевая колонка и вал»)

3.

Отсоедините разъем (А) и снимите привод управления режимами. (B) после ослабления винтов.

4.

Установите в порядке, обратном снятию.

Привод контроля температуры
Описание и работа Описание Блок отопителя состоит из исполнительного механизма управления режимами и исполнительного механизма регулирования температуры. Расположенный в нагревательном блоке исполнительный механизм регулирования температуры ...
Привод автоматического предотвращения запотевания
Описание и работа Описание Установленный на лобовом стекле, датчик автозапотевания оценивает и отправляет сигнал выдуть ветер для предотвращения запотевания в случае появления влаги. Воздушное ко...
Дополнительная информация:

Kia Stinger CK 2018-2023 Руководство по техническому обслуживанию: Подлокотник задний задний


Компоненты и расположение компонентов Расположение компонента 1. Подлокотник заднего сиденья Процедуры ремонта Замена Наденьте перчатки, чтобы защитить руки. ...

Kia Stinger CK 2018-2023 Руководство по техническому обслуживанию: Лючок бензобака


Компоненты и расположение компонентов Расположение компонента 1. Датчик открытия лючка топливного бака 2. Привод открывания лючка топливного бака ...