Kia Stinger: активатор отопителя/автоматического обогревателя

Kia Stinger CK 2018-2023 Руководство по ремонту / Отопление, вентиляция, кондиционирование / Обогреватель / Привод автоматического предотвращения запотевания

Описание и работа
Описание

Установленный на лобовом стекле, датчик автозапотевания оценивает и отправляет сигнал выдуть ветер для предотвращения запотевания в случае появления влаги. Управление кондиционером модуль получает сигнал от датчика и удерживает влагу и исключает запотевание приводом впуска, кондиционером, приводом автоматического предотвращения запотевания, частотой вращения двигателя вентилятора и режимом привод.

Процедуры ремонта
осмотр
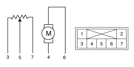
1.

Выключите зажигание.

2.

Отсоедините разъем автоматического предотвращения запотевания.

3.

Убедитесь, что привод автоматического предотвращения запотевания работает в открытом положении. при подключении 12 В к клемме 4 и заземлению клеммы 6.

Убедитесь, что привод автоматического предотвращения запотевания работает в закрытом положении. при подключении наоборот.

1. -
2. -
3. Открыть
4. Датчик REF (+5В)
5. Сигнал обратной связи
6. Масса датчика
7. Закрыть

4.

Подсоедините разъем привода автоматического предотвращения запотевания.

5.

Включите зажигание.

6.

Проверьте напряжение между клеммами 5 и 6.

Спецификация

Положение двери
Напряжение (В)
Обнаружение ошибки
Защита от запотевания ВЫКЛ. (закрыть)
4,7 ± 0,15
Низкое напряжение: 4,9 В или меньше
Защита от запотевания включена (открыто)
0,90 ± 0,15
Высокое напряжение: 0,7 В или меньше

Текущее положение привода будет отправлено на блок управления.

7.

Если измеренное напряжение не соответствует спецификации, замените на заведомо исправный привод автоматического предотвращения запотевания и проверьте правильность его работы.

8.

Замените активатор автоматического предотвращения запотевания, если доказано, что проблема существует. с этим.

Замена
1.

Отсоедините отрицательную (-) клемму аккумуляторной батареи.

2.

Снимите корпус перчаточного ящика.

(См. Кузов — «Корпус перчаточного ящика»)

3.

Снимите душевой патрубок со стороны пассажира (А), предварительно ослабив винт.

4.

Снимите аспиратор.

5.

Отсоедините разъем (А), а затем снимите привод автоматического предотвращения запотевания. (B) после ослабления винтов.

6.

Установите в порядке, обратном снятию. Отопление, вентиляция и вентиляция Кондиционирование

Привод управления режимами
Описание и работа Описание Расположенный в блоке отопителя исполнительный механизм управления режимами регулирует положение дверь режима, управляя исполнительным механизмом управления режимом в соответствии с ...
Привод контроля температуры консоли
Процедуры ремонта осмотр 1. Выключите зажигание. 2. Отсоедините разъем привода управления режимами. 3. Проверить т...
Дополнительная информация:

Kia Stinger CK 2018-2023 Service Manual: Индикаторы и датчики


Компоненты и расположение компонентов Компоненты Стандартный тип («3,5 дюйма») Тип Super Vision («7 дюймов») Информация о выводах разъема Нет. Описание Нет. Описание ...

Kia Stinger CK 2018-2023 Руководство по техническому обслуживанию: Задний стабилизатор поперечной устойчивости


Процедуры ремонта Удаление 1. Снимите колесные гайки, колесо и шину (А) со ступицы. Момент затяжки: 107,9–127,5 Н·м (11,0–13,0 кгс·м, 79,6–94,0 фунт·фут) ...