Kia Stonic: ESC-System (Elektronische Stabilitätssteuerung) / Vorderrad-Drehzahlsensor

Ремонт Kia Stonic (YB) / Бремсанлаге / Система ESC (Elektronische Stabilitätssteuerung) / Датчик Vorderrad-Drehzahlsensor

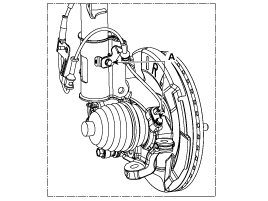
Bauteile und bauteile-Übersicht
BAUTEILE-ÜBERSICHT

1. Сенсоры Stecker des Raddrehzahlsensors другие ссылки
2. Датчик Vorderraddrehzahl

Репаратурверфарен
Аусбау
1.

Vorderräder und -reifen abmontieren.

Anzugsdrehmoment.

107,9 ~ 127,5 Нм (11,0 ~ 13,0 кгм)

2.

Schraube (A) lösen, dann den Raddrehzahlsensor abtrennen.

Anzugsdrehmoment:

7,8 ~ 11,8 Нм (0,8 ~ 1,2 кгм)

3.

Die Vorderräder entfernen.

(Siehe Karosserie - "Вордерер Радкастен")

4.

Steckverbinder (A) des Raddrehzahlsensors abziehen.

5.

Der Einbau erfolgt in der umgekehrten Reihenfolge des Ausbaus.

ПРЮФУНГ
1.

Die Ausgangsspannung zwischen der Klemme des Raddrehzahlsensors und Karosseriemasse мессен.

Zum Schutz des Raddrehzahlsensors beim Messen der Ausgangspannung muss ein 100 Ω Widerstand wie dargestellt benutzt werden.

2.

Die änderung des Ausgangsspannung des Raddrehzahlsensors mit der normalen änderung der Ausgangsspannung vergleichen, wie nachfolgend dargestellt.

V_niedrig: 0,59 В ~ 0,84 В

В_хоч: 1,18 В ~ 1,68 В

Frequenzbereich: 1 ~ 2500 Гц

ESC-Steuergerät
Bauteile und bauteile-Übersicht BAUTEILE-ÜBERSICHT 1. ESC-Steuermodulsteckverbinder 2. ESC-Steuergät 3. ESC-Halterung Репаратурверфарен ...
Hinterrad-Drehzahlsensor
Bauteile und bauteile-Übersicht BAUTEILE-ÜBERSICHT Репаратурверфарен Аусбау 1. Hinterräder und -reifen abmontieren. Анцугсдрехмоме ...
Дополнительная информация:

Kia Stonic (YB) Reparaturanleitung: Технические данные


Überprüfen. überprüfen. Батей СПЕЦИФИКАЦИЯ МОТОРХАУБЕ Тип Hinten angeschlagen, Gasdruckfeder ВОРДЕТУР БАУВАЙЗ vorn angeschlagen, Rahmentürkonstruktion ...