Kia Stonic: система Elektrisch verchromter Innenrückspiegel / Wegfahrsperre

Ремонт Kia Stonic (YB) / Elektrisch verchromter Innenrückspiegel / Wegfahrsperrensystem

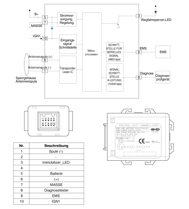
Schematische darstellungen
Шальтплан

Beschreibung und bedienung
Beschreibung

Die Wegfahrsperre blockiert das Fahrzeug so lange, bis der richtige Zündschlüssel вервендет вирд; zusätzlich zu den momentan erhältichen Diebstahlschutzsystemen wie я.Б. Alarmanlagen soll die Wegfahrsperre dazu beitragen, die Diebstahlrate drastisch цу сенкен.

1.

Транспондер (TP) — IMMO ECU-Communikation

ТП-Леспротоколл

(1)

IMMO_ECU nach IGN Ein (или CPU Reset-Annullierung) wird als Anforderungssignal TP gesendet und Seriennummer sowie Signatur лучший

(2)

Wenn die Antwort des Eingabetransponders nicht correkt ist, wird умереть Эйнгабе Видерхольт.

(3)

Wenn die Antwort des Eingabetransponders correkt ist, werden die Daten, die durch den Verschlüsselungsvorgang im EEPROM-Programm berechnet wurden, mit den vom TP empfangenen Daten verglichen.

Wenn die Codes übereinstimen, ist die Eingabe abgeschlossen.

Wenn die Codes nicht übereinstimmen, wird die Eingabe so lange fortgesetzt, bis die Codes übereinstimen.

(4)

Код IMMO_ECU EEPROM не запрограммирован, но исправлен Транспондер eingegeben wird (CRC-Prüfung OK), wird die Eingabe be bedet.

(5)

Nach IGN1 Ein (CPU-Reset-Annullierung) лежит на IMMO_ECU макс. 5 Маль ден Транспондеркод

(6)

Wenn IGN1 ON & EMS_state=verriegelt beim Empfang von ANKNOWLEDGE, Wird TP с новой аутентификацией

2.

Транспондер/ЭБУ IMMO/Аутентификация EMS

ФУНКЦИИ КОМПОНЕНТОВ

PCM (Antriebsstrang-Steuermodul)

1.

Das PCM (ECM) (A) prüft den Zündschlüssel durch einen speziellen Verschlüsselungsalgorithmus, der im Transponder und im PCM (ECM) programmiert ist. Нур бей глейхем Эргебнис kann der Motor gestartet werden. Alle fahrzeugspezifischen Daten der Transponder werden im PCM (ECM) gespeichert.

ERN (Verschlüsselte Zufallszahl)-Wert zwischen EMS und verschlüsselter SMARTRA-Einheit wird geprüft und die Gültigkeit des codierten Schlüssels от EMS entschieden.

VERSCHLÜSSELTE Wegfahrsperren-Einheit (А)

Die Kommunikation mit der Wegfahrsperre erfolgt über den in den Schlüssel eingebauten Транспондер. Die drahtlose Kommunikation läuft auf RF (Funkfrequenz von 125 kHz). Die Wegfahrsperre ist Hinter dem Armaturenbrett in der Nähe des Querträgers montiert.

Das von der Antennenspule empfangene Funksignal wird von der Wegfahrsperren-Einheit in Meldungen für die serielle Kommunikation umgewandelt. Die vom PCM (ECM) empfangenen Meldungen werden in ein Funksignal umgewandelt, das über die Antenne zum Transponder übertragen wird.

Die WEGFAHRSPERRE führt keine Gültigkeitsprüfung durch und berechnet auch nicht den Verschlüsselungsalgorithmus. Diese Vorrichtung ist nur eine Schnittstelle, умереть умереть empfangenen Transpondersignale в серии Daten zum PCM (ECM) und umgekehrt умвандельт.

ТРАНСПОНДЕР (им Schlüssel энгебаут)

Der Transponder verfügt über einen speziellen Algorithmus (Rechenregel). Веренд des Anlernens eines Schlüssels werden fahrzeugspezifische Daten im Transponderspeicher абгелегт. Dieser Speichervorgang kann nur ein einziges Mal durchgeführt werden. Aus diesem Grund kann der Inhalt eines Transponderspeichers danach niemals mehr geändert oder modifiziert werden.

[Hauptklappsschlüssel]

[Ersatz-Masterschlüssel]

АНТЕННЕНСПУЛЕ

Die Antennenspule (A) шляпа умирает folgenden Funktionen.

Die Antennenspule versorgt den Transponder mit Energie.

Die Antennenspule empfängt ein Signal vom Transponder.

Die Antennenspule sendet ein Transpondersignal и die Wegfahrsperre.

Sie befindet sich direkt vor dem Lenkradschloss.

Репаратурверфарен
АНЛЕРНВЕРФАРЕН
1.

SCHLÜSSELPROGRAMMIERUNG

Das Verfahren zum Anlernen von Schlüsseln muss von der Werkstatt nach dem Ersetzen eines schadhaften PCM(ECM) oder zum Anlernen neuer bzw. zusätzlicher Schlüssel angewendet werden.

Das Verfahren beginnt mit einer PCM (ECM)-Anfrage des Testers nach den fahrzeugspezifischen Daten (PIN-код: 6-stellig) vom Tester. Das "Noch nicht Programmierte" PCM (ECM) speichert die fahrzeugspezifischen Daten, und die Schlüsselprogrammierung kann beginnen. Das "Programmierte" PCM(ECM) vergleicht die vom Tester gesendeten fahrzeugspezifischen Daten mit den gespeicherten Дата. Wenn die Daten richtig sind, kann die Schlüsselprogrammierung begonnen Верден.

Wenn 3-mal ein falscher Benutzer-Passcode oder falsche fahrzeugspezifischen Daten das PCM (ECM) übertragen werden, sperrt das PCM (ECM) die Anlernprozedur для 1 Stunde. Diese Zeitspanne kann weder durch Abklemmen der Batterie noch durch eine andere Манипуляция verkürzt werden. Nach dem Wiederanschließen der Batterie beginnt der Zeitgeber die Stunde von neuem.

Die Schlüsselprogrammierung erfolgt bei eingeschalteter Zündung mit zusätzlichen Testerbefehlen. Параметры PCM (ECM) соответствуют данным EEPROM и EEPROM. Транспондер. Danach verifiziert das PCM (ECM) den Speichervorgang. Венн das Ergebnis positiv ist, sendet es eine entsprechende Bestätigung an das Диагностика.

Wenn das PCM (ECM) einen schon zuvor angelernten Schlüssel erkennt, wird die Gültigkeit akzeptiert und die EEPROM-Speicherdaten werden aktualisiert Der Transponderspeicher bleibt unverändert (Dies ist bei einem programmierten Транспондер nicht möglich).

Versuche, einen in demselben Anlernzyklus bereits angelernten Schlüssel nochmals anzulernen, werden vom PCM (ECM) erkannt. Der Schlüssel wird abgelehnt und das ECM sendet eine entsprechende Nachricht и das Diagnosegerät.

Auch Versuche, ungültige Schlüssel anzulernen, werden vom PCM (ECM) erkannt унд abgelehnt. Es wird eine entsprechende Nachricht an das Diagnosegerät гезендет. Der Schlüssel kann ungültig sein, wenn der Transponder fehlerhaft ist oder andere Gründe/Daten vorliegen, die ein erfolgreiches Anlernen des Schlüssels unmöglich machen. Wenn das PCM (ECM) Unterschiede zwischen den Berechtigungsdaten im PCM und im Transponder erkennt, wird der Schlüssel abgelehnt

Es können maximal 4 Schlüssel angelernt werden.

Tritt im Service-Menü der Wegfahrsperre ein Fehler auf, bleibt der PCM(ECM)-Status unverändert und ein spezifischer Fehlercode wird gespeichert.

Stimmen PCM(ECM)-Status und Schlüsselstatus beim Anlernen der Schlüssel nicht überein, stoppt der Prüfvorgang und ein spezifischer Fehlercode wird им PCM (ECM) gespeichert.

Beim Anlernen des ersten Schlüssels, wird Smartra gleichzeitig регистр.

(1)

PCM(ECM)-Анлернстатус

(2)

Noch nicht angelernter PCM(ECM)-Статус

Nach dem Austausch des "PCM(ECM)" zeigt das KDS an, dass sich das PCM (ECM) im ursprünglichen Zusstand im Schlüsselprogrammiermodus бефиндет.

Der Status"UNPROGRAMMIERT" bedeutet, dass dem PCM (ECM) noch kein PIN-код zugeordnet wurde.

2.

Verfahren zum Anlernen des 4-stelligen Benutzer-Passcodes

Das Benutzerpasswort für begrenzte Aufhebung wird in der Kundendienstwerkstätte программист Der Fahrzeugeigentümer kann eine vierstellige Nummer wählen.

Die Programmierung des Benutzer-Passcodes ist nur für ein "angelerntes" PCM (ECM) мощный. Vor dem ersten Anlernen des Benutzer-Passcodes ist der Состояние PCM (ECM) «не запрограммировано». Die Limp Home-Funktion kann nicht ангевендет верден.

Das Verfahren beginnt damit, dass die Zündung mit einem gültigen Transponderschlüssel (programmierter Schlüssel) eingeschaltet wird und dass der Benutzer-Passcode über das Diagnosegerät gesendet wird. Nach erfolgreicher erster Anlernprozedur des Benutzer-Passcodes ändert sich der Status von 'unprogrammiert' nach 'ангелернт'.

Ein angelernter Passcode kann auch wieder geändert werden. Dies ist möglich, solange der Status "Angelernt" lautet. Um die Zugangsberechtigung zu erhalten, mit dem Diagnosegerät entweder den alten Passcode oder die spezifischen Fahrzeugdaten das ECM senden. Wenn die Zugangsberechtigung erkannt wurde, Передайте PCM (ECM) den neuen Passcode an. Danach bleibt der Status "Ангелернт" лучший и новый Benutzer-Passcode ist gültig.

Wenn 3-mal hintereinander oder kurzzeitig unterbrochen ein falscher Benutzer-Passcode oder falsche fahrzeugspezifischen Daten das PCM (ECM) übertragen werden, sperrt das PCM (ECM) die Anfrage nach Änderung des Passcodes für 1 Stunde. Diese Zeitspanne kann weder durch Abklemmen der Batterie noch durch eine andere Манипуляции verkürzt werden. Nach dem Wiederanschließen der Batterie beginnt der Zeitgeber die Stunde von neuem.

(1)

Anlernen eines Benutzer-пароли

(2)

Ändern des Benutzer-Пароли

Notlaufregelung
1.

'LIMP HOME'-FUNKTION (NOTSTART) MIT DEM DIAGNOSEGERÄT

Erkennt das PCM (ECM) einen Defekt des SMARTA oder Transponders, Läßt das PCM (ECM) die Limp Home-Funktion der Wegfahrsperre zu. Die Limp Home-Функция kann nur aktiviert werden, wenn zuvor der Benutzer-пароль (4-stellig) das PCM (ECM) ausgegeben wurde. Dieser Passcode wird vom Fahrzeughalter gewählt und in der Servicestation Programmiert.

Der Benutzer-Passcode kann über das spezielle Diagnosegerät-Menü zum PCM (ECM) übertragen werden.

Nur wenn das PCM (ECM) und der Benutzer-Passcodestatus "Angelernt" und der Passcode correkt sind, wird das PCM (ECM) kurzfristig (30 s) enriegelt. Der Motor lässt sich nur während dieser Zeit starten. Нах Аблауф Дизер Zeitspanne kann der Motor nicht mehr gestartet werden.

Wird ein falscher Benutzer-Passcode gegeben, ist das PCM (ECM) eine Stunde lang für die Anforderung der Limp Home-Funktion gesperrt. Дизе Цайтспанне kann weder durch Abklemmen der Batterie noch durch eine andere Манипуляция verkürzt werden. Nach dem Wiederanschließen der Batterie zählt der Zeitgeber erneut eine Stunde.

2.

LIMP HOME-FUNKTION MIT DEM ZÜNDSCHLÜSSEL

Der Notstart kann auch mit dem Zündschlüssel aktiviert werden. Der Benutzer-Пароль kann durch eine bestimmte Zündein-/ausschaltfolge in das PCM (ECM) eingegeben Верден.

Нужна информация о PCM (ECM) и коде доступа Benutzer-Passcodestatus "angelernt" и der Passcode correkt sind, wird das PCM (ECM) kurzfristig (30 s) enriegelt.

Der Motor lässt sich nur während dieser Zeit starten. Нах Аблауф Дизер Zeitspanne kann der Motor nicht mehr gestartet werden. Nach der erneuten Eingabe des Passcodes entsperrt der Timer das PCM erneut für 30 Sekunden, in denen der Motor angelassen werden kann.

Nach Ausschalten der Zündung wird das PCM (ECM) 8 Sekunden nach Ablauf des Zeitgebers gesperrt. Für den nächsten Start muss der Benutzer-Passcode erneut eingegeben werden.

AUS- И EINBAU

ПРОБЛЕМА И ЭКЗАЦТЕЙЛ:

ПРОБЛЕМА
Эрзацтейль
KDS/GDS erforderlich?
Alle Schlüssel verloren
Новый Шлюссель (4)
JA
Антенные спирали не функционируют
Антенненспуле
НЕЙН
Функциональность ECM отсутствует
ПКМ (ЭБУ)
JA
Zündschloss Fehlerhaft
Zündschalter mit Antennenspuleneinheit
JA
Spezifische Fahrzeugdaten werden nicht erkannt/identifiziert
Шлюссель, ПКМ (ECM)
JA
SMARTRA-Einheit не функциональна
СМАРТРА-ЭЙНХАЙТ
JA

АВТОМАТИЧЕСКИЙ КОНТРОЛЬ ЭБУ UND DER SMARTRA-EINHEIT

Im Falle eines Defekts des ECM muss die Einheit durch ein "leres" oder "neutrales" ECM ersetzt werden. In das neue ECM müssen alle Schlüssel einprogrammiert werden. Schlüssel, die nicht in das ECM Programmiert werden, sind für das neue ECM ungültig (Siehe Verfahren zur Schlüsselprogrammierung). Die spezifischen Fahrzeugdaten müssen aufgrund der einzigartigen Transponderprogrammierung unverändert bleiben.

Bei einem defekten SMARTRA muss eine Neuprogrammierung durchgeführt werden. Дас alte SMARTRA wird einfach durch das neue ersetzt, das dann programmiert wird.

1.

Vor dem Ersetzen zu beachtenden Punkte (PCM (ECM))

2.

Vor dem Ersetzen zu beachtenden Punkte (Schlüssel & zusätzliche Registrierung)

1)

Wenn nur ein Schlüssel registriert ist und wenn ein weiterer Schlüssel registriert werden soll, поэтому muss der bereits registrierte Schlüssel erneut registriert werden.

2)

Венн Шлюссель Nr. 1 registriert ist und der Hauptschlüssel номер 2 nicht registriert ist, muss Schlüssel Nr. 1 в дас Zündschloss oder in die Startposition gesteckt und dann wieder abgezogen werden. Der Motor kann auch mit dem nicht registrierten Schlüssel Nr. 2 gestartet werden.

(Dabei ist zu beachten, dass der Schlüssel Nr. 2 innerhalb von 10 Sekunden nach Abziehen von Schlüssel Nr. 1 вервендет Верден Мусс)

3)

Венн Шлюссель Nr. 1 registriert ist und Schlüssel Nr. nicht, den nicht registrierten Schlüssel Nr. 2 в дас Zündschloss задайте порядок в исходной позиции.

Der Motor kann selbst mit dem registrierten Schlüssel номер 1 ночь gestartet werden.

4)

Beim Untersuchen des Wegfahrsperrensystems siehe die Обиген Капитель 1, 2 и 3.

Stets an den 10-Sekunden-Bereich denken.

5)

Wenn der Pin-Code & das Passwort drei Mal hintereinander falsch eingegeben werden, ist das System eine Stunde lang gesperrt.

6)

Vorsichtig vorgehen, damit sich die Transponderbereiche nicht überschneiden.

7)

Probleme können beim Registrieren des Schlüssels oder beim Starten des Fahrzeugs auftreten, wenn sich die Transponder суперлаппен.

НЕЙТРАЛИЗИРУЮЩИЙ ДЕЗ ЕСМ

Das PCM (ECM) kann über ein Diagnosegerät "neutralisiert" werden.

Ein angelernter Zündschlüssel wird eingesteckt und nach Speichern des Zündvorgangs fordert das PCM (ECM) die fahrzeugspezifischen Daten vom Diagnosegerät an. Die Kommunikationsmeldungen werden im "Neutralisierungsmodus" beschrieben. Nach erfolgreichem Datenempfang wird das PCM (ECM) нейтрализует.

Das ECM bleibt gesperrt. Die Limp Home-Funktion sowie die Für "Zweimaliges" Anlassen" werden vom PCM (ECM) nicht akzeptiert.

Das Anlernen der Schlüssel entspricht der Vorgehensweise für ein unprogrammiertes ПКМ (ЕСМ). Die fahrzeugspezifischen Daten müssen aufgrund der eindeutigen Programmierung транспондеры unverändert werden. Wenn Daten geändert werden sollen, müssen neue Schlüssel mit einem noch nicht programmierten Transponder verwendet werden.

Mit dieser Funktion werden PCM (ECM) und Schlüssel нейтрализует. z.B) Bei Verlust des Schlüssels das PCM (ECM) нейтрализует и передает данные Schlüssel anlernen.

(Siehe Vorgehensweise zur Einstellung von Schlüssel и PIN-код PCM (ECM) в "Neutral-Status" mit Hilfe eines Scanners. Wenn 3-mal nacheinander oder kurzzeitig unterbrochen falsche fahrzeugspezifischen Daten an die SMARTRA-Einheit übertragen werden, blockiert die SMARTRA-Einheit die Anfrage nach Aktivierung des Neutralmodus für eine Stunde. Diese Zeitspanne kann weder durch Abklemmen der Batterie noch durch eine andere Манипуляция verkürzt werden. Nach dem Wiederanschließen der Batterie beginnt der Zeitgeber die Stunde von Neuem.

Neutralisieren der Einstellbedingung

Bei "angelerntem" PCM (ECM) ohne Rücksicht auf den Status des Benutzer-Passcodes "unprogrammiert oder angelernt".

Корректировка PIN-кода с помощью сканера.

Neutralisieren der Bedeutung

: Löschen von PIN-Code (6) & Benutzerpasswort (4).

: Sperren des ECM (außer bei genehmigter Schlüsselprogrammierung)

Neutralisieren der Bedeutung;

Löschen von PIN-Code (6) & Benutzerpasswort (4)

Sperren des ECM (außer bei genehmigter Schlüsselprogrammierung)

СМАРТРА НЕЙТРАЛИЗИРУЕТ

Das ECM kann über ein Diagnosegerät "neutralisiert" werden.

Zündschlüssel (unabhängig vom Schlüsselstatus) ist eingesteckt und Zündung eingeschaltet. Nach Empfang des correkten Fahrzeug-Passwords vom GST, kann die SMARTRA-Einheit нейтрализовать верден. Die Neutralisierung der SMARTRA-Einheit ist möglich, wenn der DPN und der vom GST eingegebene Wert übereinstimmen.

Нейтральный статус Wenn der SMARTRA-Status, bleibt das EMS verriegelt. Дер Мотор Канн auch durch "doppelte Zündung" nicht gestartet werden.

Bei Änderung des Fahrzeug-Passwords muss ein neuer Sensor benutzt werden. Эйн neuer Schlüssel kann erst nach Programmieren des Fahrzeug-Passwords verwendet werden.

Wenn 3-mal nacheinander oder kurzzeitig unterbrochen falsche fahrzeugspezifische Daten die SMARTRA-Einheit übertragen werden, blockiert die SMARTRA-Einheit die Anfrage nach Aktivierung des Neutralmodus für eine Stunde. Diese Zeitspanne kann weder durch Abklemmen der Batterie noch durch eine andere Manipulation verkürzt Верден. Nach dem Anschließen der Batterie beginnt der Zeitgeber die Stunde von neuem.

Neutralisieren der Einstellbedingung;

Im Falle von "SMARTRA-Status", "Learn"

Корректируйте PIN-код с помощью тестера.

Neutralisieren der Bedeutung

Löschen von Fahrzeug-Passworth (код DPN) и код SEK

Genehmigung der neuen DPN-Programmierung

Зюндшальтер
Репаратурверфарен ПРЮФУНГ 1. Den Schlüsselwarnshalter-Steckverbinder (A) и den Zündschaltersteckverbinder (B) фон дер Lenksäule abziehen. ...
Вегфарсперре
Репаратурверфарен Аусбау 1. Аккумуляторная батарея. 2. Aufprallpolster-Hauptteil ausbauen. (Siehe Karosserie - "Hauptarmaturenbrett&q...
Дополнительная информация:

Kia Stonic (YB) Reparaturanleitung: Калибровка радаров для Toter-Winkel-Kollisionswarnung (BCW)


Репаратурверфарен ПРЮФУНГ Ausrichtung der BCW-Einheit 1. Bei Fahrzeugen, deren Hinterer Stoßfänger bei einem Unfall beschädigt wurde, sowie Fahrzeugen, bei denen die BCW-Einheit ersetzt wurde, muss die Ausrichtung der BCW-Einheit mit dem KDS durchgeführt w ...