Kia Cee'd: Система стояночного тормоза / Электронный стояночный тормоз (EPB) Принципиальные схемы

Руководство по ремонту Kia Cee'd JD. / Тормозная система / Стояночная тормозная система / Электронный стояночный тормоз (EPB) Принципиальные схемы

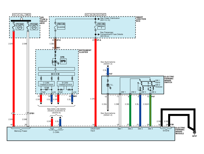
Схема EPB (1)

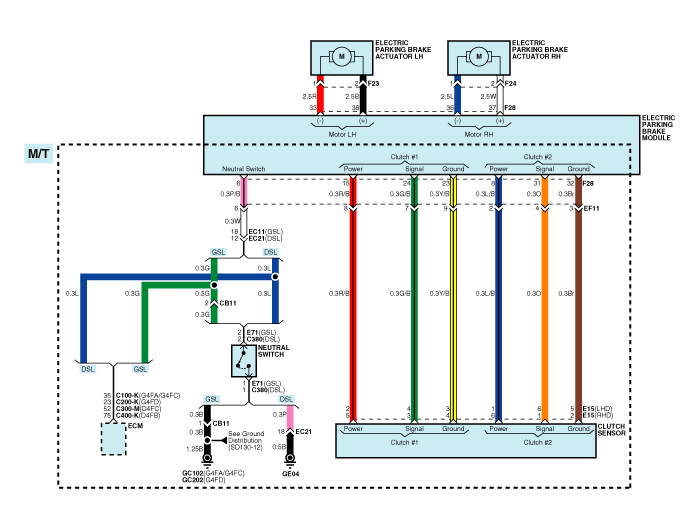
Схема EPB (2)

Вход/выход разъема EPB

Пин №
Функция
Пин №
Функция
1
CAN_High
21
Переключатель стояночного тормоза 3
2
CAN_Низкий
22
-
3
-
23
Масса сцепления 1 (только МКПП)
4
-
24
Выходной сигнал 1 (только МТ)
5
-
25
-
6
Нейтральный переключатель (только МТ)
26
-
7
-
27
Переключатель стояночного тормоза 2
8
Мощность сцепления 2
28
-
9
-
29
Переключатель стояночного тормоза 4
10
-
30
-
11
-
31
Выходной сигнал 2 (только MT)
12
-
32
Масса сцепления 2 (только МКПП)
13
-
33
Мотор заднего левого суппорта -
14
-
34
Земля
15
Мощность сцепления 1 (только МКПП)
35
Земля
16
-
36
Мотор заднего правого суппорта -
17
-
37
Мотор заднего правого суппорта +
18
Зажигание 1
38
Мотор заднего левого суппорта +
19
Переключатель стояночного тормоза 1
39
Мощность заднего правого двигателя
20
-
40
Мощность заднего левого двигателя

Электронный стояночный тормоз (EPB) Описание и работа
Описание EPB — это электронный стояночный тормоз. EPB отличается от существующих парковочных систем, которые работают с тормозом. педального или рычажного типа. Система EPB se ...
Электронный стояночный тормоз (EPB) Процедуры ремонта
Удаление 1. Выключите зажигание и отсоедините отрицательный (-) кабель аккумуляторной батареи. 2. Снимите напольную консоль в сборе. (Ссылаться на ...
Дополнительная информация:

Руководство по обслуживанию Kia Cee'd JD: Процедуры ремонта заливной горловины в сборе
Удаление 1. Поднимите автомобиль. 2. Отсоедините заливной шланг (А), выравнивающий шланг (В) и вентиляционную шланг (С). 3. Откройте лючок топливного бака, а затем снимите горловину заливной горловины. ...

Руководство по обслуживанию Kia Cee'd JD: Процедуры ремонта гибкого рулевого управления
осмотр 1. Проверьте переключатель дистанционного управления аудиосистемой (A) на наличие сопротивления между клеммами. в каждом положении переключателя. Выключатель Соединительный терминал Сопротивление (±5%) ...

avtotema.org