Kia Optima: Активатор отопителя/автоматической защиты от запотевания

Руководство по ремонту и обслуживанию Kia Optima DL3 2019-2023 гг. / Отопление, вентиляция, кондиционирование / Обогреватель / Привод автоматического предотвращения запотевания

Компоненты и расположение компонентов
Расположение компонентов

1. Привод автоматической регистрации


Описание и работа
Описание

Датчик автозапотевания установлен на переднем стекле. Датчик оценивает и посылает сигнал, если появляется влага, чтобы выдуть ветер для предотвращения запотевания. Кондиционер модуль управления получает сигнал от датчика и удерживает влагу и устраняет защита от запотевания приводом впуска, кондиционером, приводом автоматического предотвращения запотевания, частотой вращения двигателя вентилятора и исполнительный механизм режима.

Процедуры ремонта
осмотр
1.

Выключите зажигание.

2.

Отсоедините разъем автоматического предотвращения запотевания.

3.

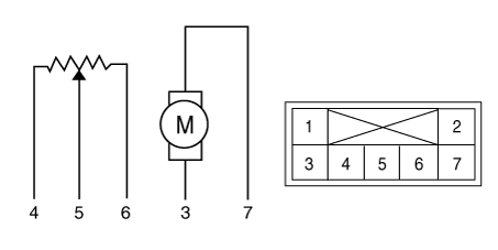
Убедитесь, что привод автоматического предотвращения запотевания работает в открытом положении. при подключении 12 В к клемме 3 и заземлению клеммы 7.

Убедитесь, что привод автоматического предотвращения запотевания работает в закрытом положении. при подключении наоборот.

1. -
2. -
3. ДЕФ (открытый)
4. Датчик (+5В)
5. Сигнал обратной связи
6. Заземление датчика
7. ДЭФ (Закрыть)

4.

Подсоедините разъем привода автоматического предотвращения запотевания.

5.

Включите зажигание.

6.

Проверьте напряжение между клеммами 4 и 5.

Он будет отображать текущее положение привода. к элементам управления.

Спецификация

Положение двери
Напряжение (В)
Обнаружение ошибки
Защита от запотевания включена (открыто)
0,5 ± 0,15 В
Низкое напряжение: 0,7 В или меньше
Защита от запотевания ВЫКЛ. (закрыть)
4,5 ± 0,15 В
Высокое напряжение: 4,9 В или меньше

7.

Если измеренное напряжение не соответствует спецификации, проверьте работу путем замены существующего актуатора автоматического предотвращения запотевания новой оригинальной деталью. После этого определите, нужна ли замена актуатора автообдува требуется или нет.

Замена
1.

Отсоедините отрицательную (-) клемму аккумуляторной батареи.

2.

Снимите основную подушку безопасности в сборе.

(См. раздел «Кузов» — «Главная аварийная подушка в сборе»)

3.

Разъедините разъем (А), ослабьте крепежные винты и снимите активатор автоматического предотвращения запотевания (B).

4.

Для установки выполните процедуру удаления в обратном порядке.

Привод управления режимами
Компоненты и расположение компонентов Расположение компонентов 1. Привод управления режимами Описание и работа Описание Привод управления режимом ...
воздуходувка
...
Дополнительная информация:

Руководство по ремонту и обслуживанию Kia Optima DL3 2019-2023: Рулевой редуктор


Компоненты и расположение компонентов Компоненты 1. Рулевое управление коробка передач 2. Наконечник рулевой тяги ST 3. Пыль кепка Процедуры ремонта Удаление 1. Выровняйте руль так, чтобы передние колеса смотрели прямо вперед.убрать ...

Руководство по эксплуатации Kia Optima DL3 2019-2023: Розетка


■ Переднее сиденье ■ Заднее сиденье Розетка предназначена для подачи питания на мобильные телефоны или другие устройства, предназначенные для работы с бортовой сетью автомобиля. Устройства должны потреблять менее 10 ампер при работающем двигателе. Используйте розетку только при работающем двигателе...