Kia Optima: Актуатор отопителя/режима управления

Руководство по ремонту и обслуживанию Kia Optima DL3 2019-2023 гг. / Отопление, вентиляция, кондиционирование / Обогреватель / Привод управления режимами

Компоненты и расположение компонентов
Расположение компонентов

1. Привод управления режимами

Описание и работа
Описание

Привод управления режимами расположен на блоке отопителя.

Он регулирует положение дверцы режимов, управляя исполнительным механизмом управления режимами. по сигналу блока управления кондиционером. Нажатие переключателя выбора режима делает привод управления режимами переключается в следующем порядке: Вентиляция → Двухуровневый → Пол → Смес.

Процедуры ремонта
осмотр
1.

Выключите зажигание.

2.

Отсоедините разъем привода управления режимами.

3.

Убедитесь, что исполнительный механизм управления режимами работает в режиме оттаивания, когда подключение 12 В к клемме 3 и заземление клеммы 7.

Убедитесь, что исполнительный механизм управления режимами работает в режиме вентиляции, когда подключен в обратном порядке.

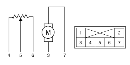
1. -
2. -
3. Режим разморозки
4. Масса датчика
5. Сигнал обратной связи
6. Питание датчика (+5В)
7. Режим вентиляции

4.

Подсоедините разъем привода управления режимами.

5.

Включите зажигание.

6.

Проверьте напряжение между контактами 6 и 5.

Он будет отображать текущее положение привода. к элементам управления.

Спецификация

Положение двери
Напряжение (В)
Обнаружение ошибки
вентиляция
0,5 ± 0,15 В
Низкое напряжение: 0,1 В или меньше
Разморозка
4,5 ± 0,15 В
Высокое напряжение: 4,9 В или более

7.

Если измеренное напряжение не соответствует спецификации, проверьте работу путем замены существующего исполнительного механизма управления режимами на новую оригинальную деталь. После этого определить целесообразность замены исполнительного механизма управления режимами. требуется или нет.

Замена
1.

Отсоедините отрицательную (-) клемму аккумуляторной батареи.

2.

Снимите основную подушку безопасности в сборе.

(См. раздел «Кузов» — «Главная аварийная подушка в сборе»)

3.

Разъедините разъем (А), ослабьте крепежные винты и снимите исполнительный механизм управления режимами (B).

4.

Для установки выполните процедуру удаления в обратном порядке.

Привод контроля температуры
Компоненты и расположение компонентов Расположение компонентов 1. Привод контроля температуры [левый] 2. Привод контроля температуры [Правый] Описание и...
Привод автоматического предотвращения запотевания
Компоненты и расположение компонентов Расположение компонентов 1. Привод автоматической регистрации Описание и работа Описание Автозапотевание с ...
Дополнительная информация:

Руководство по ремонту и обслуживанию Kia Optima DL3 2019-2023: Датчик положения коленчатого вала (CKPS)


Описание и работа Описание • Датчик положения коленчатого вала (CKPS) определяет положение коленчатого вала и является одним из важнейших датчиков системы управления двигателем. • При отсутствии входного сигнала CKPS топливо не подается. Т...

Руководство по ремонту и обслуживанию Kia Optima DL3 2019-2023: Автоматическая коробка передач


Сервисные данные Сервисные данные Автоматическая коробка передач Элемент Спецификация Модель коробки передач А6МФ1-2 Инженерная модель G 2.0 MPI (бензин) Тип гидротрансформатора 3-элементный, 1-ступенчатый, 2-фазный ...