Kia Picanto: Тормозная система/ABS (антиблокировочная система тормозов)

Руководство по ремонту и обслуживанию Kia Picanto JA 2017-2023 гг. / Тормозная система / ABS (антиблокировочная тормозная система)

Компоненты и расположение компонентов
Компоненты

1. Блок управления АБС (HECU)
2. Датчик скорости переднего колеса
3. Датчик скорости заднего колеса

Описание и работа
Описание
Этот Спецификация относится к HCU (гидравлическому блоку управления) и ECU (электронному блоку управления). Блок управления) HECU.(Гидравлический и электронный блок управления)
Эта спецификация предназначена для проектирования проводки и установки ЭБУ АБС.
Этот блок имеет следующие функции.
Ввод сигнала от датчиков скорости вращения колес, прикрепленных к каждому колесу.
Контроль тормозной силы.
Отказоустойчивая функция.
Функция самодиагностики.
Интерфейс с внешним диагностическим тестером.
Место установки: моторный отсек
Длина тормозной трубки от порта главного цилиндра до впускного порта HECU должна быть макс. 1м
Положение не должно быть близко к блоку двигателя и не ниже колеса.
Операция
ЭБУ должен быть приведен в действие включением рабочего напряжения (IGN).
По завершении фазы инициализации ЭБУ должен быть готов к работе.
В рабочем состоянии, ЭБУ должен быть готов в течение указанного пределы (напряжение и температура), для обработки сигналов, предлагаемых различные датчики и переключатели в соответствии с алгоритмом управления определяется программным обеспечением и для управления гидравлической и электрической приводы.
Обработка сигнала датчика колеса
ЭБУ должен получать сигнал скорости вращения колеса от четырех активных колесных датчиков.
сигналы колеса преобразуются в сигнал напряжения сигналом схема кондиционирования после получения сигнала тока от активного колеса датчиков и подаются на вход MCU.
Электромагнитный клапан управления
Когда одна сторона катушки клапана подключена к положительному напряжению, т.е. обеспечивается через реле клапана, а другая сторона подключена к заземлен полупроводниковой цепью, электромагнитный клапан переходит в операция.
Электрическая функция катушек всегда контролируется тестовым импульсом клапана при нормальных условиях эксплуатации.
Пределы напряжения
Перенапряжение
При обнаружении перенапряжения (выше 16,8 В) ЭБУ отключает реле клапана и отключает систему.
Когда напряжение возвращается в рабочий диапазон, система возвращается в нормальное состояние после фазы инициализации.
Пониженное напряжение
При понижении напряжения (ниже 9,3 В) управление АБС блокируется и включается контрольная лампа.
Когда напряжение возвращается в рабочий диапазон, контрольная лампа гаснет, и ЭБУ возвращается в нормальный режим работы.
Проверка двигателя насоса
ЭБУ выполняет проверку электродвигателя насоса на скорости 30 км/ч один раз после включения зажигания.
Диагностический интерфейс
Неудачи обнаруженные ЭБУ, кодируются в ЭБУ, сохраняются в EEPROM и считываются диагностическим оборудованием при включении зажигания.
диагностический интерфейс также можно использовать для тестирования ЭБУ во время производства ECU и для приведения в действие HCU (линия выпуска воздуха или Линия испытаний на крен и торможение).
Модуль сигнальной лампы

1.
Контрольная лампа АБС
Контрольная лампа активной АБС указывает на самопроверку и состояние отказа АБС. Контрольная лампа АБС должна гореть:
Во время фазы инициализации после IGN ON. (непрерывно 3 секунды).
В случае торможения работы АБС по отказу.
В режиме диагностики.
Когда разъем ECU отделен от ECU.
2.
Контрольная лампа EBD/стояночного тормоза
активная сигнальная лампа EBD указывает на самопроверку и состояние отказа ЭБД. Однако, если переключатель стояночного тормоза включен, EBD сигнальная лампа всегда включена независимо от функций EBD. EBD контрольная лампа должна гореть:
Во время фазы инициализации после IGN ON. (непрерывно 3 секунды).
Когда переключатель стояночного тормоза включен или уровень тормозной жидкости низкий.
Когда функция EBD вышла из строя.
В режиме диагностики.
Когда разъем ECU отделен от ECU.
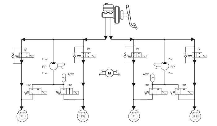
Управление АБС
1.
Обычное торможение без ABS

Впускной клапан (IV)
Выпускной клапан (ОВ)
Обратный насос
Операция
Открыть
Закрывать
ВЫКЛЮЧЕННЫЙ

IV : Впускной клапан
ОВ: выпускной клапан
RL : Заднее левое колесо
FR : Переднее правое колесо
FL: переднее левое колесо
RR : Заднее правое колесо
РП: Обратный насос
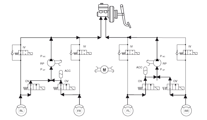
2.
Режим уменьшения

Впускной клапан (IV)
Выпускной клапан (ОВ)
Обратный насос
Операция
Закрывать
Открыть
ВКЛ (управление скоростью двигателя)

IV : Впускной клапан
ОВ: выпускной клапан
RL : Заднее левое колесо
FR : Переднее правое колесо
FL: переднее левое колесо
RR : Заднее правое колесо
РП: Обратный насос
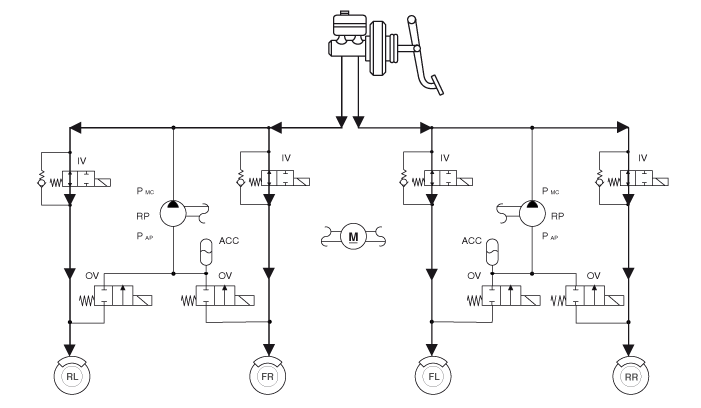
3.
Режим удержания

Впускной клапан (IV)
Выпускной клапан (ОВ)
Обратный насос
Операция
Закрывать
Закрывать
ВКЛ (управление скоростью двигателя)

IV : Впускной клапан
ОВ: выпускной клапан
RL : Заднее левое колесо
FR : Переднее правое колесо
FL: переднее левое колесо
RR : Заднее правое колесо
РП: Обратный насос
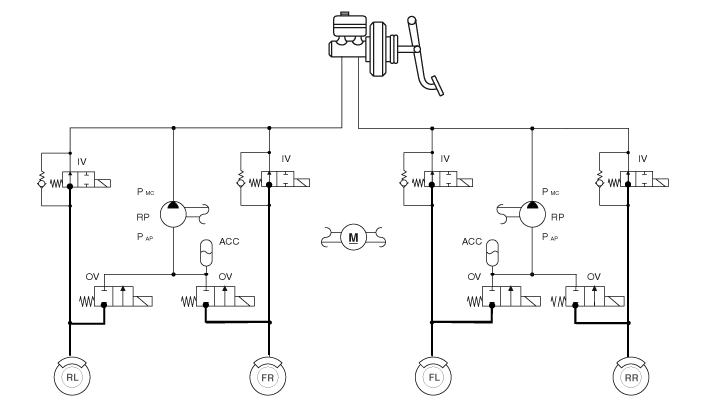
4.
Режим увеличения

Впускной клапан (IV)
Выпускной клапан (ОВ)
Обратный насос
Операция
Открыть
Закрывать
ВКЛ (управление скоростью двигателя)

IV : Впускной клапан
ОВ: выпускной клапан
RL : Заднее левое колесо
FR : Переднее правое колесо
FL: переднее левое колесо
RR : Заднее правое колесо
РП: Обратный насос
Стояночная тормозная система
Компоненты и расположение компонентов Компоненты 1. Рычаг стояночного тормоза 2. Балансир в сборе 3. Трос заднего стояночного тормоза Процедуры ремонта Удаление Па ...
Блок управления АБС
Компоненты и расположение компонентов Компоненты 1. Разъем модуля управления АБС 2. Модуль управления АБС 3. Кронштейн АБС Процедуры ремонта Удаление 1.Выключите зажигание и отсоедините ...
Дополнительная информация:

Руководство по эксплуатации Kia Picanto JA 2017-2023: Замена предохранителя внутренней панели


1. Поверните ключ зажигания и все остальные выключается. 2. Откройте крышку панели предохранителей. 3. Вытащите предполагаемый предохранитель прямо вне. Используйте инструмент для удаления, предоставленный в главном блоке предохранителей в двигателе купе. 4. Проверить снятый предохранитель; замени это если он взорван. Запасные предохранители предоставляются ...

Руководство по ремонту и обслуживанию Kia Picanto JA 2017-2023: Блок цилиндров


Процедуры ремонта Разборка • Используйте накладки на крылья, чтобы не повредить окрашенные поверхности.• К избегайте повреждения головки блока цилиндров, подождите, пока охлаждающая жидкость двигателя температура падает ниже нормальной температуры (20°C [68 ...