Kia Picanto: электрическая система кузова / индикаторы и датчики

Руководство по ремонту и обслуживанию Kia Picanto JA 2017-2023 гг. / Электрическая система кузова / Индикаторы и датчики

Поиск неисправностей
Поиск неисправностей
Элемент ошибки
Симптом отказа
Пункты проверки
Подробные проверки
Соответствующие части/
Компоненты
Экранный дисплей
ЖК-экран не включается
1)
Соединительные приспособления
2)
Компоненты
1)
Проверьте крепления разъема
2)
Проверьте проводку B+, IGN и GND.
3)
Проверьте компоненты
Разъемы, проводка, предохранители, приборная панель
Предупреждающий свет
Неисправность контрольной лампы подушки безопасности
1)
Соединительные приспособления
2)
C-CAN
3)
Компоненты
1)
Проверить подушку безопасности + сигнал (разъемы)
2)
Проверьте сигнал C-CAN (ACU4)
3)
Проверьте вложение FPC внутри приборной панели.
Разъемы ACU, проводка, предохранители, приборная панель
Преобразование режима
Неисправность встроенного режима вождения
1)
Соединительные приспособления
2)
Выключатель
3)
Компоненты
1)
Проверьте вход переключателя (разъем)
2)
Проверьте входной сигнал переключателя
(обрыв или короткое замыкание)
3)
Проверьте преобразование с помощью компонента панели мониторинга
Разъем переключателя, проводка приборной панели
Освещение
Яркость внутреннего освещения не регулируется.
1)
Соединительные приспособления
2)
Выключатель
3)
Компоненты
1)
Проверьте, достигает ли входной сигнал выключателя света разъем
2)
Проверьте сигналы ILL- и DETENT
3)
Проверьте вход сигнала TAIL+
Разъем переключателя, проводка приборной панели
Предупреждающий звук
Нет сигнализации на приборной панели
1)
Соединительные приспособления
2)
Автомобильные динамики
3)
Компоненты
1)
Проверьте выходной разъем динамика
2)
Проверьте автомобильные динамики
Разъемы динамиков, проводка приборной панели
Индикатор топлива
Неверная индикация указателя уровня топлива
1)
Соединительные приспособления
2)
Датчик топлива
3)
Компоненты
1)
Проверьте вход топлива и разъемы GND.
(обрыв, короткое замыкание или значения входного сопротивления)
2)
Проверить датчик топлива
Разъем датчика уровня топлива, проводка приборной панели

Компоненты и расположение компонентов
Компоненты
[Стандартный тип ("2,6 дюйма")]

[Тип контроля («2,6 дюйма»)]

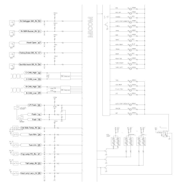
Информация о выводах разъема
Соединитель А


Нет.
Описание
Нет.
Описание
1
Земля
21
Выключатель отключения (-)
2
Освещение (-)
22
Выключатель 1 (+)
3
М/Т (положение «R»)
23
Выключатель 2 (+)
4
-
24
Лампа указателя поворота (правая)_Input
5
Дент
25
Лампа указателя поворота (левая)_Input
6
-
26
Фара ближнего света (+)_Input
7
-
27
Фара высокая (+)_Input
8
-
28
Тормозное масло switch_input
9
-
29
Кузов-CAN (низкий)
10
-
30
Кузов-CAN (высокий)
11
Immobilizer_Input
31
Генератор_выход
12
Скорость автомобиля_выход
32
Шасси-CAN (высокий)
13
Генератор_Ввод
33
Шасси-CAN (низкий)
14
Датчик топлива (+)_Input
34
Вне temp_Input
15
Скорость автомобиля_Ввод
35
FFV 5В (+)_выход
LPI Fuel_Input
16
Датчик топлива (-)_Input
36
-
17
Выключатель стояночного тормоза_Input
37
Земля
18
Подушка безопасности (+)_Ввод
38
Батарея LDC (+)_вход
19
Переключатель давления масла_Input
39
IGN1
20
Задний фонарь_Ввод
40
Батарея (+)

Соединитель Б


Нет.
Описание
Нет.
Описание
1
Передняя противотуманная фара (+)_Ввод
13
Выключатель вспомогательного ремня безопасности (-)_Input
2
Задний противотуманный фонарь (+)_Вход
14
Вспомогательный переключатель коврика сиденья (-)_Input
3
Переключатель задних противотуманок (-)_Input
15
Переключатель открытия люка (-)_Inpu
4
Переключатель открытия двери (-)_вход
16
Земля
5
Выключатель открытия двери со стороны водителя (-)_Input
17
-
6
Переключатель открытия багажника (-)_вход
18
Реле заднего обогревателя (-)_выход
7
Выключатель открытия капота (-)_вход
19
Реле переднего антиобледенителя (-)_выход
8
Ключ в переключателе (-)_Input
20
Индикатор вспомогательного ремня безопасности (-)_выход
9
Выключатель задних фонарей (-)_вход
21
Реле задних фонарей (-)_выход
10
Переключатель обогревателя заднего стекла (-)_вход
22
Задний индикатор SBR SYNC(-)_Output
11
Задний зуммер SBR (-)_вход
23
Ключ out_Input
12
Выключатель ремня безопасности водителя (-)_вход
24
-

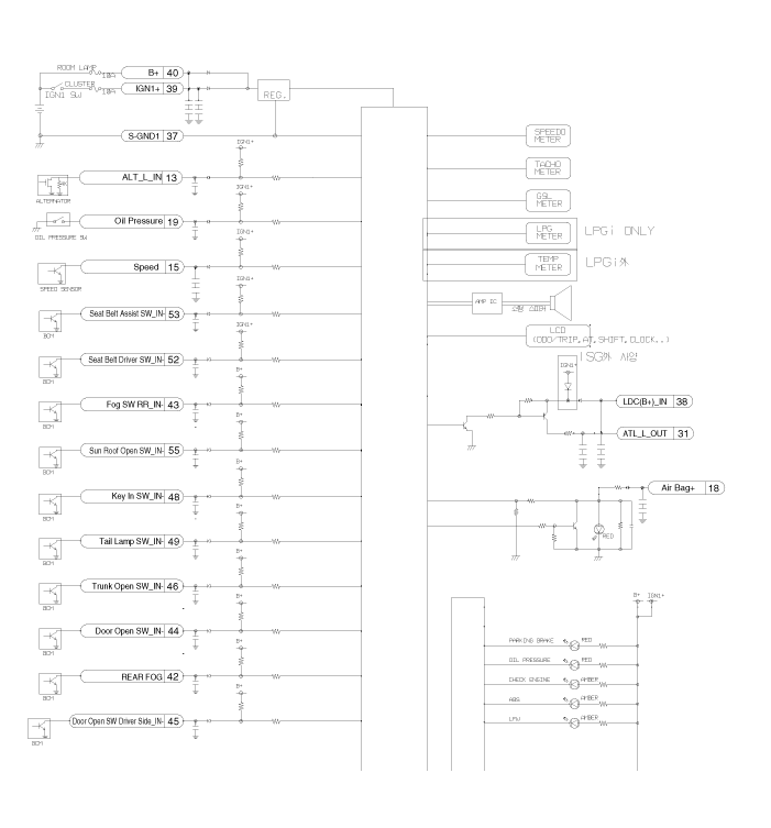
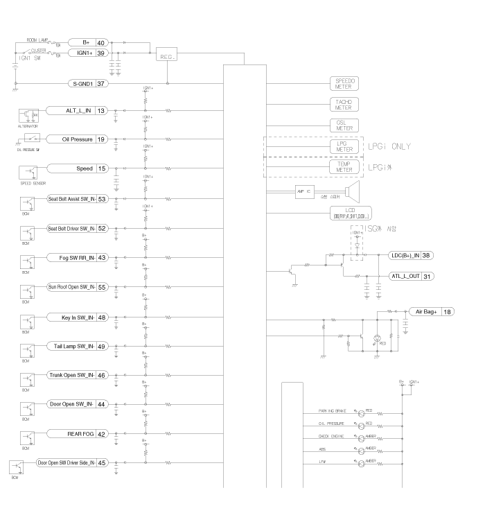
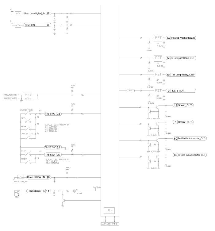
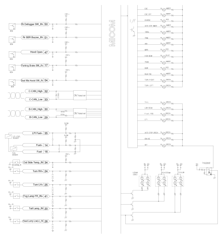
Принципиальные диаграммы
Принципиальная электрическая схема
[Общий стандарт]

[Общий надзор]

Описание и работа
Описание
Схема сети связи

Сокращение
Объяснение
АБС
Антиблокировочная тормозная система
АКУ
Блок управления подушками безопасности
АЕБ
Автономное экстренное торможение
B-CAN
Сеть контроллеров тела
млрд кубометров
Модуль управления кузовом
C-CAN
Локальная сеть контроллера шасси
КЛУ
Кластерный модуль
ДАТК
Двойной автоматический контроль температуры
скорая помощь
Система управления двигателем
ESC
Подвеска с электронным управлением
исполнительный вице-президент
Ева Вакуумный насос
I-BOX
Телематическая система
ЛПИ
Закачка жидкой нефти
H_U
Головное устройство (аудио/AVN)
M-CAN
Мультимедийная сеть контроллеров
МДПС
Рулевое управление с электроприводом
ПГС
Система помощи при парковке
УУЗР
Напоминание о ремне безопасности и модуль освещения
СМК
Блок смарт-ключа
ТКУ
Блок управления коробкой передач
ТМУ
Телематическая система
СКДП
Система контроля давления в шинах

Кодирование вариантов кластера
Как у нас есть больше опций (ESC, MDPS и т. д.) в машине, на приборной панели теперь есть дополнительная информация для отображения в зависимости от выбранных параметров.
По этой причине нам необходимо узнать, какие варианты есть у автомобиля при замене приборной панели.
К решить эту проблему, курс обучения на основе требуемого варианта для автомобиля при замене приборной панели.
Это называется вариантным кодированием.
Процедуры ремонта
Удаление
Наденьте перчатки, чтобы защитить руки.
При удалении с помощью плоской отвертки или съемника оберните инструменты защитной лентой, чтобы предотвратить повреждение компонентов.
1.
Отсоедините отрицательную (-) клемму аккумуляторной батареи.
2.
Снимите лицевую панель кластера.
(См. Кузов — «Приборная панель»)
3.
Отделите комбинацию приборов (А) после ослабления крепежных винтов.

4.
Снимите комбинацию приборов после отсоединения разъемов комбинации приборов (А).

Монтаж
1.
Установите кластер после подключения разъемов кластера.
2.
Установите лицевую панель кластера.
3.
Подсоедините отрицательную (-) клемму аккумуляторной батареи.
Выполните вариантное кодирование после замены комбинации приборов.
осмотр
1.
Контрольная точка (предупреждающий индикатор)
Условия неисправности и нормальные условия эксплуатации см. в руководстве пользователя.
НЕТ
Ссылочный символ
Имя
Цвет
Входной сигнал
Управление сигналом
Контрольно-пропускной пункт
1

Сигнал поворота (левый)
Зеленый
МОЖЕТ
млрд кубометров
(Шлюз)
1)
Многофункциональный переключатель
2)
млрд кубометров
3)
Сбой CAN
2

Сигнал поворота (правый)
Зеленый
МОЖЕТ
млрд кубометров
(Шлюз)
1)
Многофункциональный переключатель
2)
млрд кубометров
3)
Сбой CAN
3

Задний фонарь
Зеленый
МОЖЕТ
млрд кубометров
(Шлюз)
1)
Многофункциональный переключатель
2)
млрд кубометров
3)
Сбой CAN
4

Передний
Противотуманная фара
Зеленый
МОЖЕТ
млрд кубометров
(Шлюз)
1)
Многофункциональный переключатель
2)
млрд кубометров
3)
Сбой CAN
5

Задний противотуманный фонарь
Желтый
МОЖЕТ
млрд кубометров
(Шлюз)
1)
Многофункциональный переключатель
2)
млрд кубометров
3)
Сбой CAN
6

Ближний свет
Зеленый
МОЖЕТ
млрд кубометров
(Шлюз)
1)
Многофункциональный переключатель
2)
млрд кубометров
3)
Сбой CAN
7

Дальний свет
Синий
МОЖЕТ
млрд кубометров
(Шлюз)
1)
Многофункциональный переключатель
2)
млрд кубометров
3)
Сбой CAN
8

Главный символ
Желтый
МОЖЕТ
BSD
1)
BSD-система
2)
Сбой CAN
СКДП
1)
Система TPMS
2)
Сбой CAN
млрд кубометров
1)
Внешние лампы
2)
млрд кубометров
3)
Сбой CAN
Жесткая связь
Отправитель топлива
1)
Отказ датчика топлива
2)
Сбой проводки
Низкая шайба
1)
Датчик уровня омывающей жидкости
2)
Сбой проводки
Цифровой вход
Напоминания, когда сервис проверяет
9

Заряд батареи
Красный
МОЖЕТ
ЕСМ
1)
Система зарядки
2)
Сбой CAN
10

Давление масла
Красный
Жесткая связь
ЕСМ
1)
Система ЭБУ
2)
Жесткая связь
3)
Сбой CAN
11

Проверь двигатель
Желтый
МОЖЕТ
ЕСМ
1)
Система ЭБУ
2)
Сбой CAN
12

Иммобилайзер
Желтый
МОЖЕТ
млрд кубометров
(Шлюз)
1)
Система СМК
2)
млрд кубометров
3)
Сбой CAN
4)
Жесткая связь
13

Ручной тормоз
Тормозная жидкость
ЭБД
ЭПБ
Красный
МОЖЕТ
млрд кубометров
(Шлюз)
ЭБД
ЭПБ
АБС
ТКС
1)
млрд кубометров
2)
Система АБС
3)
Система EPB
4)
Сбой CAN
5)
Выключатель стояночного тормоза
6)
Датчик рычага тормозного масла
14

АБС
Желтый
МОЖЕТ
АБС
1)
Система АБС
2)
Сбой CAN
15

ESC
Желтый
МОЖЕТ
ТКС
1)
Система АБС
2)
Сбой CAN
16

ESC выкл.
Желтый
МОЖЕТ
ТКС
1)
Система АБС
2)
Сбой CAN
17

Ремень безопасности
Красный
МОЖЕТ
млрд кубометров
(Шлюз)
1)
млрд кубометров
2)
Сбой CAN
18

Воздушная подушка
Красный
МОЖЕТ
SRSCM
1)
Система SRSCM
2)
Сбой CAN
19

прибыль на акцию
(МДПС)
Красный
МОЖЕТ
МДПС
1)
Система блока MDPS
2)
МДПС Мотор
3)
Сбой CAN
20

СКДП
Желтый
МОЖЕТ
СКДП
1)
Система TPMS
2)
Датчик TPMS
3)
Сбой CAN
21

Предупреждение о топливе
Желтый
Прямой
(Миком)
Топливный сегмент
1)
Отказ датчика топлива
2)
Сбой проводки
22

Дверь открыта
Красный
МОЖЕТ
млрд кубометров
(Шлюз)
1)
млрд кубометров
2)
Сбой CAN
3)
Дверной датчик/переключатель
23

Багажник открыт
Желтый
МОЖЕТ
млрд кубометров
(Шлюз)
1)
млрд кубометров
2)
Сбой CAN
24

ЭКО
Зеленый
Жесткая связь
ЭКО-режим
1)
Система ЭБУ
2)
Сбой CAN
25

СПОРТ
Желтый
Жесткая связь
СПОРТ режим
1)
Система ЭБУ
2)
Сбой CAN
26

КРУИЗ
Зеленый
МОЖЕТ
ЕСМ
1)
Система ЭБУ
2)
Сбой CAN
27

НАБОР
Зеленый
МОЖЕТ
ЕСМ
1)
Система ЭБУ
2)
Сбой CAN
28

АЕБ
Желтый
МОЖЕТ
ССС
1)
Система АЕБ
2)
Сбой CAN
29

Охлаждающая вода
температура
Красный
МОЖЕТ
скорая помощь
1)
Система скорой медицинской помощи
2)
Сбой CAN
30

АВТО СТОП
Зеленый
Желтый
МОЖЕТ
ЕСМ
1)
ЕСМ
2)
Сбой CAN
31

ЛПИ
Зеленый
МОЖЕТ
ЛПИ
1)
Система LPI
2)
Сбой CAN

2.
КПП (датчик)
НЕТ
Имя
Входной сигнал
Управление сигналом
(Блок/датчик)
Контрольно-пропускной пункт
1
Спидометр
C-CAN
АБС/ESC
1. Система АБС
2. Отказ линии CAN
2
Тахометр
C-CAN
ЕСМ
1. ЕСМ
2. Отказ линии CAN
3
Температура охлаждающей воды
C-CAN
ЕСМ
1. ЕСМ
2. Отказ линии CAN
4
Топливо
Жесткий провод
Топливный шлифовальный станок
1. Неисправность датчика топлива
2. Неисправность проводки

Диагностика с помощью KDS/GDS
1.
В бортовой электросистеме неисправность можно быстро диагностировать с помощью диагностической системы автомобиля (KDS/GDS).
Диагностическая система (KDS/GDS) предоставляет следующую информацию.
(1)
Самодиагностика: проверка неисправности и кодового номера (DTC)
(2)
Текущие данные: проверка состояния входных/выходных данных системы.
(3)
Проверка срабатывания: Проверка состояния работы системы
(4)
Дополнительные функции: управление другими функциями, включая настройку параметров системы и регулировку нулевой точки.
2.
Выберите «Модель автомобиля» и «Кластерный модуль (CLU)» для проверки, чтобы проверить автомобиль с помощью тестера.
3.
Выберите меню «Текущие данные» для поиска текущего состояния входных/выходных данных.

4.
Чтобы принудительно активировать входное значение проверяемого модуля, выберите опцию «Проверка активации».

Вариантное кодирование CLU
После замены кластера на новый необходимо выполнить процедуру «Вариантное кодирование».
1.
Подсоедините кабель KDS/GDS к разъему канала передачи данных на нижней панели аварийной панели со стороны водителя, включите питание KDS/GDS.
2.
Выберите модель и «BCM».
3.
Выберите режим кодирования Variant для выполнения.

4.
Если коды неисправностей возникли при выполнении вариантного кодирования, попробуйте CLU вариант кодирования снова после проверки состояния установки CLU система.

Антенная катушка
Процедуры ремонта Удаление 1.Отсоедините отрицательную (-) клемму аккумуляторной батареи. 2. Снимите нижнюю панель аварийной подушки. (См. Кузов — «Нижняя панель аварийной площадки») 3.Снять рулевую...
Бесключевой доступ и охранная сигнализация
Технические характеристики Спецификация Элемент Спецификация Источник питания 3 В Рабочая температура от -22 до 167 °F (от -30 до 75 °C) Радиочастотная модуляция ...
Дополнительная информация:

Руководство по ремонту и обслуживанию Kia Picanto JA 2017-2023: Главный цилиндр


Компоненты и расположение компонентов Компоненты 1. Усилитель тормозов в сборе 2. Резервуар 3. Главный цилиндр Процедуры ремонта Удаление 1.Выключите зажигание и отсоедините отрицательную (-) клемму аккумуляторной батареи. 2. Снимите аккумулятор и отсек для аккумулятора. G 1,0 MPI (см. E ...

Руководство по ремонту и обслуживанию Kia Picanto JA 2017-2023: Каркас переднего сиденья в сборе


Компоненты и расположение компонентов Расположение компонента 1. Каркас спинки переднего сиденья в сборе 2. Каркас подушки переднего сиденья в сборе Процедуры ремонта Замена • Наденьте перчатки, чтобы защитить руки. • ...