Kia Picanto: дверные замки с электроприводом / модуль дверного замка с электроприводом

Руководство по ремонту и обслуживанию Kia Picanto JA 2017-2023 гг. / Электрическая система кузова / Замки с электроприводом / Модуль дверного замка с электроприводом

Компоненты и расположение компонентов
Компоненты

1. Трос ручки блокировки/разблокировки двери
2. Трос внутренней ручки двери
3. Дверная защелка в сборе

Процедуры ремонта
осмотр
При удалении с помощью плоской отвертки или съемника оберните инструменты защитной лентой, чтобы предотвратить повреждение компонентов.
При снятии элементов внутренней отделки используйте инструмент для снятия пластиковой панели, чтобы не повредить поверхность.
Соблюдайте осторожность при хранении и обращении с отделкой при снятии/установке, так как смазка и масло могут оставить пятна на отделке.
Проверка модуля замка передней двери
1.
Снимите обивку передней двери.
(См. Кузов — «Облицовка передней двери»)
2.
Снимите уплотнитель обивки передней двери.
(См. Кузов — «Оконное стекло передней двери»)
3.
Отсоедините разъем от привода.

4.
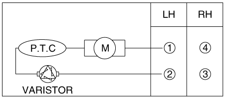
Проверять работа привода при подключении питания и заземления, как показано ниже. К Во избежание повреждения привода подавайте напряжение батареи только на мгновение.
[Разъем 6-контактный Тип]

[Разъем 4-контактный Тип]

[Разъем 2-контактный Тип]

Проверка модуля замка задней двери
1.
Снимите обивку задней двери.
(См. Кузов — «Облицовка задней двери»)
2.
Снимите уплотнитель обивки задней двери.
(См. Кузов — «Окно задней двери»)
3.
Отсоедините разъем от привода.

4.
Проверять работа привода при подключении питания и заземления, как показано ниже. К Во избежание повреждения привода подавайте напряжение батареи только на мгновение.
[Разъем 4-контактный Тип]

[Разъем 2-контактный Тип]

Проверка модуля замка задней двери
1.
Снимите обшивку задней двери.
(См. Кузов — «Отделка задней двери»)
2.
Отсоедините разъемы от привода.

3.
Проверять работа привода при подключении питания и заземления, как показано ниже. К Во избежание повреждения привода подавайте напряжение батареи только на мгновение.

4.
Проверка двери багажного отделения автомобиля с опцией питания относится к модулю двери багажного отделения.
Замки с электроприводом
Компоненты и расположение компонентов Расположение компонента 1. Переключатель стеклоподъемника со стороны водителя 2. Переключатель вспомогательного стеклоподъемника 3 . Кузовной блок управления (BCM) 4 . Ручка дверного замка 5 . Привод задней двери 6. ...
Выключатель дверного замка с электроприводом
Процедуры ремонта осмотр 1.Проверьте целостность цепи между клеммами. Если есть отклонения, замените переключатель. Удаление • ...
Дополнительная информация:

Kia Picanto JA 2017-2023 Руководство по эксплуатации: Табличка Jack


❈ Фактическая этикетка Джека в автомобиле может отличаться от иллюстрации. Для более подробные характеристики см. на наклейке, прикрепленной к домкрату. 1. Название модели 2. Максимально допустимая нагрузка 3. При использовании домкрата установите свой парковочный тормоз. 4. При использовании домкрата остановите двигатель. 5. ...

Kia Picanto JA 2017-2023 Руководство по ремонту и обслуживанию: Переключатель стеклоочистителя-омывателя ветрового стекла


Процедуры ремонта Удаление 1.Отсоедините отрицательную (-) клемму аккумуляторной батареи. 2. Снимите верхний и нижний кожухи рулевой колонки после ослабления винтов. (См. раздел «Кузов — «Кожух рулевой колонки») 3.Отсоедините разъем переключателя стеклоочистителя/выключателя омывателя (А). 4.Рем...