Kia Picanto: электрорегулировка сидений/обогрев сидений

Руководство по ремонту и обслуживанию Kia Picanto JA 2017-2023 гг. / Электрическая система кузова / Сиденье электрическое / Подогрев сидений

Компоненты и расположение компонентов
Расположение компонента

1. Блок обогрева сиденья
2. Обогрев спинки переднего сиденья
3. Подогрев подушки переднего сиденья.

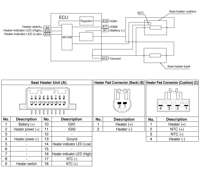
Принципиальные диаграммы
Принципиальная электрическая схема

Процедуры ремонта
осмотр
1.
Проверьте целостность цепи и измерьте сопротивление между клеммами № 1 и № 4.

Стандартное значение
Водитель / Ассистент (подушка + спина)
2,19 Ом ± 10%
2.
Работать подогрев сиденья после подключения разъема, а затем проверьте термостат путем измерения температуры поверхности сиденья.
Стандартное значение
1-й: подушка: 38±2°C, спинка: 45±2°C
2-й: подушка: 42±2°C, спинка: 50±2°C
Удаление
1.
Отсоедините отрицательную (-) клемму аккумуляторной батареи.
2.
Снимите переднее сиденье в сборе.
(См. Кузов — «Переднее сиденье в сборе»)
3.
Отсоедините разъем блока обогрева сиденья (А).

4.
Снимите блок обогрева сиденья (А), предварительно ослабив крепежные винты.

Монтаж
1.
Установите блок обогрева сиденья и подсоедините разъем.
2.
Установите переднее сиденье в сборе.
3.
Подсоедините отрицательную (-) клемму аккумуляторной батареи.
Сиденье электрическое
...
Выключатель обогрева сиденья
Компоненты и расположение компонентов Компоненты 1. Выключатель обогрева сиденья со стороны водителя 2. Выключатель обогрева сиденья со стороны пассажира Принципиальные диаграммы Принципиальная электрическая схема Процесс ремонта...
Дополнительная информация:

Руководство по ремонту и обслуживанию Kia Picanto JA 2017-2023: Сборка капота


Компоненты и расположение компонентов Расположение компонента 1. Капот в сборе Процедуры ремонта Замена Будьте осторожны, чтобы не повредить капот и кузов. • Работайте в группе из двух человек при снятии и установке ...

Руководство по ремонту и обслуживанию Kia Picanto JA 2017-2023: усилитель тормозов


Компоненты и расположение компонентов Компоненты 1. Усилитель тормозов в сборе 2. Резервуар 3. Главный цилиндр ...