Kia Rio: система смарт-ключей / блок смарт-ключей

Kia Rio 2017-2023 YB Руководство по ремонту / Электрическая система кузова / Система смарт-ключей / Блок смарт-ключа

Компоненты и расположение компонентов
Компоненты

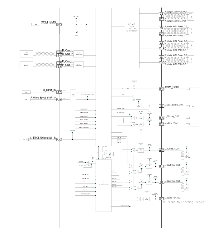
Информация о выводах разъема

Нет.
Соединитель А
Соединитель Б
Соединитель С
1
-
IGN2 Релейный_выход
Батарея (+)_Сигнал
2
SSB Switch1 signal_input
P-CAN (низкий)
-
3
внешняя ручка двери водителя switch_input
P-CAN (высокий)
Антенна иммобилайзера (питание)_выход
4
-
C-CAN (высокий)
Антенна на внешней ручке водителя (питание)_выход
5
-
C-CAN (низкий)
Антенна на внешней ручке пассажира (питание)_выход
6
-
SSB Янтарная подсветка_выход
Бамперная антенна (мощность)_выход
7
RPM Signal_input
-
Внутренняя антенна 1 (питание)_выход
8
Сигнал запуска Feedback_input
Подсветка SSB (+)_выход
Внутренняя антенна 2 (питание)_выход
9
IGN2
ESCL Enable_output
Внутренняя антенна 3 (питание)_выход
10
-
Батарея (+)Мощность
-
11
Реле стартера_выход
IGN1 Релейный_выход
-
12
Ground_Power1
ESCL (COM)
-
13
SSB Switch2 signal_input
Скорая помощь (COM)
ESCL_Ground (-)_output
14
Вспомогательная дверная ручка снаружи switch_input
-
Антенна иммобилайзера (земля)_выход
15
-
Подсветка SSB (-)_выход
Антенна на внешней ручке водителя (заземление)_выход
16
AT: "P" Positon_input
MT : Сцепление switch_input
Подсветка SSB (синяя)_выход
Подсветка SSB (красная)_выход
Антенна на внешней ручке пассажира (заземление)_выход
17
Разблокировка ESCL switch_input
-
Бамперная антенна (земля)_выход
18
Датчик скорости вращения колеса_вход
Внешний зуммер_выход
Внутренняя антенна 1 (земля)_выход
19
ACC Signal_input
-
Внутренняя антенна 2 (земля)_выход
20
IGN1
ESCL (+)_выход
Внутренняя антенна 3 (земля)_выход
21
Тормозной переключатель_вход

-
22
ACC Relay_output
Ground_Power2

Принципиальные диаграммы
Принципиальная электрическая схема

Процедуры ремонта
Удаление

Наденьте перчатки, чтобы не поранить руки.

Используйте инструмент для снятия пластиковой панели, чтобы удалить элементы внутренней отделки. не портя поверхность.

Будьте осторожны, чтобы не погнуть и не поцарапать обивку и панели.

Блок смарт-ключа

1.

Отсоедините отрицательную (-) клемму аккумуляторной батареи.

2.

Снимите перчаточный ящик.

(См. Кузов — «Перчаточный ящик»)

3.

Снимите блок смарт-ключа (B) после отсоединения разъемов (A).

4.

Снимите блок смарт-ключа (A) после ослабления крепежных гаек.

Интерьер 1 Антенна

1.

Отсоедините отрицательную (-) клемму аккумуляторной батареи.

2.

Снимите нагреватель и блок управления кондиционером.

(См. раздел «Отопление, вентиляция, кондиционирование воздуха» — «Управление обогревателем и кондиционером»). Блок (ручной)")

(См. раздел «Отопление, вентиляция, кондиционирование воздуха» — «Управление обогревателем и кондиционером»). Единица измерения (FATC)")

3.

Снимите внутреннюю антенну 1 (A) после ослабления крепежных винтов. и отсоединив разъем (В).

Интерьер 2 Антенна

1.

Отсоедините отрицательную (-) клемму аккумуляторной батареи.

2.

Снимите напольную консоль в сборе.

(См. Кузов — «Узел напольной консоли»)

3.

Отсоедините разъем внутренней антенны 2 (A).

4.

Снимите внутреннюю 2 антенну (A) после ослабления крепежных винтов.

Антенна багажника

1.

Отсоедините отрицательную (-) клемму аккумуляторной батареи.

2.

Снимите заднюю поперечную обшивку.

(См. Кузов — «Задняя поперечная обшивка»)

3.

Снимите антенну задней двери (А), предварительно ослабив крепежные гайки и отсоедините разъем (В).

Антенна заднего бампера

1.

Отсоедините отрицательную (-) клемму аккумуляторной батареи.

2.

Снимите задний бампер в сборе.

(См. Кузов — «Задний бампер в сборе»)

3.

Снимите антенну заднего бампера (А), предварительно ослабив крепежные винты. и отсоединив разъем (В).

Зуммер

1.

Отсоедините отрицательную (-) клемму аккумуляторной батареи.

2.

Снимите передний бампер в сборе.

(См. Кузов — «Передний бампер в сборе»)

3.

Снимите зуммер (А) после отсоединения разъема.

Внешняя ручка двери

1.

Отсоедините отрицательную (-) клемму аккумуляторной батареи.

2.

Снимите наружную ручку передней двери.

(См. Кузов — «Внешняя ручка передней двери»)

Переключатель открытия задней двери

1.

Отсоедините отрицательную (-) клемму аккумуляторной батареи.

2.

Снимите блок камеры заднего вида.

(См. Электрическая система кузова — «Система камеры заднего вида»)

3.

Снимите узел переключателя открывания двери багажного отделения (А), предварительно ослабив крепление. винты.

осмотр

Блок смарт-ключа

(См. Система смарт-ключа — «Диагностика смарт-ключа»)

Умный ключевой переключатель

(См. Система смарт-ключа — «Диагностика смарт-ключа»)

Антенна

(См. Система смарт-ключа — «Диагностика смарт-ключа»)

Внешняя ручка двери

1.

Отсоедините разъем наружной ручки передней двери (А).

2.

Проверьте целостность цепи между клеммами № 2 и № 4.

Нет.
Описание
1
Дверная антенна 1
2
Кнопка запирания/отпирания двери 1
3
Дверная антенна 2
4
Кнопка запирания/отпирания двери 2

Переключатель открытия задней двери

1.

Проверьте целостность цепи между клеммами выключателя открывания двери багажного отделения.

2.

Если непрерывность не указана, осмотрите переключатель

Монтаж

Блок смарт-ключа

1.

Установите блок смарт-ключа после соединения разъемов.

2.

Установите перчаточный ящик.

3.

Подсоедините отрицательную (-) клемму аккумуляторной батареи и проверьте систему смарт-ключа.

Интерьер 1 Антенна

1.

Установите внутреннюю 1 антенну.

2.

Установите обогреватель и блок управления кондиционером.

3.

Установите отрицательную (-) клемму аккумуляторной батареи и проверьте систему электронного ключа.

Интерьер 2 Антенна

1.

Установите внутреннюю 2 антенну.

2.

Установите напольную консоль в сборе.

3.

Подсоедините отрицательную (-) клемму аккумуляторной батареи и проверьте систему смарт-ключа.

Антенна багажника

1.

Установите антенну на дверь багажника.

2.

Установите заднюю поперечную обшивку.

3.

Подсоедините отрицательную (-) клемму аккумуляторной батареи и проверьте систему смарт-ключа.

Антенна заднего бампера

1.

Установить антенну заднего бампера.

2.

Установите задний бампер в сборе.

3.

Подсоедините отрицательную (-) клемму аккумуляторной батареи и проверьте систему смарт-ключа.

Зуммер

1.

Установите зуммер.

2.

Установите передний бампер в сборе.

3.

Подсоедините отрицательную (-) клемму аккумуляторной батареи и проверьте систему смарт-ключа.

Внешняя ручка двери

1.

Установите наружную ручку передней двери.

2.

Подсоедините отрицательную (-) клемму аккумуляторной батареи и проверьте систему смарт-ключа.

Переключатель открытия задней двери

1.

Установите переключатель открывания двери багажного отделения в сборе.

2.

Установите блок камеры заднего вида.

3.

Установите наружную ручку задней двери в сборе.

4.

Подсоедините разъем наружной ручки двери багажного отделения в сборе.

5.

Установите обшивку задней двери.

6.

Установите отрицательную (-) клемму аккумуляторной батареи и проверьте систему электронного ключа.

Смарт-ключ
Процедуры ремонта Смарт-ключ Сохранение кода смарт-ключа 1. Подключите кабель DLC KDS/GDS к разъему канала передачи данных (16 контактов). в нижней панели накладки со стороны водителя, поверните ...
Диагностика смарт-ключа
Процедуры ремонта осмотр Самодиагностика с Инструмент сканирования Он сможет быстро диагностировать дефекты системы SMART KEY с помощью KDS/GDS. KDS/GDS может принудительно управлять приводом в ...
Дополнительная информация:

Kia Rio 2017-2023 YB Руководство по обслуживанию: Система подачи топлива


Компоненты и расположение компонентов Расположение компонентов Топливный бак и заливная горловина в сборе 1. Топливный бак 2. Топливный насос 3 Крышка пластины топливного насоса 4. Топливный шланг 5. Выравнивающая трубка 6. Паровая трубка (бачок → впускной коллектор) 7. Пар...

Kia Rio 2017-2023 YB Руководство по эксплуатации: Ручной обогрев и кондиционирование


Системой отопления и охлаждения можно управлять вручную с помощью кнопок. кроме кнопки AUTO. В этом случае система работает последовательно в порядке выбранных кнопок. 1. Запустите двигатель. 2. Установите режим в нужное положение. Для повышения эффективности обогрева...