#заголовок

Hyundai Sonata: индикаторы и приборы / Описание и работа комбинации приборов

Описание
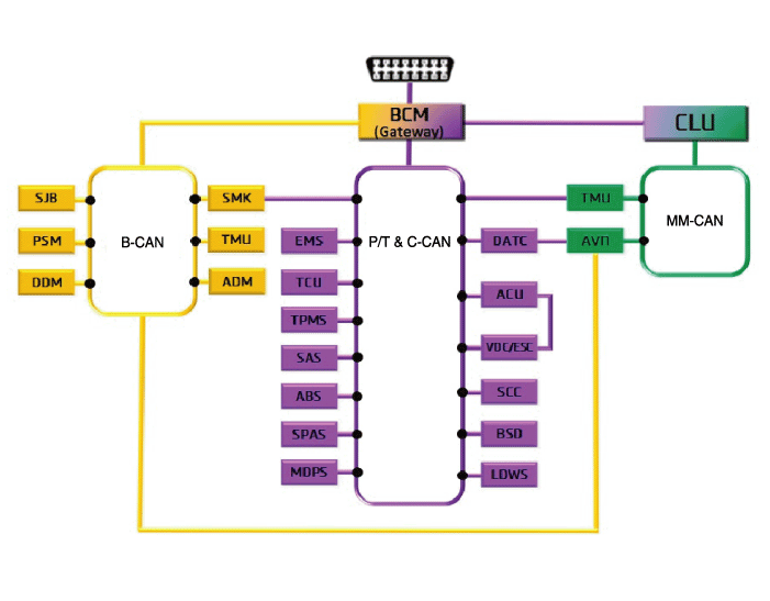
Схема сети связи

Сокращение
Объяснение
АКУ
Блок управления подушками безопасности
АДМ
Вспомогательный дверной модуль
B_CAN
Сеть контроллеров тела
млрд кубометров
Модуль управления кузовом
BSD
Обнаружение слепых зон
C_CAN
Локальная сеть контроллера шасси
КЛУ
Кластерный модуль
ДАТК
Двойной автоматический контроль температуры
ДДМ
Модуль водительской двери
ESC
Электронная программа стабилизации
скорая помощь
Система управления двигателем
LDWS
Система предупреждения о выходе из полосы движения
M_CAN
Мультимедийная сеть контроллеров
МДПС
Рулевое управление с электроприводом
P_CAN
Локальная сеть контроллера силового агрегата
ПСМ
Модуль сиденья с электроприводом
САС
Датчик угла поворота рулевого колеса
SJB
Умный соединительный блок
СМК
Блок смарт-ключа
СПАС
Умная система помощи при парковке
ТКУ
Блок управления коробкой передач
СКДП
Система контроля давления в шинах
VDC
Динамический контроль автомобиля
ТМУ
Телематическая система
АБС
Антиблокировочная тормозная система
ССС
Умный круиз-контроль

Кодирование вариантов кластера
Поскольку у нас больше опций (ESC, MDPS, SCC и т. д.) в машине, на приборной панели теперь отображается больше информации в зависимости от выбранные варианты.
По этой причине нам нужно узнать, какие опции у текущего автомобиля при замене приборной панели.
Для решения этой проблемы разработан курс обучения, основанный на опция, необходимая для автомобиля при замене приборной панели, должна быть выполненный.
Это называется вариантным кодированием.
Функция
1.
Высокоскоростная связь CAN (C-CAN)
А.
Индивидуальная функция: блокирующиеся листы для посадки, приветственный свет
Б.
LDWS: Система предупреждения о выходе из полосы движения
С.
SPAS: интеллектуальная система помощи при парковке
2.
Низкоскоростная связь CAN (MM-CAN)
А.
AV: аудио/видео Мультимедийный информационный дисплей
Б.
TBT: отображение навигационной информации с поворотом
3.
Звуковой выход
Комбинация приборов и внешние динамики подключены к выходу различных звуковых сигналов и звуковых эффектов.
Если применяется внешний усилитель, направленная сигнализация выводится через усилитель.

Звук
Описание и функция (приемник данных CAN)
Добро пожаловать
Добро пожаловать (ключ вынут, а дверь открыта/закрыта, проверяется BCM)
До свидания
До свидания (кластер)
Предупреждение об открытой двери
Напоминание Kwy (BCM), скорость автомобиля 5 км/ч или ниже & Переключатель IGN находится в положении ACC или IGN или запуска двигателя и когда скорость автомобиля ниже 5 км/ч или при открытой двери со стороны водителя
Предупреждение о непристегнутом ремне
Предупреждение о непристегнутом ремне водителя (BCM)
Предупреждение системы PAS
Предупреждение о неисправности датчика PAS (BCM)
Шестерня Р
Предупреждение PAS при переключении передачи R (BCM и SPAS)
Ручной тормоз
Предупреждение о стояночном тормозе (BCM)
Кнопка Пуск
Предупреждение о кнопке SSB (SMK)
Информация о свете реостата
Предупреждение реостата при выборе максимальной или минимальной степени (кластер)
Отправление смарт-ключа
Предупреждение об отсутствии смарт-ключа (SMK)
Предупреждение смарт-ключа N0n (SMK)
Умный круиз
Переход с обычного круиза на интеллектуальный круиз (SCC)
Информация о вождении Smart Cruise
Отмена функции Smart Cruise (SCC)
обычный круиз
Переход с умного круиза на обычный круиз (SCC)
Лампа указателя поворота (галочка)
Предупреждение лампы указателя поворота (BCM)
Лампа указателя поворота (Tock)
Предупреждение лампы указателя поворота (BCM)
Низкое напряжение батареи смарт-ключа
Предупреждение, когда водитель нажимает кнопку SSB со смарт-ключом с низковольтной батареей (SMK)
Предупреждение EPB
Предупреждение при переходе с автоматического удержания на блокировку EPB (EPB)
Аварийный сигнал температуры охлаждающей жидкости
При температуре двигателя выше 120 °C (EMS)

4.
Режим пользовательских настроек (USM)
Настройку можно изменить с помощью переключателей (Меню, ВВЕРХ, ВНИЗ и кнопку ОК). Есть много предметов (например, In/Out Seat Синхронизация, синхронизация с рулевым колесом, автоматическая блокировка дверей, Автоматическое отключение дверного замка, сопровождение фар, приветственный свет, приветствие Звук, сигнал поворота в одно касание, автоматический сброс среднего расхода топлива, Яркость и Настройка содержимого), которые можно установить и настроить. поток сигналов во время настройки выглядит следующим образом.
(1)
Настройки UMS устанавливаются, они передаются в BCM.
(2)
BCM передает настройки по B_CAN соответствующим модулям.
(3)
Модуль завершает настройку и передает измененную настройку в BCM.
(4)
BCM передает окончательные настройки по C_CAN в кластер.
Кластер связывается напрямую с модулями C-CAN.
Схема комбинации приборов
Принципиальная электрическая схема ...
Процедуры ремонта комбинации приборов
Удаление • Наденьте перчатки, чтобы защитить руки. • Поддевая плоской отверткой, оберните ее защитную ленту и наклейте защитную ленту вокруг...
Дополнительная информация:

Руководство по эксплуатации Hyundai Sonata LF 2014-2019: Система помощи водителю
Камера заднего вида Камера заднего вида активируется при работающем двигателе и рычаге переключения передач. находится в положении R (задний ход). Это дополнительная система, которая показывает позади автомобиля через навигацию. отображать во время резервного копирования. ПРЕДУПРЕЖДЕНИЕ Камера заднего вида не является защитным устройством. Это о...

Hyundai Sonata LF 2014-2019 Руководство по техническому обслуживанию: Процедуры ремонта узла двойного сцепления
Удаление 1. Снимите коробку передач с двойным сцеплением с автомобиля. (См. Система двойного сцепления — «Процедуры ремонта») 2. Снимите фиксатор (A), а затем снимите шлицевую ступицу (B). 3. Снимите стопорное кольцо (А). 4. Снимите узел двойного сцепления (А), используя специальный сервис для...

avtotema.org