#заголовок

Hyundai Sonata: индикаторы и датчики / схемы комбинации приборов

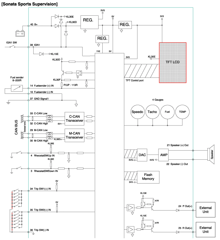
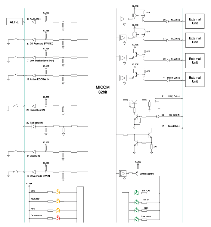
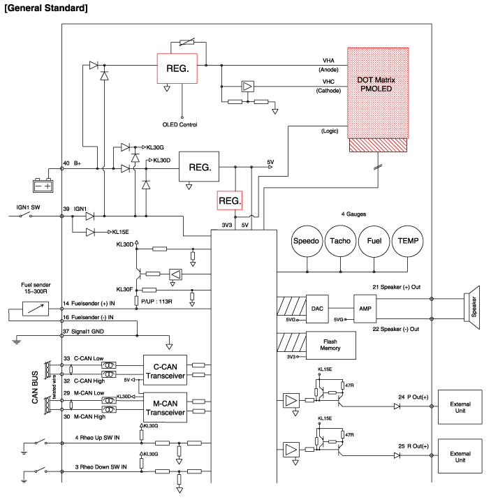
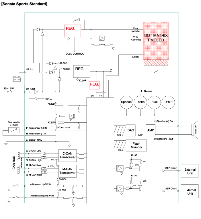
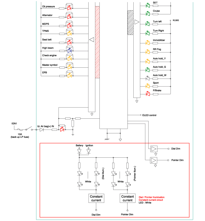
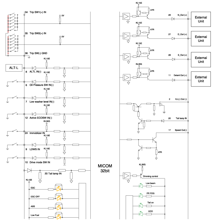
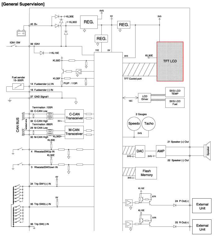
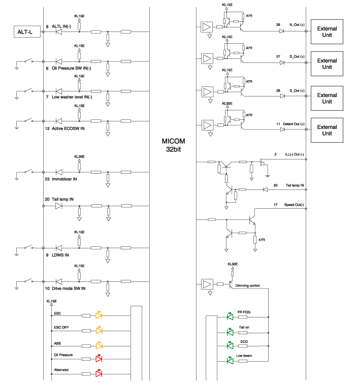
Принципиальная электрическая схема

Компоненты комбинации приборов и расположение компонентов
Компоненты Информация о выводах разъема NoDescriptionNoDescription1-21Динамик (+)2Подсветка (-)22Динамик (+)3Реостатный переключатель (внизу)_Input23Иммобилайзер_Input4Реостатный переключатель (вверху)_Input24AT ('P' Pos ...
Описание и работа комбинации приборов
Описание Схема сети связи АббревиатураРасшифровкаACUБлок управления подушками безопасностиADMAМодуль вспомогательной двериB_CANBody Controller Area NetworkBCMМодуль управления кузовомBSDBОбнаружение слепых зонC_CANCha ...
Дополнительная информация:

Руководство по эксплуатации Hyundai Sonata LF 2014-2019: Зарядка аккумулятора
ПРЕДУПРЕЖДЕНИЕ Всегда следуйте этим инструкциям при зарядке аккумуляторной батареи вашего автомобиля, чтобы избегайте риска СЕРЬЕЗНОЙ ТРАВМЫ или СМЕРТИ в результате взрыва или ожога кислотой: Перед выполнением технического обслуживания или перезарядкой аккумулятора выключите все принадлежности и установите ключ зажигания в положение LOCK/OFF. ...

Руководство по обслуживанию Hyundai Sonata LF 2014-2019: Компоненты ГБЦ и расположение компонентов
Компоненты 1. Головка цилиндра в сборе2. МЛА3. Стопорный замок4. Фиксатор 5. Сальник штока клапана6. Пружина клапана7. Седло пружины клапана8. OCV (масляный регулирующий клапан)9. Выпускной клапан10. Впускной клапан 11. Прокладка головки блока цилиндров ...

avtotema.org