#заголовок

Hyundai Sonata: электрические стеклоподъемники / электрические схемы переключателей стеклоподъемников

Принципиальная электрическая схема
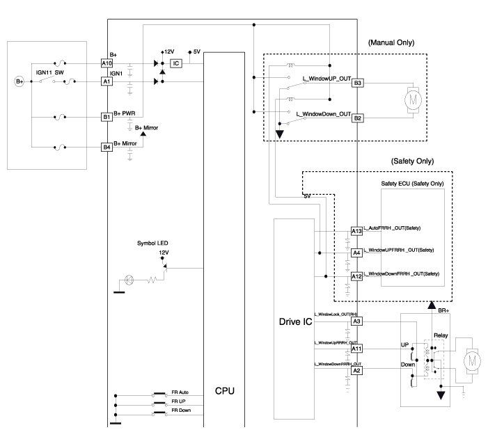
Переключатель стеклоподъемника водителя
[Модуль стеклоподъемника водителя (IMS, передняя безопасность)]

[Переключатель стеклоподъемника водителя (без IMS, передняя безопасность)]

[Переключатель стеклоподъемника водителя (без IMS, безопасность водителя)]

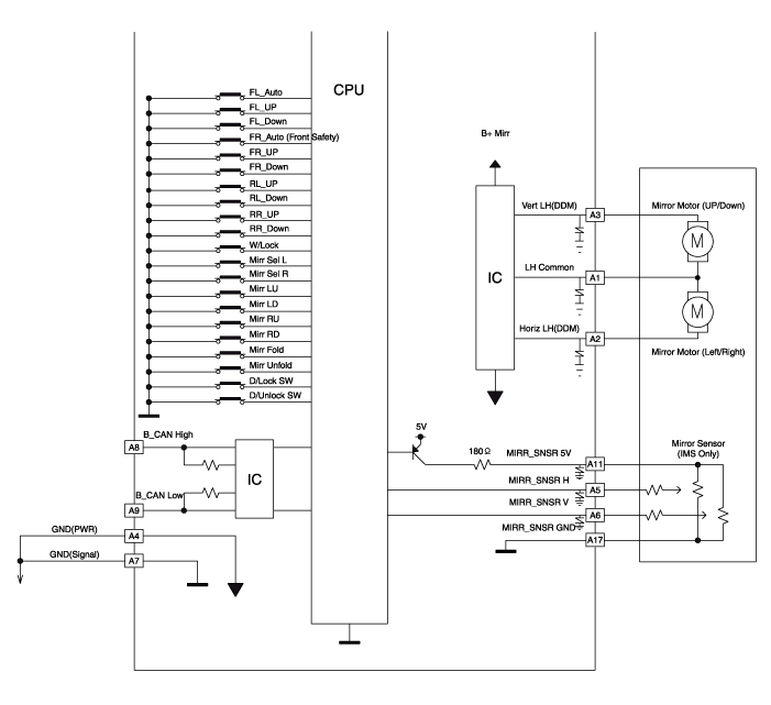
Вспомогательный переключатель стеклоподъемников
[Вспомогательный модуль стеклоподъемников (IMS, безопасность)]

[Вспомогательный переключатель стеклоподъемников (без IMS, безопасность)]

[Вспомогательное переключение стеклоподъемников (без IMS, без безопасности)]

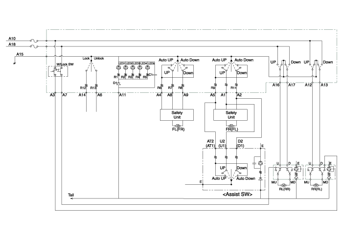
Переключатель заднего стеклоподъемника
[Модуль заднего стеклоподъемника (IMS, подогрев сиденья)]

[Переключатель заднего стеклоподъемника (без IMS, подогрев сиденья)]

[Переключатель заднего стеклоподъемника (без IMS)]

Компоненты переключателя стеклоподъемников и их расположение
Компоненты Переключатель стеклоподъемника водителя Вспомогательный переключатель стеклоподъемников Переключатель заднего стеклоподъемника ...
Описание и работа переключателя стеклоподъемника
Описание Схема системы Модуль двери водителя (DDM) Модуль двери водителя (DDM) является частью конфигурации CAN, связь с BCM, SMK, SJB, PSM и ADM через CAN во время выполнения проводной си...
Дополнительная информация:

Руководство по эксплуатации Hyundai Sonata LF 2014-2019: Интеллектуальный круиз-контроль Расстояние от автомобиля до автомобиля
Установка расстояния между автомобилями Когда система интеллектуального круиз-контроля включена, вы можете установить и поддерживать дистанцию от впереди идущего автомобиля, не нажимая педали акселератора или тормоза. При каждом нажатии кнопки расстояние между автомобилями изменяется следующим образом: Например, если...

Hyundai Sonata LF 2014-2019 Руководство по техническому обслуживанию: Модуль управления двигателем (ECM) Процедуры ремонта
Удаление При замене ECM на автомобиле, оснащенном иммобилайзером, необходимо выполнить процедуру, описанную ниже. [В случае установки бывшего в употреблении ECM] 1. Выполните процедуру «Нейтральный режим» с GDS. (См. «Иммобилайзер» в группе BE) 2. Вставьте ключ и поверните его на...

avtotema.org