#заголовок

Hyundai Sonata: Предохранители и реле / ​​Блок реле (салон) Описание и работа

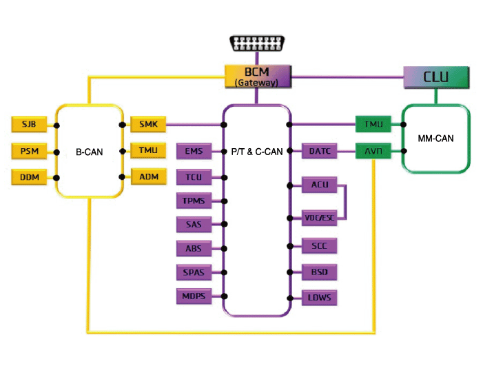
Описание
Автоматическая система резки темнового тока

Сокращение
Объяснение
АКУ
Блок управления подушками безопасности
АДМ
Вспомогательный дверной модуль
B_CAN
Сеть контроллеров тела
млрд кубометров
Модуль управления кузовом
BSD
Обнаружение слепых зон
C_CAN
Локальная сеть контроллера шасси
КЛУ
Кластерный модуль
ДАТК
Двойной автоматический контроль температуры
ДДМ
Модуль водительской двери
ESC
Электронная программа стабилизации
скорая помощь
Система управления двигателем
LDWS
Система предупреждения о выходе из полосы движения
M_CAN
Мультимедийная сеть контроллеров
МДПС
Рулевое управление с электроприводом
P_CAN
Локальная сеть контроллера силового агрегата
ПСМ
Модуль сиденья с электроприводом
САС
Датчик угла поворота рулевого колеса
SJB
Умный соединительный блок
СМК
Блок смарт-ключа
СПАС
Умная система помощи при парковке
ТКУ
Блок управления коробкой передач
СКДП
Система контроля давления в шинах
VDC
Динамический контроль автомобиля
ТМУ
Телематическая система
АБС
Антиблокировочная тормозная система
ССС
Умный круиз-контроль

Интеллектуальный распределительный блок (SJB)
Общие функции: внутренний распределительный блок + некоторые функции BCM
Он управляет нагрузками с помощью связи CAN и IPS.

IPS расшифровывается как Intelligent Power Switch, который использует полупроводниковая технология, чтобы заменить текущую роль предохранителя и реле. (Устройство IPS защищает текущую функцию управления нагрузкой от сверхток.)

Преимущества IPS заключаются в следующем:
-
Уменьшите реле и, следовательно, уменьшите вес и объем
-
Убрать шум работы реле
-
Нет необходимости заменять предохранитель, увеличивая срок службы изделия.
-
Возможность диагностики
Вход управления SJB
1.
Вход сигнала переключения
(1)
Выключатель вспомогательного ремня безопасности
Помогите дверному выключателю
Выключатель ремня безопасности водителя
Выключатель задней левой двери
Выключатель задней правой двери
Переключатель IGN1
Переключатель IGN2
Датчик тормозной жидкости
Переключатель открытия багажника
Переключатель ручки крышки багажника
HID-фара (опция)
Выключатель аварийной лампы
Переключатель ближнего света фар
Выключатель капота
Переключатель левого переднего/заднего указателя поворота
Переключатель правого переднего/заднего указателя поворота
Выключатель стояночного тормоза
Водитель, состояние управления дверным замком/разблокировкой
Помощь в управлении замком/разблокировкой двери
Состояние блокировки/разблокировки задней левой двери
Задняя правая дверь, состояние блокировки/разблокировки
Водитель дверной выключатель
Водитель выключатель замка двери
Водитель переключатель разблокировки дверного ключа
Выключатель блокировки стеклоподъемника двери водителя
Выключатель разблокировки стеклоподъемника двери водителя
(2)
IPS&ARISU
Ближний свет левой фары
Ближний свет правой фары
Дальний свет левой фары
Дальний свет правой фары
Комнатная лампа
Внешний левый задний фонарь
Внешний правый задний фонарь
Левые передние/задние поворотники
Правый передний/задний поворотники
ДХО левая лампа
ДХО правая лампа
Контроль сопротивления порезу тела
Выход переднего левого поворотника
Выход переднего правого поворотника
(3)
Релейное управление
Реле обогревателя заднего стекла
Реле звукового сигнала противоугонной сигнализации
реле крышки багажника
Реле обогрева лобового стекла
Реле дальнего света фар
Реле предохранителя памяти
Реле блокировки/отпирания двери
Реле пробуждения стеклоподъемников
2 Повернуть реле замка двери
Реле противоугонной сигнализации
2.
защита SJB
(1)
Функции PCL (программируемое ограничение тока)
А.
Замените текущую функцию плавкого предохранителя распределительной коробки, чтобы защитить провод.
Б.
Как работать: Если ток лампы превышает стандартный уровень, отключите ток лампы, чтобы защитить лампу.
С.
Время отключения лампы: 300 мс или менее.
Д.
Приложенная нагрузка: Применяется ко всем ламповым нагрузкам, контролируемым SJB.
Э.
Вывести код ошибки в соответствии с условиями обнаружения ошибки.
(2)
OCL (ограничение открытого тока)
А.
Обнаружение открытого состояния лампы и информирование пользователя об этом.
Б.
Как работать: Определите ток лампы и, если он ниже стандартного уровня, измените работу лампы.
С.
Приложенная нагрузка: Применяется к сигнальной лампе поворота 4 канала
Д.
Вывести код ошибки в соответствии с условиями обнаружения ошибки.
3.
Функция отказоустойчивости SJB
(1)
Когда SJB имеет неисправный MCU (не работает из-за физического или поражение электрическим током снаружи), фары ближнего света и внешние и внутренние задние фонари включены, чтобы обезопасить водителя, если IGN2 включен и выключатель ближнего света фар включен.
(2)
При сбое передачи/приема данных из-за отказа Линия связи CAN, подключенная к модулю SJB (отключение обоих высокая и низкая линия, высокая/низкая BAT короткая, высокая/низкая GND короткая), головка лампа ближнего света и внутренние/внешние задние фонари включаются, если включен IGN2 и выключатель ближнего света фар включен.
4.
Система автоматического отключения темнового тока
(1)
Описание : Автоматически отключает питание, которое должно быть обеспечено нагрузка для уменьшения бесполезного темнового тока в зависимости от состояния автомобиля.

(2)
У SJB было 3 режима: «Нормальный режим», «Спящий режим», «Режим отключения питания». Автоматическое отключение темной текущей практики в «Спящем режиме».
А.
Состояние «сна»: IG OFF, постоянный входной переключатель, сеть CAN не активируется.
Б.
Решающее условие «Сна»: любой вход переключателя, активация сети CAN, KEY ON, IGN ON
С.
Состояние «Питание выключено»: истекло время настройки таймера, используемого для отключения питания нагрузки.
Д.
«Нормальный режим»: функция SJB обычно активируется.
Э.
«Спящий режим»: это режим пониженного энергопотребления, который активируется на снижение потребления электроэнергии SJB или IPM. Автоматическое отключение темнового тока функция активируется.
Ф.
«Режим отключения питания»: питание MCU и контурной цепи отключено для минимизации потребления электроэнергии. Операция останавливается.
(3)
Объяснение - Автоматическое отключение темнового тока

Перед доставкой заказчику
Выключатель предохранителя ВЫКЛ.
Все двери закрыты и дверной замок RKE или постоянное состояние переключателя
(Начинается автоматический вырез сценария темного тока.)
-
После «сна» состояние в течение 5 мин.
-
Отключение питания SJB (темновой ток SJB: 200 мкА) и мощность отключения лампы
/Body Loud/Пробуждение/Иммобилайзер


После доставки заказчику
Переключатель предохранителя ВКЛ.
Все двери закрыты и постоянное состояние переключателя: C_BAState=OFF
(Начинается автоматический вырез сценария темного тока.)
-
После «сна» состояние длится 20 мин.
-
Отключение питания SJB (темновой ток SJB: 200 мкА) и отключение мощности ламповой нагрузки
В случае блокировки двери RKE: C_BAState=ON & Trunk SW=CLOSE
(Начинается автоматический вырез сценария темного тока.)
-
После состояния «Сон» 35–65 с (время ожидания другого устройства: 30–60 с + SJB)
сон считается 5 минут)
-
SJB Powerdown (темновой ток SJB: 200 мкА) и мощность резки
Ламповая нагрузка


(4)
Проблема при неправильной установке переключателя предохранителя
: Если предохранитель установлен в положение OFF (перед доставкой в клиент) клиентом или техническим специалистом и функцией автоматического отключения темного ток активируется, могут возникнуть следующие проблемы.
Симптом
Связанная часть
Блокировка/разблокировка дверей, открытие багажника не активируются RKE.
(Пробуждение каждого модуля не активируется.)
млрд кубометров
Цифровые часы сброшены. (Память сброшена.)
Цифровые часы
Значение настройки звука (громкость, частота) сбрасывается.
(Память сброшена.)
Аудио

* Если выключатель предохранителя выключен (перед поставкой клиенту), питание BCM, цифровых часов и звука отключается.
Блок реле (в салоне) Компоненты и расположение компонентов
Расположение компонента [Внутренний соединительный блок] ...
Блок реле (в салоне) Процедуры ремонта
Проверка предохранителей 1. Убедитесь, что в держателях предохранителей нет люфта и что предохранители надежно закреплены. 2. Правильно ли указаны номиналы предохранителей для каждой цепи? 3. Есть ли перегоревшие предохранители? ...
Дополнительная информация:

Руководство по эксплуатации Hyundai Sonata LF 2014-2019: Режим ECO
Когда режим движения установлен на режим ECO, логика управления двигателем и коробкой передач изменены для максимальной эффективности использования топлива. Когда режим ECO выбран нажатием кнопки DRIVE MODE, режим ECO загорится индикатор. Если автомобиль находится в режиме ECO, при выключенном двигателе и r ...

Hyundai Sonata LF 2014-2019 Руководство по техническому обслуживанию: Принципиальные схемы переключателей стеклоподъемников
Принципиальная электрическая схема Переключатель стеклоподъемника водителя [Модуль стеклоподъемника водителя (IMS, передняя безопасность)] [Переключатель стеклоподъемника водителя (без IMS, передняя безопасность)] [Переключатель стеклоподъемника водителя (без IMS, безопасность водителя)] Вспомогательный переключатель стеклоподъемников [Вспомогательный модуль стеклоподъемников (IMS, безопасность)] [Помощь сила ...

avtotema.org