#заголовок

Hyundai Sonata: система запуска / принципиальные схемы стартера

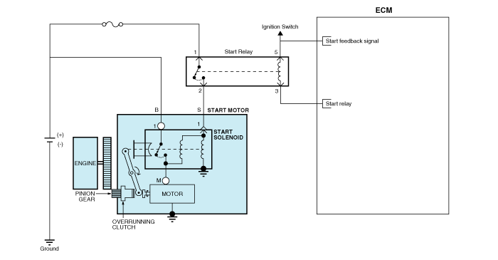
Принципиальная электрическая схема

Начальные компоненты и расположение компонентов
Компоненты 1. Винт2. Передний корпус3. Стопорное кольцо4. Пробка5. Обгонная муфта6. рычаг7. Пластина рычага8. Упаковка рычага9. Узел магнитного переключателя10. Сборка арматуры 11. Хомут в сборе12. Щетка (-)13. ...
Порядок ремонта стартера
Удаление 1. Отсоедините отрицательную клемму аккумуляторной батареи. 2. Снимите лоток аккумулятора. (См. Электрическая система двигателя — «Аккумулятор») 3. Снимите воздуховод и воздушный фильтр в сборе. (См...
Дополнительная информация:

Руководство по обслуживанию Hyundai Sonata LF 2014-2019: Комплектующие и расположение узлов
Компоненты 1. Цепь ГРМ2. Направляющая цепи ГРМ3. Рычаг цепи ГРМ4. Автоматический натяжитель цепи ГРМ5. Крышка цепи ГРМ6. Натяжитель приводного ремня7. Прокладка водяного насоса8. Водяной насос9. Шкив водяного насоса 10. Шкив коленчатого вала 11. Передний сальник 12. Альтернативный ...

Руководство по обслуживанию Hyundai Sonata LF 2014-2019: Описание и работа
Описание Система круиз-контроля включена круизом "ВКЛ/ВЫКЛ" главный выключатель, расположенный справа от рулевой колонки. Система имеет возможность круиза, движения по инерции, ускорения и возобновления скорости. Он также имеет защитное прерывание, срабатывающее при нажатии тормоза или рычага переключения передач. ...

avtotema.org