Ford Fusion Manuals
Разборка к Ford Fusion

Ford Fusion: Автоматическая коробка передач — 6-ступенчатая автоматическая коробка передач — 6F35 / Муфта повышающей передачи в сборе. Описание и работа

Overdrive (O/D) (4, 5, 6) Муфта в разобранном виде

Ford Fusion. Overdrive Clutch Assembly. Description and Operation
Элемент Описание
1 Ступица муфты прямой/повышающей передачи в сборе
2 Внутреннее уплотнение поршня муфты повышающей передачи
3 Входной вал
4 Наружные уплотнения поршня муфты повышающей передачи
5 Поршень муфты повышающей передачи
6 Возвратная пружина поршня муфты повышающей передачи
7 Уравновешивающий поршень муфты повышающей передачи
8 Стопорное кольцо уравновешивающего поршня муфты повышающей передачи
9 Муфта повышающей передачи (4, 5, 6) в сборе
10 Нажимной диск муфты повышающей передачи
11 Стопорное кольцо муфты повышающей передачи
12 Ступица муфты повышающей передачи
13 водила задней планетарной передачи

Overdrive (O/D) (4, 5, 6) Муфта, вид в разрезе

Ford Fusion. Overdrive Clutch Assembly. Description and Operation

Механическая работа муфты повышающей передачи

Муфта повышающей передачи — это ведущая муфта, которая передает мощность от узел муфты прямой/повышающей передачи к заднему водилу планетарной передачи. Муфта повышающей передачи применяется на 4-й, 5-й и 6-й передачах.

Гидравлический давление от регулирующего клапана в корпусе клапана толкает поршень муфты повышающей передачи против пакета муфты повышающей передачи, чтобы применить схватить. Входной вал и ступица муфты прямой/повышающей передачи в сборе передает крутящий момент на водило задней планетарной передачи за счет сцепления применяется.

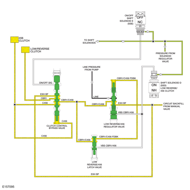
Гидравлические контуры сцепления повышающей передачи (4, 5, 6) (применяется на 4-й, 5-й и 6-й передачах)

Ford Fusion. Overdrive Clutch Assembly. Description and Operation

Линия давление подается на клапан регулятора низкого реверса/456 насосом на каждой передаче и в любом положении ручного рычага. Чтобы применить низкий/обратный сцепление, поставки SSD варьируются давление соленоида на регулятор низкого обратного хода/456 и запорные клапаны. Как клапан регулятора перемещается, он подает питание на перепускной клапан управления сцеплением и низкий реверс/запорный клапан 456 с регулируемым линейным давлением через Цепь CBR1/C456. Низкий реверс/запорный клапан 456 направляет регулируемое линейное давление на противоположную сторону низкого реверса/456 регулирующий клапан через контур CBR1/C456 FDBK для постепенного перегрузки (4, 5, 6) включение сцепления.

К включить муфту повышающей передачи (4, 5, 6), положение муфты регулирующий перепускной клапан позволяет регулировать линейное давление в CBR1/C456 схема питания цепи С456, применяющая повышающую передачу (4, 5, 6) схватить. Давление защелки перепускного клапана управления сцеплением подается Цепь С456. Муфта повышающей передачи (4, 5, 6) включается на 4-й, 5-й и 6-я передача.

Гидравлические контуры муфты повышающей передачи (4, 5, 6) (освобождены)

Ford Fusion. Overdrive Clutch Assembly. Description and Operation

Когда муфта повышающей передачи (4, 5, 6) отпускается на 1-й передаче выше 8 км/ч (5 миль/ч), на 2-й и 3-й передачах давление соленоида от SSD снимается с регулятора низшего реверса/456 и запорных клапанов, которые позиционирует клапаны, чтобы заблокировать давление в линии и отключить повышающую передачу (4, 5, 6) сцепление.

Когда муфта повышающей передачи (4, 5, 6) выключается на 1-й передаче выше 8 км/ч (5 км/ч), 2-я и 3-я передачи, выхлопная засыпка подается на пониженную Клапан регулятора сцепления заднего хода/456 и перепускной клапан управления сцеплением ручным клапаном по контуру ДОТ ДВ направляется в нижний клапан блокировки реверса, муфта пониженной/задней передачи и муфта повышающей передачи (4, 5, 6) заполнить неиспользуемые контуры трансмиссионной жидкостью без давления.

Когда муфта повышающей передачи (4, 5, 6) отпущена в режимах ПАРКОВКА, ЗАДНИЙ ХОД, НЕЙТРАЛЬ и 1-я передача ниже 8 км/ч (5 миль/ч), клапан регулятора пониженной передачи/456 подает регулируемое давление на перепускной клапан управления сцеплением через цепь CBR1/C456. Когда ON/OFF SSE находится в положении ON, регулируемое давление направляется на муфту низшей/задней передачи.

Для получения подробной информации о гидравлических контурах гидроблока и работе соленоида см.
Для получения дополнительной информации см.: Описание коробки передач — работа системы и описание компонентов (307-01A Автоматическая коробка передач — 6-ступенчатая автоматическая коробка передач — 6F35, Описание и работа).

Повышающая передача (4, 5, 6) Каналы жидкости сцепления

Ford Fusion. Overdrive Clutch Assembly. Description and Operation

Сборка муфты пониженной/задней передачи. Описание и работа

..

Низкий узел односторонней муфты. Описание и работа

Низкая односторонняя муфта в разобранном виде Элемент Описание 1 Коробка передач 2 Низкая односторонняя муфта 3 водила задней планетарной передачи Низкая односторонняя муфта, вид в разрезе Низкая односторонняя муфта low One-Way Clutch (OWC) — тормозная муфта, удерживающая заднюю водила планетарной передачи в одном направлении и позволяет ..

Дополнительная информация:

Руководство по обслуживанию Ford Fusion 2013–2020: Сердцевина отопителя. Снятие и установка


Удаление ПРИМЕЧАНИЕ: Действия по удалению в этой процедуре могут содержать сведения об установке. Снимите корпус климат-контроля — автомобили с: DATC. См.: Корпус климат-контроля — автомобили с: Двойной автоматический контроль температуры (DATC) (412-00 Система климат-контроля — Общая информация, снятие и установка). Отсоедините элемент привода двери пассажира от температуры.

Руководство по обслуживанию Ford Fusion 2013–2020: Технические характеристики


Основные Характеристики Элемент Спецификация Заглушка Отверстие под сварку 8 мм (0,315 дюйма) Проволока сварочная ЭР70С-3 0,9 мм (0,0354 дюйма) - 1,1 мм (0,0433 дюйма) Проволока сварочная ЭР70С-6 0,9 мм (0,0354 дюйма) - 1,1 мм (0,0433 дюйма) Таблица сварных наггетсов Тестовая толщина металла Наггет С..