Hyundai Tucson manuels

Руководство по обслуживанию и ремонту Hyundai Tucson: блок смарт-ключа

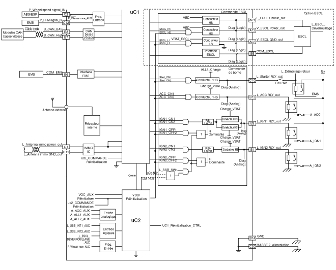
Компоненты и расположение компонентов

КОМПОНЕНТЫ

Нет.
РАЗЪЕМ А
РАЗЪЕМ Б
C-РАЗЪЕМ
1
БАТТ (+)
Релейный выход ВСЕ2
Питание антенны иммобилайзера
2
БАТТ (+)
Релейный выход ВСЕ1
Вход датчика скорости колеса
3
Внутренняя антенна 1_GND
-
Переключатель SSB1 signal_input
4
Антенна бампера GND
-
-
5
Внутренняя антенна 2_GND
ESCL-коммуникация
Переключатель разблокировки ESCL
6
Вспомогательная дверная антенна_GND
EMS-связь
Входной сигнал «P»
7
-
B-CAN (сверху)
Вход переключателя тормоза
8
Масса антенны в водительской двери
B-CAN (внизу)
IGN2 signal_input
9
-
-
IGN1 сигнал_вход
10
Освещение SSB (-)
-
Выход реле стартера
11
Внешний звуковой сигнал
-
GND антенны иммобилайзера
12
источник питания ESCL
Релейный выход ACC
RPM_Input
13
-
-
Переключатель SSB2 signal_input
14
Мощность внутренней антенны 1
МАССА
Выключатель двери водителя signal_input
15
Мощность антенны в бампере
КЛАВИША ВЫХОД Индикатор
Вход сигнала выключателя двери пассажира
16
Комнатная антенна 2 Мощность
Светодиод SSB (ACC)
Сигнал запуска Feedback_input
17
Вспомогательная дверная антенна_Power
Светодиод SSB (зажигание)
Предохранитель стоп-сигналов signal_input
18
-
-
ACC signal_input
19
Питание антенны в двери водителя
Светодиод SSB (ВЫКЛ.)
-
20
-
Освещение SSB (-)
МАССА
21
Активация ESCL
Индикатор иммобилайзера

22
МАССА ESCL
-

Принципиальные диаграммы

Принципиальная электрическая схема

Процедуры ремонта

ДЕПОЗИТ
смарт-ключ
1.
Отсоедините отрицательную (-) клемму аккумуляторной батареи.
2.
Снимите нижнюю панель аварийной подушки.
(См. Тело — «Нижняя приборная панель»)
3.
Отсоедините антенный кабель (А) и разъемы от блока СМК. (Б).

4.
Снимите блок SMK (A) после ослабления крепежных винтов.

Комнатная антенна 1
Будьте осторожны, чтобы не поцарапать накладку для предотвращения столкновений и связанные части.
1.
Отсоедините отрицательную (-) клемму аккумуляторной батареи.
2.
Снимите поддон передней напольной консоли.
(См. Группу кузовов — «Консоль пола»)
3.
Снимите комнатную антенну 1 (В), отвернув крепежные гайки. и отсоедините разъем (А).

Комнатная антенна 2
1.
Отсоедините отрицательную (-) клемму аккумуляторной батареи.
2.
Снимите задний напольный коврик.
(См. Кузов - "Коврики")
3.
Снимите комнатную антенну 2 (В), отвернув крепежные гайки. и отсоедините разъем (А).

антенна на заднем бампере
1.
Отсоедините отрицательную (-) клемму аккумуляторной батареи.
2.
Снимите кожух заднего бампера.
(См. Кузов — «Крышка заднего бампера»)
3.
Снимите антенну заднего бампера (А), ослабив винты фиксация.

Зуммер
1.
Отсоедините отрицательную (-) клемму аккумуляторной батареи.
2.
Снимите направляющую с переднего левого колеса.
(См. Кузов — «Переднее крыло»)
3.
Снимите зуммер (А) после отсоединения разъема.

Наружная дверная ручка
1.
Отсоедините отрицательную (-) клемму аккумуляторной батареи.
2.
Снимите наружную ручку передней двери.
(См. Кузов — «Внешняя ручка передней двери»)

Переключатель открывания двери багажника
1.
Отсоедините отрицательную (-) клемму аккумуляторной батареи.
2.
Снимите обшивку задней двери.
(См. Кузов — «Отделка задней двери»)
3.
Снимите заднюю панель задней двери.
(См. Кузов - "Задняя панель задней двери")
4.
Снимите переключатель открывания двери багажного отделения (А) после ослабления крепежные винты.

Контроль
смарт-ключ
(См. Система смарт-ключей — «Диагностика смарт-ключа»)
умный ключевой переключатель
(См. Система смарт-ключей — «Диагностика смарт-ключа»)
АНТЕННА
(См. Система смарт-ключей — «Диагностика смарт-ключа»)
Наружная дверная ручка
1.
Отсоедините разъем наружной ручки передней двери (А).

2.
Проверьте целостность цепи между клеммами № 3 и № 6.

НЕТ
Описание
1
Дверная антенна (-)
2
Светодиод фонарика (-)
3
Кнопка блокировки/разблокировки дверей
4
Дверная антенна (-)
5
Светодиод фонарика (-)
6
Масса переключателя кнопки блокировки/разблокировки дверь

Переключатель открывания двери багажника
1.
Проверьте целостность цепи между клеммами замка двери багажного отделения.

2.
Если непрерывность не указана, проверьте переключатель

СРЕДСТВО
смарт-ключ
1.
Установите блок смарт-ключа.
2.
Установите крепежные болты блока Smartkey и подсоедините разъем.
3.
Установите перчаточный ящик.
4.
Установите отрицательную (-) клемму аккумуляторной батареи и проверьте систему ключа. умный.
Комнатная антенна 1
1.
Установите комнатную антенну 1.
2.
Установите поддон передней консоли на пол.
3.
Установите отрицательную (-) клемму аккумуляторной батареи и проверьте систему ключа. умный.
Комнатная антенна 2
1.
Установите комнатную антенну 2.
2.
Установите задний коврик.
3.
Установите отрицательную (-) клемму аккумуляторной батареи и проверьте систему ключа. умный.
антенна на заднем бампере
1.
Установить антенну заднего бампера.
2.
Установите кожух заднего бампера.
3.
Установите отрицательную (-) клемму аккумуляторной батареи и проверьте систему ключа. умный
Наружная дверная ручка
1.
Установите внешнюю ручку.
2.
Установите наружную ручку передней двери.
3.
Установите отрицательную (-) клемму аккумуляторной батареи и проверьте систему ключа. умный.
Переключатель открывания двери багажника
1.
Установите переключатель открывания двери багажного отделения.
2.
Установите обивку задней двери.
3.
Установите заднюю панель задней двери.
4.
Установите отрицательную (-) клемму аккумуляторной батареи и проверьте систему ключа. умный
Ключи SMART: Процедуры ремонта
СМАРТ-ключи Регистрация кода смарт-ключа 1. Подсоедините кабель GDS DLC к разъему канала передачи данных (16 булавки) в нижней прокладке...

Диагностика Smartkey: Процедуры ремонта
Контроль Самодиагностика с помощью Analyzer-Checker Мы можем быстро диагностировать неисправности SMART KEY с помощью GDS. ГДС можно управлять приводом...
Другие материалы:

Принципиальные диаграммы
ПРИНЦИПАЛЬНАЯ СХЕМА ТЕРМИНАЛ ФУНКЦИЯ Нет. ТЕРМИНАЛ ФУНКЦИЯ 1 Б. 2 CN 3 CN 4 МАССА 5 CN ...

СЛИВ МАСЛА
Компоненты и расположение компонентов КОМПОНЕНТЫ 1. Прокладка масляного фильтра 2. Масляный фильтр 3. Масляный поддон Процедуры ремонта ДЕПОЗИТ 1. Снимите нижнюю крышку отсека...