Kia Forte: система предотвращения лобового столкновения (FCA) / камера FCA

Киа Kia Forte 2019-2023 (БД) Руководство по ремонту / Тормозная система / Система предотвращения лобового столкновения (FCA) / Камера FCA

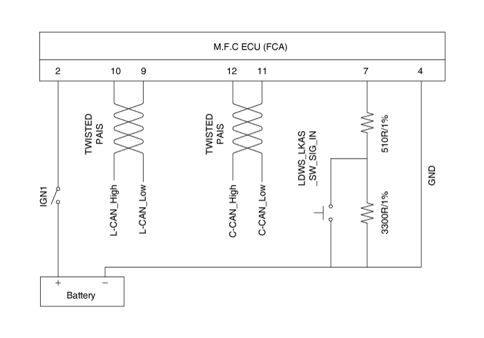
Принципиальные диаграммы
Схематическая диаграмма

Терминал Функция

Нет
Функция
1
-
2
IGN_1
3
-
4
Земля
5
-
6
-
7
Переключатель камеры
8
-
9
L-CAN Низкий
10
L-CAN Высокий
11
C-CAN Низкий уровень
12
C-CAN Высокий

Процедуры ремонта
Удаление
1.

Отсоедините отрицательную (-) клемму аккумуляторной батареи.

2.

Снимите крышку блока передней камеры (A).

3.

Снимите блок передней камеры (B), предварительно отсоединив разъем (A).

Монтаж

Выполните калибровку камеры в следующем случае.

Замена камеры переднего вида на новую.

Камера переднего вида снята и установлена.

Соединитель камеры переднего вида лобового стекла деформирован.

Поменяно лобовое стекло.

После замены камеры переднего вида на новую "Вариант Кодирование».

1.

Установите в порядке, обратном снятию.

осмотр
Диагностика с помощью КДС
1.

В электрической системе тела неисправность можно быстро диагностировать с помощью система диагностики автомобиля (КДС).

Диагностическая система (KDS) предоставляет следующую информацию.

(1)

Самодиагностика: проверка неисправности и кодового номера (DTC).

(2)

Текущие данные: проверка состояния входных/выходных данных системы.

(3)

Проверка срабатывания: Проверка состояния работы системы.

(4)

Дополнительная функция: Управление другими функциями, включая систему настройка параметров и регулировка нулевой точки.

2.

Выберите «Модель автомобиля» и «Многофункциональную камеру (МФЦ)» для проверки. для проверки автомобиля тестером.

3.

Выберите меню «Текущие данные» для поиска текущего состояния ввода/вывода. данные.

Входные/выходные данные для системы удержания в полосе движения (LKA) можно проверить.

Корректирование

Процедуры кодирования вариантов

1.

В случае замены блока фронтальной камеры на новый требуется выполнить вариантное кодирование, потому что транспортное средство должно изучить спецификации опций старого автомобиля.

2.

Завершите процедуру вариантного кодирования, следуя информации на подключенный экран KDS.

Автоматическая калибровка целевой точки обслуживания (SPTAC)

Когда вам нужна калибровка:

Камера переднего вида снята и установлена

Замена камеры переднего вида на новую

Поменяно лобовое стекло

Соединитель камеры переднего вида лобового стекла деформирован

Камера переднего вида SPTAC предоставляет технику для калибровки камеру, совместив калибровочную мишень (SST: 09890-3V100) с автомобилем на ровном месте.

Если калибровка не завершена в пределах указанного допуска, вид спереди камера "System Out of Calibration" показывает DTC.

1.

Метод правильного выравнивания калибровочного эталона

(1)

Для того, чтобы выполнить калибровку камеры переднего вида успешно установите калибровочную мишень следующим образом:

Установите мишень (SST: 09890-3V100) вертикально к земли и от камеры, ссылаясь на приведенный ниже допуск угол.

Допуск ± 1° для левого и правого градиента очень важно и чувствительно к плоскостности земли.

Установите компенсатор вертикально, используя Лазерный уровень (SST: 09958-3T060 или 09964-C1200).

Расположите лазерный уровень (A) в центре автомобиль, установив его по центру крыши над лобовым стеклом автомобиля (одинаково для обоих калибровки на короткие и большие расстояния).

(2)

Пусть лазер освещает, начиная с центра крыши и заканчивая до центра мишени, проходя через эмблему центр.

* Лазер уровня должен быть установлен на «ВКЛ.», а удерживание (блокировка) функция не используется.

Мишень для крепления к жесткому опорному материалу для соблюдения требований плоскостности.

Мишень имеет светоотражающие свойства (не выцветшие или плохо окрашенные) маркировка, которая отличается от особенностей полосы движения.

Мишень 30 см в ширину и 100 см в высоту.

Область монтажа НЕ ДОЛЖНА иметь штриховку. или текстовая маркировка рядом с целью.

Мишень должна быть хорошо освещена для оптимальной работы с использованием неизменяющегося освещения. Там должны не должно быть сплошных теней, отбрасываемых на цель.

Свет должен быть направлен на цель фронт и фронт цели должны быть ярче, чем цель сзади и цель.

2.

Процедура автоматической калибровки целевой точки обслуживания (SPTAC)

(1)

Рекомендуется проверить схождение автомобиля и уровень давления в шинах. чтобы обеспечить правильное выравнивание камеры по «миру», прежде чем продолжить с калибровкой.

Транспортное средство для выполнения процедуры калибровки должно иметь номинальные производственная загрузочная способность.

(2)

Ветровое стекло должно быть чистым и с шелкографией, чтобы на нем не было Нет блокировки камеры.

(3)

Специалист по обслуживанию подключает диагностический разъем и запускает автомобиль. МФЦ не должен активироваться нажатием переключателя.

(4)

Процедура сервисной калибровки может работать неправильно, если ошибка системного уровня активна.

(5)

При работе со сменным ЭБУ: техник по обслуживанию инициирует конфигурация сброса SPTAC.

(6)

Сервисный техник либо выравнивает автомобиль относительно цели, либо цель к транспортному средству.

а.

Найдите нижнюю часть мишени на расстоянии 90 см от земли. (макс. допуск: 1 см).

Расположите так, чтобы центральная ось цели и центральная ось автомобиля совпадают (макс. допуск: 3 см).

б.

Найдите ближнюю мишень (A) так, чтобы она на 0 см (B) до передней части бампера (макс. допуск: 5 см).

в.

Расположение дальней цели (С) 100см. (D) перед бампером (макс. допуск: 5 см).

Угол допуска цели по горизонтали направление составляет ± 10°.

Угол допуска цели по вертикали направление составляет ± 5°.

Угол допуска цели в фасаде центр составляет ±1°.

(7)

Технический специалист должен выполнить калибровку на коротком расстоянии. после проверки целевого местоположения и сообщения «ОК» на KDS.

(8)

Технический специалист должен выполнить дальнюю калибровку после проверки целевого местоположения и сообщения «ОК» на KDS (проведите калибровка дважды: короткие и длинные дистанции).

(9)

Выполните удаление кода неисправности.

(10)

Перезапустите после выключения двигателя.

Тест-драйв

Обязательно выполните тест-драйв, чтобы проверить нормальную работу после выполнение калибровки.

Ехать по прямой дороге (длиной более 500 м) с 2 белыми или желтые дорожные знаки на скорости более 60 км/ч (64 мили в час) и проверьте оповещение, когда вы намеренно приближаетесь к отметке полосы движения.

LKA работает правильно, если пространство сегмента метки полосы движения меньше чем 8 м.

Выполните тест-драйв на автомобильной дороге или на шоссе.

LKA может не активироваться должным образом в следующих условиях.

LKA может не активироваться должным образом, если:

Трудно отличить полосу от дороги из-за пыль скопилась на дорожке.

Трудно отличить цвет линии дорожки от дорога.

Рядом с линией есть отметка, похожая на линию полосы движения.

Линия полосы движения нечеткая или повреждена.

Количество полос увеличивается или уменьшается или линии полос движения пересекаются (проезд через пункт взимания платы, пункт взимания платы, слияние дорог или разделяющая площадь и т.д.).

Есть более двух полос движения.

Переулок очень широкий или узкий.

Полоса не видна из-за снега, дождя, пятен, лужи или другие факторы.

Тени объектов (средняя полоса, ограждение, шумозащитные экраны, д.), окружающие дорогу, отбрасываются на полосу.

Переулок перегружен или его заменила конструкция в застройке область.

На дорожном покрытии есть индикация, например, пешеходный переход или дорожные знаки.

Переулок внутри туннеля покрыт пылью или маслом.

Яркость снаружи резко меняется, например, при входе или выезд из туннеля.

Не горят фары ночью или в туннеле, или уровень освещенности низкий.

Есть пограничная структура.

Свет, такой как уличный фонарь, солнечный свет или свет встречного автомобиля отражается от воды на дороге.

Вождение с солнцем перед вами.

Движение по полосе, предназначенной только для автобусов, или по левой/правой полосе.

Полоса внезапно исчезает в определенных местах, например, в Перекресток.

Расстояние до впереди идущего автомобиля очень мало или транспортные средства скрывают линию полосы движения.

Движение по крутому склону или крутому повороту.

Автомобиль сильно вибрирует.

Температура вокруг внутреннего зеркала заднего вида высокая из-за прямого солнечного света.

Линза или ветровое стекло покрыты посторонними веществами.

Датчик не может определить полосу движения из-за тумана, сильного дождя, или сильный снег.

Ветровое стекло запотело из-за влажного воздуха в автомобиле.

Положить что-нибудь на краш-пад.

LKA может не активироваться должным образом в следующих случаях:

LKA — это система, предотвращающая выезд за пределы полосы движения и помогающая управлять автомобилем. В любом случае не полагайтесь на систему помощи при рулевом управлении, а водитель должен принять необходимые меры предосторожности для определения вопросов безопасности.

Водитель несет ответственность за осведомленность об окружающей обстановке и управление автомобиль для безопасного вождения.

Не поворачивайте рулевое колесо резко, когда рулевое колесо помогает система.

LKA помогает предотвратить непреднамеренный выезд водителя за пределы полосы движения. помогая водителю управлять автомобилем.

LKA не работает, если камера не может определить полосу движения или если скорость автомобиля не превышает 64 км/ч (40 миль в час),

Не разбирайте МФЦ временно для тонировки стекол или крепления любые виды покрытий и фурнитуры.

Не допускайте попадания воды или жидкости на МФЦ.

Не снимайте детали МФЦ и не повреждайте МФЦ сильными влияние.

Не кладите предметы, отражающие свет, на аварийную подушку.

Чрезмерный шум может привести к тому, что сигнал тревоги LKA не будет слышен.

FCA Радар
Принципиальные диаграммы Принципиальная электрическая схема Процедуры ремонта Удаление Радар и устройство SCC и FCA 1. Снимите передний бампер. (См. Кузов (внутренняя и внешняя ...
Кузов (внутри и снаружи)
Сервисные данные Сервисные данные Предметы Спецификация Капюшон Тип Передний открытый тип, задний навесной, тип стержня ...
Дополнительная информация:

Kia Forte 2019-2023 (BD) Руководство по эксплуатации: Ограничения системы


Умная система круиз-контроля может имеют пределы своей способности определять расстояние к движущемуся впереди транспортному средству из-за дорожные и транспортные условия. На кривых На поворотах интеллектуальный круиз-контроль система может не сразу обнаружить движущееся транспортное средство в вашем переулок, и тогда ваш автомобиль может...

Руководство по эксплуатации Kia Forte 2019-2023 (BD): Стояночный тормоз и тормоза Сигнальная лампа жидкости


Этот сигнализатор загорается: Как только вы установите ключ зажигания или Кнопка запуска/остановки двигателя в положении ON позиция. - Загорается примерно на 3 секунды - Горит, если стояночный тормоз применены. При включении стояночного тормоза. Когда уровень тормозной жидкости в...