Kia Forte: электрическая система кузова / интегрированный блок управления кузовным оборудованием (IBU)

Киа Kia Forte 2019-2023 (БД) Руководство по ремонту / Электрическая система кузова / Встроенный блок управления кузовом (IBU)

Технические характеристики
Технические характеристики

Предметы
Технические характеристики
Номинальное напряжение
12 В постоянного тока
Рабочее напряжение
9–16 В постоянного тока
Рабочая Температура
-40 - 176°F (-40 - 80°C)
Темный ток
Макс. 4,0 мА

Компоненты и расположение компонентов
Расположение компонента
[4ДР]

1. Встроенный блок управления кузовом (МСБ)


[5ДР]

1. Встроенный блок управления кузовом (МСБ)


Принципиальные диаграммы
Разъем и функция терминала
[Не умный ключ]

Приколоть
Соединитель А
Соединитель Б
1
-
Передний омыватель switch_input
2
-
-
3
-
Ключ соленоид_выход
4
-
Ключ в switch_output
5
-
Ключ блокировки switch_output
6
Индикатор заднего центрального ремня безопасности_выход
переключатель парковки дворников_input
7
Индикатор заднего левого ремня безопасности_output
Индикатор безопасности_выход
8
Индикатор заднего правого ремня безопасности_выход
Тормозной переключатель_вход
9
Вспомогательный индикатор ремня безопасности_output
Haptic_output
10
Переключатель головного света High_input
Переключатель громкости переднего стеклоочистителя_Input
11
Наружное зеркало unfolding_output
Выход подсветки замочной скважины
12
Складывание наружного зеркала_выход
-
13
-
Выделенный ДХО
14
PDW alarm_output
PDW option_input
15
Выходная мощность PDW-R
B-CAN_Низкий
16
Выходная мощность PDW-F
B-CAN_High
17
PDW power_input
Power_ground
18
-
ECU_ground
19
-
-
20
-
-
21
-
-
22
KLINE_иммобилайзер
Запрет запуска relay_output
23
-
Индикатор переключателя PDW_output
24
-
Передний стеклоочиститель switch_input
25
Люк на крыше status_input
-
26
PDW switch_input
Многофункциональный переключатель Ground_input
27
-
Реле питания стеклоочистителя_выход
28
-
Датчик автоматического освещения Ground_output
29
-
Сигнал датчика автоматического освещения_input
30
LIN1 (PDW)
Датчик автоматического освещения power_output
31
-
-
32
Переключатель света_вход
Реле высокого уровня переднего стеклоочистителя_выход
33
Противотуманные фары switch_input
Реле низкого уровня переднего стеклоочистителя_выход
34
IGN 2_ввод
Передний стеклоочиститель с низким задним ходом switch_input
35
IGN 1_вход
P-CAN_Низкий
36
ACC_input
P-CAN_High
37
Power_battery (+)

38
ЭБУ_батарея (+)
39
Мощность_выходной мощности антенны иммобилайзера
40
Антенна иммобилайзера Ground_Output

[Умный ключ]

Приколоть
Соединитель А
Соединитель Б
Соединитель С
1

Передний омыватель switch_input
Драйвер вне ручки switch_input
2
Лампа кармана лужи_output
-
Вспомогательный внешний дескриптор switch_input
3
-
-
Поиск брелока signal_output (на WPC)
4
-
-
-
5
Внешний зуммер_выход
-
RPM_input
6
Индикатор заднего центрального ремня безопасности_выход
переключатель парковки дворников_input
Подсветка SSB (+)_выход
7
Индикатор заднего левого ремня безопасности_output
Индикатор безопасности_выход
ACC relay_output
8
Индикатор заднего правого ремня безопасности_выход
Тормозной переключатель_вход
IGN 1 реле_выход
9
Вспомогательный индикатор ремня безопасности_output
Haptic_output
IGN 2 реле_выход
10
Переключатель головного света High_input
Переключатель громкости переднего стеклоочистителя_Input
Запустить relay_output
11
Наружное зеркало unfolding_output
-
Драйвер вне дескриптора switch_output
12
Складывание наружного зеркала_выход
-
Вспомогательный внешний дескриптор switch_output
13
-
Выделенный ДХО

Внутренняя антенна 1 (+)_выход
14
PDW alarm_output
PDW option_input
Внутренняя антенна 2 (+)_выход
15
Выходная мощность PDW-R
B-CAN_Низкий
Внутренняя антенна 3 (+)_выход
16
Выходная мощность PDW-F
B-CAN_High
Антенна заднего бампера (+)_выход
17
PDW power_input
Power_ground
-
18
ESCL Enable_output
ECU_ground
-
19
Разблокировка ESCL switch_input
-
-
20
ESCL (-)_output
-
-
21
-
-
Переключатель SSB 1_input
22
KLINE_иммобилайзер
-
Переключатель SSB 2_input
23
-
Индикатор переключателя PDW_output
AT: 'P' position_input
MT : switch_input блокировки IGN (муфта)
24
-
Передний стеклоочиститель switch_input
ESCL_COM
25
Люк на крыше status_input
-
Датчик скорости вращения колеса_вход
26
PDW switch_input
Многофункциональный переключатель Ground_input
-
27
-
Реле питания стеклоочистителя_выход
-
28
-
Датчик автоматического освещения Ground_output
-
29
-
Сигнал датчика автоматического освещения_input
-
30
LIN1 (PDW)
Датчик автоматического освещения power_output
Начать Feedback_input
31
ESCL (+)_выход
-
Переключатель внешней ручки водителя антенна_выход
32
Переключатель света_вход
Реле высокого уровня переднего стеклоочистителя_выход
Вспомогательный внешний дескриптор switch_output
33
Противотуманные фары switch_input
Реле низкого уровня переднего стеклоочистителя_выход
Внутренняя антенна 1 (-)_выход
34
IGN 2_ввод
Передний стеклоочиститель с низким задним ходом switch_input
Внутренняя антенна 2 (-)_выход
35
IGN 1_вход
P-CAN_Низкий
Внутренняя антенна 3 (-)_выход
36
ACC_input
P-CAN_High
Антенна заднего бампера (-)_выход
37
Power_battery (+)

-
38
ЭБУ_батарея (+)
39
Мощность_выходной мощности антенны иммобилайзера
-
40
Антенна иммобилайзера Ground_Output
-

Описание и работа
Описание

Интегрированный блок управления кузовом (IBU)

Встроенный блок управления кузовом имеет несколько функций, в том числе модуль управления (IBU), блок смарт-ключей (SMK) и система контроля давления в шинах (TPMS).

1.

Модуль управления кузовным оборудованием (IBU) Функции

Охранная сигнализация
Охранная сигнализация багажника
Выдает сигнал тревоги в зависимости от работы магистрали.
Тревога паники
Генерирует предупреждающий звук и отображает мигающую лампу (гудок и мигалка) в зависимости от сигнала паники.
Управление лампой безопасности
Управляет лампой безопасности в состоянии тревоги автомобиля.
Нагревательный провод
Провод обогрева дверного зеркала
Функция защиты от запотевания и размораживания предотвращает и удаляет туман и иней. от зеркала и окна с помощью выключателя провода обогрева заднего стекла (переключатель обогревателя).
Управление проводом обогрева заднего стекла
Внешняя лампа
Задний фонарь
Автоматически включает/выключает задний фонарь. Он также выключает задний фонарь автоматически, когда водитель забыл выключить фонарь выключатель.
Авто свет
Автоматически включает/выключает задний фонарь и фару в зависимости от от того, день или ночь, когда переключатель фар находится в Авто.
Приветственный свет
Функция приветственного света включает фару и задний фонарь. в течение 15 секунд при обнаружении сигнала отпирания двери автомобиля. заблокирован.
Функция сопровождения
Включает фонарь сопровождения при отключении питания во время горит головной свет.

Он включает фару и поддерживает состояние в течение 20 минут, если зажигание выключено, а фара включен.

Фара остается включенной только в течение 30 секунд, когда дверь сиденья водителя открывается и закрывается в течение 20 минут период.

Фара выключается, когда кнопка блокировки пульта дистанционного управления дважды нажимается при включенном фаре.

Фара (ближний/дальний свет)
Управляет дальним/ближним светом в зависимости от переключателя фар (многофункциональный переключатель).
Управление дневным светом
Управляет лампой дневного света в зависимости от условий в момент запуска автомобиля.
Внутренняя лампа
Лампа кнопки технического обслуживания запуска двигателя
Включает/выключает лампу SSB в зависимости от условий питания автомобиля, состояние открытой/закрытой двери и режим оповещения.
Комнатная лампа
Включает/выключает внутреннее освещение в зависимости от состояния питания автомобиля. и состояние двери открыто/закрыто.
Реостат
Управляет яркостью внутренних электрических ламп (прибор кластер, HUD, AVN и т. д.) в зависимости от входа переключателя реостата.
Провод обогрева рулевого колеса
Управление проводом обогрева рулевого колеса
Управляет проводом обогрева рулевого колеса на основе обогрева рулевого колеса проводной переключатель.
Ствол
Управление выпуском багажника
Снимает блокировку багажника и выдает предупреждение в зависимости от багажника вход переключения.
Передняя / задняя помощь при парковке
PAS-дисплей
Получает сигнал от датчика системы помощи при парковке по линии LIN. и отображает его на комбинации приборов.
Предупреждение PAS
Обнаруживает препятствия спереди и сзади с помощью системы помощи при парковке датчик (датчик PAS) в случае включения передачи (R или D) и проблемы предупреждение, если есть препятствие.
Предупреждение
Напоминание о непристегнутом ремне и контрольная лампа
Выдает предупреждение, если ремень безопасности не пристегнут, и предотвращает активация шаблона, если автомобиль движется с пристегнутым ремнем безопасности не застегивается.
Предупреждение о ключевом напоминании
Выдает предупреждение, если дверь сиденья водителя открыта при включенном адаптивном круиз-контроле.
Предупреждение о стояночном тормозе
Генерирует звуковой сигнал, если скорость автомобиля превышает 5 км/ч при Зажигание включено, стояночный тормоз включен.
Предупреждение об открытом люке
Выдает предупреждение, если ключ вынут и водитель покидает территорию. автомобиль при открытом люке.
Стеклоочиститель и омыватель
Стеклоочиститель (Низкий / Высокий / Туман / Авто)
IBU получает сигнал переключателя стеклоочистителей по шине B-CAN и отправляет данные на электродвигатель стеклоочистителя (встроенный) через связь LIN.
Передняя шайба
IBU посылает сигнал выключателя омывателя на двигатель переднего омывателя.

2.

Функции блока смарт-ключей (SMK)

СМК
Дверной замок и разблокировка
Запирает/отпирает дверь на основе сигнала отпирания двери и сигнала от кнопок на водительском/пассажирском сиденье снаружи ручек.
Приветственный свет СМК
Управляет наружным зеркалом заднего вида и лампой лужи после аутентификации смарт-ключа когда водитель со смарт-ключом приближается к автомобилю.
Умный багажник
Открывает багажник, если водитель с действующим смарт-ключом остается впереди заднего бампера (в пределах диапазона НЧ-антенны) в течение 3 секунд или более.
Предупреждение СМК
Ключевое напоминание 1
Когда водитель пытается запереть дверь, он проверяет, есть ли смарт-ключ внутри автомобиля и отпирает дверь, если есть один.
Ключевое напоминание 2
Проверяет состояние дверного замка в течение 0,5 секунды после открытия двери автомобиля. закрывается и отпирает дверь и генерирует предупреждающий звук, используя внешний зуммер, если дверь заперта.
Предупреждение о блокировке двери 1
Генерирует предупреждающий звук с помощью внешнего зуммера, если водитель пытается покинуть автомобиль при включенном ACC или IGN.
Предупреждение о блокировке двери 2
Генерирует предупреждающий звук с помощью внешнего зуммера, если водитель пытается запереть дверь и покинуть автомобиль, когда одна или несколько дверей открыты.
Предупреждение о блокировке двери 3
Ищет смарт-ключ внутри автомобиля, когда водитель пытается запереть дверь, выдает предупреждение и не запирает дверь если внутри есть смарт-ключ.
Предупреждение об отключении ключа
Если автомобиль движется со скоростью 3 км/ч или менее при включенном ACC или IGN и дверь открыта, он ищет смарт-ключ каждые 3 секунды и моргает контрольной лампой, если смарт-ключа нет.
SMK RKE (удаленный вход без ключа)
Дверной замок / разблокировка
Запирает/отпирает дверь на основе сигнала отпирания двери и сигнала от кнопок на водительском/пассажирском сиденье снаружи ручек.
Паника
Выполняет функции паники и остановки автомобиля в зависимости от паники. сигнал кнопки.
Окно открыто
Открывает/закрывает окно автомобиля по сигналу смарт-ключа.
Запуск двигателя
Кнопка старт-стоп (SSB), иммобилайзер, управление питанием пускового реле, Управление лампой SSB

3.

Функции системы контроля давления в шинах (TPMS)

Система контроля давления в шинах постоянно контролирует давление и температуру внутри шины, чтобы предупредить водителя об изменениях давления в шинах которые могут повлиять на условия вождения автомобиля. Модуль управления TPMS анализирует данные датчика WE (Wheel Electronic), прикрепленного внутри каждое колесо и определяет состояние шин и генерирует сигнал, который необходим для управления контрольной лампой.

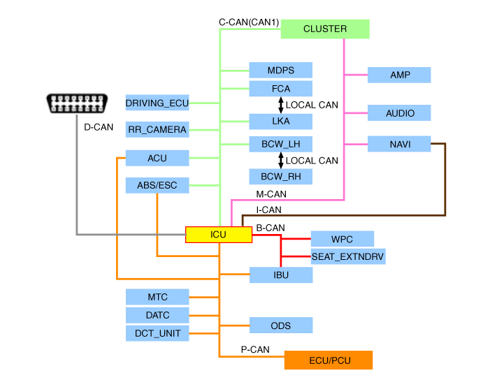
Схема сети связи

Сокращение
Объяснение
АКУ
Блок управления подушками безопасности
МДПС
Рулевое управление с электроприводом
ЛКА
Помощь в уходе за землей
БЧВ
Предупреждение о столкновении в слепых зонах
IBU
Встроенный блок управления кузовом
отделение интенсивной терапии
Встроенный центральный блок управления
МТС
Ручной контроль температуры
ДАТК
Двойной автоматический контроль температуры
ОРВ
Система обнаружения пассажиров
ПКП
Модуль управления силовым агрегатом
АБС
Антиблокировочная система)

Процедуры ремонта
Диагностика с помощью KDS
1.

В электрической системе тела неисправность можно быстро диагностировать с помощью система диагностики автомобиля (КДС).

Диагностическая система (KDS) предоставляет следующую информацию.

(1)

Самодиагностика: проверка неисправности и кодового номера (DTC)

(2)

Текущие данные: проверка состояния входных/выходных данных системы.

(3)

Проверка срабатывания: Проверка состояния работы системы

(4)

Дополнительная функция: Управление другими функциями, включая систему настройка параметров и регулировка нулевой точки

2.

Выберите «Модель автомобиля» и «Интегрированный блок управления кузовным оборудованием (IBU)», чтобы быть проверенным для того, чтобы проверить автомобиль с помощью тестера.

3.

Выберите меню «Текущие данные» для поиска текущего состояния ввода/вывода. данные.

4.

Чтобы принудительно активировать входное значение проверяемого модуля, выберите опция «Проверка активации».

5.

Если вы хотите изменить параметр пользователя, выберите «Параметры пользователя».

Удаление
1.

Отсоедините отрицательную (-) клемму аккумуляторной батареи.

2.

Снимите центральную нижнюю панель аварийной подушки.

(См. Кузов — «Центральная нижняя панель аварийной площадки»)

3.

Отсоедините разъем (A), затем снимите IBU (B) после ослабления болт и гайки.

Момент затяжки: 9,6 - 9,8 Н·м (0,7 - 1,0 кгс·м, 5,1 - 7,2 фунт·фут)

Монтаж
1.

Установите в порядке, обратном снятию.

Приборный щиток
Компоненты и расположение компонентов Компоненты 1. Комбинация приборов 2. Приборная панель кластера Принципиальные диаграммы Функция разъема и терминала ...
Интегрированная система сиденья с памятью (IMS)
Технические характеристики Технические характеристики Сиденье с памятью и электроприводом Элемент Технические характеристики Номинальное напряжение 12 В постоянного тока Рабочее напряжение ...
Дополнительная информация:

Kia Forte 2019-2023 (BD) Руководство по эксплуатации: Уход за ремнями безопасности


Системы ремней безопасности никогда не должны разобран или модифицирован. Кроме того, следует позаботиться о том, чтобы обеспечить что ремни безопасности и ременная фурнитура не повреждены петлями сидений, дверей или другие злоупотребления. Периодическая проверка Все ремни безопасности должны быть проверены периодически на предмет износа или повреждения ...

Kia Forte 2019-2023 (BD) Руководство по эксплуатации: Система удержания в полосе (LKA)


Система удержания в полосе есть предназначен для обнаружения разметки полосы движения на дороге с камерой переднего вида на лобовом стекле и помогает рулевое управление, помогающее водителю удерживать автомобиль на полосах. Когда система обнаруживает автомобиль отклоняясь от своей полосы, он предупреждает доктор ...