Kia Forte: предохранители и реле / ​​интегрированный центральный блок управления (ICU)

Киа Kia Forte 2019-2023 (БД) Руководство по ремонту / Электрическая система кузова / Предохранители и реле / Интегрированный центральный блок управления (ICU)

Компоненты и расположение компонентов
Расположение компонента

1. Интегрированное централизованное управление отделение (ОРИТ)


Описание и работа
Описание

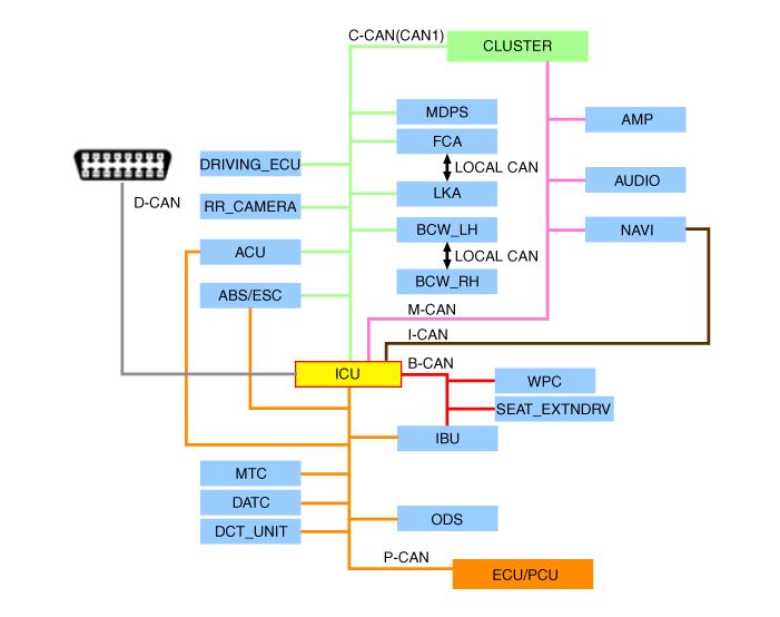
Схема сети связи

Сокращение
Объяснение
АКУ
Блок управления подушками безопасности
МДПС
Рулевое управление с электроприводом
ЛКА
Система удержания полосы движения
БЧВ
Предупреждение о столкновении в слепых зонах
IBU
Встроенный блок управления кузовом
отделение интенсивной терапии
Интегрированный центральный блок управления
МТС
Ручной контроль температуры
ДАТК
Двойной автоматический контроль температуры
ОРВ
Система обнаружения пассажиров
ПКП
Модуль управления силовым агрегатом
АБС
Антиблокировочная система

Интегрированный центральный блок управления (ICU)

ICU (Integrated Central Control Unit) — интегрированная модель интеллектуального узла. блок и центральный шлюз.

Он выполняет функцию обычного «Умного распределительного блока» и функцию средства связи «Центральный шлюз».

Центральный шлюз (CGW)

CGW — это контроллер, обеспечивающий связь между контроллерами, подключенными к разные сети.

К CGW подключено пять сетей CAN. B-CAN и M-CAN подключены к низкоскоростные CAN, C-CAN и P-CAN к высокоскоростным CAN при подключении D-CAN для проверки.

1.

Основные характеристики CGW

(1)

Маршрутизация: обмен информацией между различными автомобильными коммуникациями. сети.

(2)

Контроль безопасности сети: разрешает только инспекционную связь (D-CAN) для подключения бортовой сети связи, чтобы предотвращать

(3)

Дополнительные функции

Если сигнальная лампочка горит, выполните дистанционную диагностику шасси. система (C-CAN) через I-Box и шлюз

Функция удаленной диагностики I-Box (C-CAN) через шлюз приостанавливается.

Измерение темнового тока: после отправки принудительного электронного сообщение об отключении частей для каждой сети от диагностического оборудования, шлюз также переходит в спящий режим.

Текущая проверка операции: проверьте проблему во время работы электронных частей

(4)

Диагностика неисправности при сбое передачи сигнала CAN по каналу связи дефект управления

(CGW записывает DTC для контроллера с ошибкой передачи.)

2.

Как проверить КГВ

(1)

Хотя при проверке появляется запись «Нет сигнала CGW CAN (TIMEOUT)». код неисправности неисправного электронного компонента, никогда не определяйте его как отказ КГВ. CGW — это контроллер, который служит промежуточным звеном в автомобиле. передающие/приемные контроллеры. Если одно из следующих двух возникают случаи: (1) передающий контроллер не может отправить сообщение в CGW, что приводит к тому, что CGW не может отправить его принимающему контроллеру; (2) CGW отправляет предварительно определенное значение (Timeout Value), соответствующий приемник записывает код неисправности отказа передачи сообщения. Таким образом, чтобы окончательно определить контроллер, который не может отправить CAN сигнал, должен быть проверен DTC CGW. CGW записывает DTC только тогда, когда он не может получить сигнал более 10 секунд с KEY НА. Чтобы определить причину отсутствия передачи сигнала CAN, CGW DTC должен быть проверен после ожидания более 20 секунд с КЛЮЧ ВКЛ.

(2)

Если блок управления связью CAN не переустанавливается после при снятии с автомобиля CGW записывает код неисправности «Нет сигнала CAN». для единицы.

Например, код неисправности «Сигнал DDM CAN не out' создается, когда удаленный DDM не переустанавливается.

Если код неисправности остается после замены электронных компонентов и код неисправности не стерт, проверьте, не поврежден ли разъем электронного компонент правильно подключен, и правильно ли подключена шина CAN контроллера. проводка работает нормально. В случае, если снятый электронный компонент не может быть переустановлена, служба «Стереть ожидаемую сетевую конфигурацию» должна выполняться. Обратитесь к руководству по проверке DTC для каждой неисправности. код метода выполнения службы.

В противном случае код неисправности «Нет сигнала CAN» на соответствующем контроллере можно не удалять.

Выполните «Дополнительная функция» > «Настройка сети». инициализации" в проверяющем устройстве (KDS), ссылаясь на Руководство по коду неисправности.

(3)

IGN2 SJB включен, когда MCU вышел из строя (состояние неработоспособности). из-за внешнего физического или электрического удара). Безопасность водитель защищен принудительным включением фар ближнего света, внешние и внутренние задние фонари, когда выключатель ближнего света фар НА.

(4)

IGN2 включен, когда передача/прием данных невозможна из-за сбоя в линии связи CAN (оба кабеля высокого/низкого замыкают, BAT замыкают на высокий/низкий, GND замыкают на высокий/низкий) в случае неисправности линии связи CAN, подключенной к модулю SJB. Когда переключатель ближнего света фар включен, фары ближнего света и внутренние/внешние задние фонари включаются принудительно.

Умный распределительный блок (SJB)

Smart Junction Block (SJB) — это модуль, выполняющий функцию обычного Распределительная коробка и некоторые функции IBU.

Он управляет различными компонентами, включая лампы, используя связь CAN и ИПС (заменяющий функцию предохранителя и реле) или АРИСУ.

IPS расшифровывается как Intelligent Power Switch, в котором используется полупроводниковая технология. заменить текущую роль предохранителя и реле.

Чип IPS выполняет две функции:

1) управление сильноточными компонентами;

2) защита компонентов от перегрузки по току.

Преимущества IPS заключаются в следующем:

Уменьшите реле и, следовательно, уменьшите вес и объем

Убрать шум работы реле

Нет необходимости заменять предохранители и увеличивать срок службы изделия

Возможность диагностировать неисправные детали

Вход управления SJB

1.

Вход сигнала переключения

(1)

Выключатель вспомогательного ремня безопасности

Переключатель напоминания о непристегнутых ремнях безопасности

Помогите дверному выключателю

Выключатель ремня безопасности водителя

Выключатель ремня безопасности водителя

Выключатель двери заднего левого сиденья

Выключатель двери заднего правого сиденья

Выключатель заднего ремня безопасности Левый

Выключатель ремня безопасности заднего правого сиденья

Выключатель ремня безопасности заднего центрального сиденья

Переключатель IGN1

Переключатель IGN2

Датчик тормозной жидкости

Переключатель открытия багажника

Переключатель ручки крышки багажника

HID-фара (опция)

Опция HID-фары ADV

Аварийный выключатель

Переключатель ближнего света фар

Выключатель капота

Темный выключатель

Переключатель левого переднего/заднего указателя поворота

Переключатель правого переднего/заднего указателя поворота

(2)

IPS&ARISU

Ближний свет левой фары

Ближний свет правой фары

Дальний свет правой фары

Дальний свет правой фары

Передний левый/правый противотуманный фонарь

Задний фонарь номера

Наружный левый задний фонарь

Задний фонарь для наружного освещения

Левые передние/задние поворотники

Правый передний/задний поворотники

Статические поворотные левые фонари

Статический изгибающий правый фонарь

ДХО Левая лампа

ДХО правая лампа

Лампа в багажнике

Сопротивление тела Контроль пореза

Выход переднего левого поворотника

Выход переднего правого поворотника

(3)

Релейное управление

Реле обогрева заднего стекла

Реле звукового сигнала противоугонной сигнализации

реле крышки багажника

Реле освещения салона

Реле обогрева лобового стекла

Реле задних противотуманных фар

Реле дальнего света фар

2.

защита SJB

(1)

Функции PCL (программируемое ограничение тока)

PCL заменяет функцию защиты распределительной коробки. провода.

Как работать : Если ток лампы превышает стандарт уровень, отключите ток, чтобы защитить лампу.

Время отключения лампы: 300 мс или менее.

Используемые компоненты: все компоненты лампы контролируются SJB

Вывести код ошибки в соответствии с обнаружением ошибки условия.

(2)

OCL (ограничение открытого тока)

OCL определяет открытое состояние лампы и информирует пользователя этого.

Как работать: Определите ток лампы и, если ниже стандартного уровня, измените режим работы лампы.

Используемые компоненты: 4 лампы указателя поворота

Вывести код ошибки в соответствии с обнаружением ошибки условия.

3.

Функция отказоустойчивости SJB

(1)

Когда MCU вышел из строя (не работает из-за физической или поражение электрическим током извне), а также IGN2 и ближний свет фар. переключатель включен, SJB включает ближний свет фар и внешний/внутренний свет. лампы для включения, чтобы обеспечить безопасность водителя.

(2)

При сбое передачи/приема данных из-за отказа CAN линия связи, подключенная к модулю SJB (отключение обоих высокая и низкая линия, высокий/низкий BAT короткий, высокий/низкий GND короткий), Фары ближнего света и внутренние/внешние задние фонари принудительно поворачиваются горит, если IGN2 включен и переключатель ближнего света фар включен.

4.

Система автоматического отключения темнового тока

(1)

Описание : Автоматически отключает питание, которое должно быть обеспечено компоненты для уменьшения бесполезного темнового тока в зависимости от автомобиля состояние.

(2)

У SJB было 3 режима: «Нормальный режим», «Спящий режим», «Режим отключения питания». Автоматическое отключение темной текущей практики в «Спящем режиме».

Состояние «сна»: IG OFF, постоянный входной переключатель, CAN сеть не активируется.

Решающее условие «Сон»: любой вход переключателя, CAN сеть активируется, KEY ON, IGN ON

Условие «Питание выключено»: время установки таймера, которое используется путем отключения нагрузки, мощность истекает.

«Нормальный режим»: функция SJB обычно активируется.

«Спящий режим»: это режим пониженного энергопотребления, который активируется на снижение потребления электроэнергии SJB или IPM. Автоматическая обрезка активируется функция темнового тока.

«Режим отключения питания»: питание MCU и контурной цепи. обрезается для минимизации потребления электроэнергии. Операция останавливается.

(3)

Объяснение - Автоматическое отключение темнового тока

Перед доставкой заказчику
Выключатель предохранителя ВЫКЛ.

Все двери закрыты и дверной замок RKE или постоянный переключатель состояние

(Начинается автоматический вырез сценария темного тока.)

После «сна» состояние длится 20 мин.

Отключение питания SJB (темновой ток SJB: 200 мкА) и мощность резки лампы

/Нагрузка тела/Пробуждение


После доставки заказчику
Переключатель предохранителя ВКЛ.

Все двери закрыты и постоянное состояние переключателя: C_BAState=OFF

(Начинается автоматический вырез сценария темного тока.)

После «сна» состояние длится 20 мин.

Отключение питания SJB (темновой ток SJB: 200 мкА) и мощность резки ламповой нагрузки

В случае дверного замка RKE: C_BAState=ON & Trunk ПО=ЗАКРЫТЬ

(Начинается автоматический вырез сценария темного тока.)

После состояния "Сон" 35с-65с (время ожидания другой блок: 30-60 с + SJB

сон считается 5с)

SJB Powerdown (темновой ток SJB: 200 мкА) и режущая способность

Ламповая нагрузка


(4)

Проблема при неправильной установке переключателя предохранителя

: Если предохранитель установлен в положение OFF (перед доставкой покупателю) заказчиком или техническим специалистом и функцией автоматического отключения темнового тока активируется, могут возникнуть следующие проблемы.

Симптом
Связанная часть

Блокировка/разблокировка дверей, открытие багажника не активируются РКЭ.

(Пробуждение каждого модуля не активируется.)

IBU

Цифровые часы сброшены. (Память сброшена.)

Цифровые часы

Значения настроек звука (громкость, настройка частоты) сбрасываются.

(Память сброшена.)

Аудио

* Если выключатель предохранителя выключен (перед доставкой клиенту), питание IBU, цифровые часы и звук отключены.

Процедуры ремонта
Проверка предохранителей
1.

Убедитесь, что держатели предохранителей закреплены свободно, а предохранители надежно закреплены. фиксируется держателями.

2.

Убедитесь, что каждая цепь предохранителей имеет точную мощность предохранителя.

3.

Проверьте предохранители на наличие повреждений.

Если необходимо заменить предохранитель, обязательно используйте новый предохранитель одинаковая емкость. Всегда определяйте причину перегоревшего предохранителя и полностью устранить проблему перед установкой нового предохранителя.

Диагностика с помощью КДС
1.

В электрической системе тела неисправность можно быстро диагностировать с помощью система диагностики автомобиля (КДС).

Диагностическая система (KDS) предоставляет следующую информацию.

(1)

Самодиагностика: проверка неисправности и кодового номера (DTC).

(2)

Текущие данные: проверка состояния входных/выходных данных системы.

(3)

Проверка срабатывания: Проверка состояния работы системы.

(4)

Дополнительная функция: Управление другими функциями, включая систему настройка параметров и регулировка нулевой точки.

2.

Выберите «Модель автомобиля» и «Интегрированный центральный блок управления (ICU)». для проверки автомобиля с помощью тестера.

3.

Выберите меню «Текущие данные» для поиска текущего состояния ввода/вывода. данные.

4.

Чтобы принудительно активировать входное значение проверяемого модуля, выберите опция «Проверка срабатывания»

5.

Если вы хотите изменить параметр пользователя, выберите «параметр пользователя».

Удаление
1.

Отсоедините отрицательную (-) клемму аккумуляторной батареи.

2.

Снимите нижнюю панель аварийной подушки.

(См. Кузов — «Нижняя панель аварийной площадки»)

3.

Снимите узел бокового переключателя аварийной подушки (A) после ослабления крепления. винты.

4.

Отсоедините разъем блока боковых переключателей аварийной подушки (А).

5.

Снимите ICU (A), ослабив гайки после отсоединения разъема.

6.

Отсоедините разъем (А) от блока интенсивной терапии.

Монтаж
1.

Установите в порядке, обратном снятию.

Распределительный блок машинного отделения
Компоненты и расположение компонентов Расположение компонентов [4ДР] 1. Распределительный блок машинного отделения [5ДР] 1. Крышка двигателя...
Переключатель регулировки положения фар (ручной)
Принципиальные диаграммы Принципиальная электрическая схема Процедуры ремонта Удаление 1. Отсоедините отрицательную (-) клемму аккумуляторной батареи. 2. Убрать сбой...
Дополнительная информация:

Kia Forte 2019-2023 (BD) Руководство по техническому обслуживанию: Обивка спинки заднего сиденья


Компоненты и расположение компонентов Расположение компонента 1. Обивка спинки заднего сиденья [правая] 2. Обивка спинки заднего сиденья [левая] Процедуры ремонта Замена (Настольный тип спинки) 1. Снимите спинку заднего сиденья в сборе. (См. Задний...

Kia Forte 2019-2023 (BD) Руководство по обслуживанию: Индикаторы и датчики


Поиск неисправностей Поиск неисправностей Элемент ошибки Симптом отказа Пункты проверки Подробные проверки Соответствующие части/ Компоненты Экранный дисплей ЖК-экран не включается 1 ...