Kia Forte: Система впуска и выпуска / Турбокомпрессор и выпускной коллектор

Киа Kia Forte 2019-2023 (БД) Руководство по ремонту / Механическая система двигателя / Впускная и выпускная система / Турбокомпрессор и выпускной коллектор

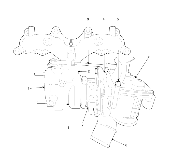
Компоненты и расположение компонентов
Компоненты

1. Прокладка турбо коллектора
2. Модуль турбоколлектора
3. Катализатор
4. Муфта турбонагнетателя и прокладка
5. Трубка подачи масла и шланг в сборе
6. Трубка слива масла в сборе
7. Обогрев модуля турбоколлектора защитник
8. Водопроводная трубка и шланг турбонагнетателя в сборе.
9. Турбокомпрессор остается
10. Впускная труба
11. Прокладка впускной трубы
12. Опора впускной трубы
13.Прокладка маслосливной трубы

1. Турбина Корпус
2. Вход в турбину
3. Выход из турбины
4. Корпус компрессора

5. Компрессор вход
6. Выход компрессора
7. Электропривод перепускной заслонки
8. Шток электропривода перепускной заслонки

Процедуры ремонта
Снятие и установка
1.

Снимите кожух двигателя.

(См. Двигатель и трансмиссия в сборе — «Крышка двигателя»)

2.

Снимите крышку машинного отделения.

(См. Двигатель и трансмиссия в сборе — «Под крышкой моторного отсека»)

3.

Слейте охлаждающую жидкость двигателя.

(См. Система охлаждения — «Охлаждающая жидкость»)

4.

Снимите батарею и поддон для батареи.

(См. Электрическая система двигателя — «Аккумулятор»)

5.

Снимите воздушный фильтр в сборе.

(См. Система впуска и выпуска — «Воздухоочиститель»)

6.

Снимите передний глушитель.

(См. Система впуска и выпуска — «Глушитель»)

7.

Отсоедините разъем переднего кислородного датчика (А).

8.

Отсоедините кабель заземления двигателя (А).

Момент затяжки :

10,8–13,7 Н·м (1,1–1,4 кгс·м, 8,0–10,1 фунт·фут)

9.

Отсоедините удлинительный разъем электрического привода перепускной заслонки (EWGA). (А).

10.

Снимите опору впускной трубы (В).

Момент затяжки

Болты М8:

18,6–23,5 Н·м (1,9–2,4 кгс·м, 13,7–17,4 фунт-фут)

Болт М10:

29,4–34,3 Н·м (3,0–3,5 кгс·м, 21,6–25,3 фунт-фут)

11.

Снимите впускную трубу (С) и прокладку.

Момент затяжки

Болты:

29,4–39,2 Н·м (3,0–4,0 кгс·м, 21,6–28,9 фунт·фут)

Орех :

35,3–41,1 Н·м (3,6–4,2 кгс·м, 26,0–30,3 фунт-фут)

12.

Снимите водяную трубу и шланг турбонагнетателя (A).

Момент затяжки

Фланцевый болт:

9,8–11,8 Н·м (1,0–1,2 кгс·м, 7,2–8,7 фунт·фут)

Болт с проушиной:

26,4–32,3 Н·м (2,7–3,3 кгс·м, 19,5–32,3 фунт-фут)

13.

Снимите теплозащитный щиток (В) модуля турбоколлектора.

Момент затяжки :

9,8–11,8 Н·м (1,0–1,2 кгс·м, 7,2–8,7 фунт-фут)

14.

Снимите каталитический нейтрализатор (А).

Момент затяжки :

35,3–41,1 Н·м (3,6–4,2 кгс·м, 20,0–30,3 фунт-фут)

15.

Снимите трубку подачи масла турбонагнетателя (А).

Момент затяжки

Болты М6:

9,8–11,8 Н·м (1,0–1,2 кгс·м, 7,2–8,7 фунт-фут)

Болт с проушиной:

11,8–17,6 Н·м (1,2–1,8 кгс·м, 8,7–41,1 фунт·фут)

При установке полностью удалить масло из узла части и будьте осторожны, чтобы не попасть внутрь пыли.

При установке болта с проушиной соблюдайте осторожность, чтобы не коснуться пробкой к корпусу компрессора.

16.

Снимите трубку слива масла турбонагнетателя (А).

Момент затяжки :

9,8–11,8 Н·м (1,0–1,2 кгс·м, 7,2–8,7 фунт-фут)

При установке полностью удалите масло с монтажной детали.

17.

Снимите опору турбонагнетателя (А).

Момент затяжки :

49,0–53,9 Н·м (5,0–5,5 кгс·м, 36,1–39,7 фунт-фут)

При установке временно затяните болт в порядке, указанном на рисунке. и полностью затяните болт указанным моментом по порядку.

18.

Снимите опорный кронштейн крепления двигателя.

(1)

Ставим домкрат под масляный поддон.

Поместите деревянный брусок между домкратом и масляным поддоном. во избежание повреждения масляного поддона.

(2)

Снимите опорный кронштейн крепления двигателя (А).

Момент затяжки

Гайка (B): 88,3–13,7 Н·м (9,0–11,0 кгс·м, 65,1–79,6) фунт·фут)

Болт и гайки (C): 58,8–73,5 Н·м (6,0–7,5 кгс·м, 43,4–54,2 фунт·фут)

(3)

Слегка опустите домкратом, чтобы освободить место для снятия Модуль турбо коллектора.

19.

Снимите модуль турбоколлектора (А) и прокладку (В).

Момент затяжки :

35,3–41,1 Н·м (3,6–4,2 кгс·м, 26,0–30,3 фунт-фут)

При установке следует собирать его по направлению к покрытию сторона (черная).

При установке временно затяните гайку на картинке заказ и полностью затяните болт с указанным крутящим моментом чтобы.

20.

Установите в порядке, обратном снятию.

При установке заменить на новую прокладку.

Если трубка и шланг подачи масла повреждены, турбонагнетатель могут быть повреждены из-за отсутствия подачи масла в турбонагнетатель. хороший. Будьте осторожны, чтобы не раздавить.

Осмотр на автомобиле
Поток диагностики турбокомпрессора

Если есть какие-либо проблемы, связанные с турбокомпрессором, такие как недостаточная мощность двигателя, плохой ускорение, ненормальный шум двигателя или утечка масла, проверьте турбонагнетатель в соответствии с процедурой следующим образом.

1.

Проверьте сборку турбокомпрессора и выпускного патрубка (или после лечения).

Проверьте, установлена ​​ли прокладка.

Проверьте, правильно ли затянуты монтажные болты (или гайки).

Проверьте, нет ли утечки газа.

Проверьте, нет ли на деталях повреждений, например, трещин.

Если утечка газа произошла из-за того, что не была установлена ​​прокладка или болты крепления (или гайки) были затянуты ненадлежащим образом, это может вызвать ненормальный шум двигателя.

Если причина проблемы обнаружена, подтяните болты крепления (или гайки) с указанным моментом затяжки или замените прокладку или поврежденные детали. с новыми при необходимости.

2.

Проверьте сборку турбокомпрессора и выпускного коллектора.

Проверьте, установлена ​​ли прокладка.

Проверьте, правильно ли затянуты монтажные болты (или гайки).

Проверьте, нет ли утечки газа.

Проверьте, нет ли на деталях повреждений, например, трещин.

Если утечка газа произошла из-за того, что не была установлена ​​прокладка или болты крепления (или гайки) были затянуты ненадлежащим образом, это может вызвать ненормальный шум двигателя.

Если причина проблемы обнаружена, подтяните болты крепления (или гайки) с указанным моментом затяжки или замените прокладку или поврежденные детали. с новыми при необходимости.

3.

Проверьте сборку выпускного коллектора и головки блока цилиндров.

Проверьте, установлена ​​ли прокладка.

Проверьте, правильно ли затянуты монтажные болты (или гайки).

Проверьте, нет ли утечки газа.

Если утечка газа произошла из-за того, что не была установлена ​​прокладка или болты крепления (или гайки) были затянуты ненадлежащим образом, это может вызвать ненормальный шум двигателя.

Если причина проблемы обнаружена, подтяните болты крепления (или гайки) с указанным моментом затяжки или при необходимости установите новую прокладку.

4.

Проверьте трубку и шланг подачи масла турбонагнетателя, а также трубку и шланг слива масла.

Проверьте, установлена ​​ли прокладка.

Проверьте, правильно ли затянуты крепежные болты.

Проверьте, на месте ли зажимы.

Проверьте, не повреждены ли маслопроводы и шланги (согнуты, раздавлены, порваны). или треснул).

Если утечка газа произошла из-за того, что не была установлена ​​прокладка или болты крепления затянуты неправильно, это может привести к утечке масла.

Если труба и шланг подачи масла повреждены, моторное масло не подается в достаточном количестве. к турбокомпрессору, это может повредить турбокомпрессор. Если слив масла трубка и шланг повреждены и забиты, моторное масло сливается неравномерно это может привести к утечке масла из турбонагнетателя.

Если причина проблемы обнаружена, подтяните болты крепления (или гайки) с указанным моментом затяжки или замените прокладку или поврежденные детали. с новыми при необходимости.

5.

Проверьте наличие утечек масла между центральным корпусом и корпусом компрессора.

Проверьте, правильно ли затянуты крепежные болты.

Проверьте, нет ли утечки масла.

Если уплотнительное кольцо (прокладка) между центральным корпусом и компрессором корпус поврежден, это может привести к утечке масла.

Если обнаружена утечка масла, замените турбокомпрессор на новый.

6.

Проверьте установочные метки на штоке EWGA турбонагнетателя.

Убедитесь, что установочная метка штока EWGA (A) выровнена по одной линии.

Если установочные метки не выровнены по одной линии, производительность двигателя изменяется произвольной настройкой турбокомпрессора после поставки.

Если установочные метки не совпадают, замените турбокомпрессор. с новым.

7.

Проверьте турбокомпрессор EWGA.

Электрический привод перепускной заслонки: проверьте движение EWGA. штока при принудительном режиме работы привода КДС. (Ссылаться к руководству по коду неисправности)

Повреждение турбокомпрессора EWGA может привести к недостаточной мощности двигателя. и плохой разгон.

Если шток EWGA не двигается, замените турбонагнетатель новым.

8.

Проверьте колесо компрессора турбонагнетателя.

Проверьте, не повреждено ли колесо компрессора (погнуто или деформировано).

Проверьте, плавно ли вращается колесо компрессора.

БЫВШИЙ)

Если колесо компрессора повреждено, это может вызвать ненормальный шум от турбокомпрессор и плохое ускорение.

Если колесо компрессора повреждено или деформировано, замените турбокомпрессор. с новыми.

9.

Проверьте турбинное колесо турбонагнетателя.

Проверьте, не повреждено ли турбинное колесо.

Проверьте, плавно ли вращается турбинное колесо.

БЫВШИЙ)

Если турбинное колесо повреждено, это может вызвать ненормальный шум от турбокомпрессор и плохое ускорение.

Если турбинное колесо повреждено или деформировано, замените турбокомпрессор. с новыми.

Если какая-либо проблема не обнаружена в турбокомпрессоре, проверьте относящуюся к турбокомпрессору части в соответствии с процедурой следующим образом.

1.

Проверьте продувочный шланг.

Проверьте, не поврежден ли шланг сапуна (перегнут, засорен).

Проверьте, не засорен ли клапан принудительной вентиляции картера (PCV).

Если шланг сапуна согнут или засорен, внутреннее давление в увеличивается, то моторное масло не подается равномерно к турбонагнетателю. Это может привести к повреждению турбонагнетателя и утечке масла.

Если причина проблемы обнаружена, замените вентиляционный шланг или родственные части новыми.

2.

Проверьте шланг воздухозаборника, подсоединенный к турбонагнетателю.

Проверьте, не поврежден ли шланг воздухозаборника (согнут, раздавлен, отсоединен). или порванный).

Если поперечное сечение шланга уменьшается по мере изгиба шланга воздухозаборника или раздавливается, всасываемый воздух в турбокомпрессор уменьшается и давление перед капель турбокомпрессора. Это может привести к повреждению турбонагнетателя и масла. утечки. Если шланг воздухозаборника отсоединен или порвался, постороннее вещество попадает в турбокомпрессор и вызывает его повреждение.

Если шланг воздухозаборника поврежден, замените его новым.

3.

Проверьте воздухоочиститель.

Проверьте фильтр воздухоочистителя на предмет загрязнения.

Проверьте фильтр воздухоочистителя на попадание воды.

Проверьте крышку воздухоочистителя на загрязнение.

Проверьте, является ли фильтр воздухоочистителя оригинальной деталью.

Если фильтр воздухоочистителя чрезмерно увлажнен или загрязнен, или неоригинальный часть израсходована, воздух, поступающий в турбонагнетатель, уменьшается, и давление в перед турбонагнетателем опускается. Так что это может привести к повреждению турбокомпрессора. и утечки масла. .

Если фильтр воздухоочистителя чрезмерно увлажнен или загрязнен, замените его. это с новым.

Замените фильтр воздухоочистителя в соответствии с графиком технического обслуживания.

4.

Проверьте патрубки и патрубки интеркулера.

Проверьте, правильно ли подсоединены шланги и трубки промежуточного охладителя.

Проверьте, не повреждены ли шланги и трубки промежуточного охладителя (согнуты, отсоединены). или порванный).

Проверьте, нет ли повреждений, например трещин, на интеркулере. трубы.

Проверьте, на месте ли зажимы.

Если шланги и трубки промежуточного охладителя повреждены или отсоединены, масло вытекает. может произойти из шлангов и труб, а турбонагнетатель может превысить допустимую скорости, это может привести к повреждению турбонагнетателя.

Если шланги и трубки промежуточного охладителя повреждены, замените их новыми.

Используйте новые хомуты при замене шлангов и труб.

5.

Проверьте интеркулер.

Проверьте, не повреждены ли патрубки и бачки промежуточного охладителя (утечка масла). или трещина).

Если интеркулер поврежден, турбонагнетатель может превысить допустимую скорости, это может привести к повреждению турбонагнетателя.

Если интеркулер поврежден, замените его новым.

При замене интеркулера используйте новые хомуты.

6.

Проверьте моторное масло.

Проверьте уровень моторного масла.

Проверьте моторное масло на изменение цвета, приток воды и вязкость. деградация.

Проверьте класс моторного масла.

Если уровень моторного масла низкий, количество моторного масла, подаваемого в турбокомпрессор, уменьшается, то подшипники в турбонагнетателе могут заклинить из-за недостаточного смазка и охлаждение.

Если причина проблемы обнаружена, долейте или замените моторное масло.

Замените моторное масло в соответствии с графиком технического обслуживания.

7.

Проверьте давление масла в двигателе.

Давление масла в двигателе: проверьте давление масла с помощью манометр после снятия датчика давления масла на блоке цилиндров.

Проверьте сетку моторного масла в масляном поддоне, если моторное масло уровень низкий. Затем проверьте форсунки на наличие утечек газа, если посторонние вещества скапливаются на масляном экране.

Если уровень моторного масла низкий, количество моторного масла, подаваемого в турбокомпрессор, уменьшается, то подшипники в турбонагнетателе могут заклинить из-за недостаточного смазка и охлаждение.

Если причина проблемы обнаружена, долейте или замените моторное масло. Если на масляном экране скопились посторонние вещества, промойте масляный экран и замените шайбу форсунки на новую после проверки форсунок на предмет утечки газа. Проверьте детали двигателя, связанные с маслом, такие как масляный насос, если необходимый.

Поскольку турбокомпрессор вращается с высокой скоростью 100 000 об/мин или выше, ухудшение моторного масла может привести к повреждению турбокомпрессора подшипники. Проверьте моторное масло на изменение цвета, приток воды, вязкость. деградация и снижение давления масла.

8.

Проверьте форсунки, датчики, клапан EGR и т. д. (см. группу FL)

Проверьте, правильно ли работают форсунки.

Проверьте, не работают ли датчики, такие как датчик массового расхода воздуха (MAFS). датчик температуры впускного воздуха (IATS), датчик давления наддува (BPS), работать должным образом.

Проверьте, правильно ли работает клапан рециркуляции отработавших газов (EGR).

Если форсунки, датчики, клапан рециркуляции отработавших газов и т. д. не работают должным образом, может привести к недостаточной мощности двигателя.

Если причина проблемы обнаружена, замените соответствующие детали на новые.

Впускной коллектор
Компоненты и расположение компонентов Компоненты 1. Впускной коллектор в сборе 2. Прокладка впускного коллектора 3. Прокладка корпуса электронной дроссельной заслонки. 4. Электронный ...
интеркулер
Компоненты и расположение компонентов Компоненты 1. Интеркулер 2. Впускной шланг интеркулера 3. Впускной шланг и трубка промежуточного охладителя 4.Интеркулер шланг и я...
Дополнительная информация:

Руководство по эксплуатации Kia Forte 2019-2023 (BD): Интеллектуальная вариаторная трансмиссия (IVT)


Интеллектуальная переменная передача (ИВТ) операция Интеллектуальная переменная передача (IVT) автоматически переключается в зависимости от скорости и положения педали акселератора. Индивидуальные скорости выбирается автоматически в зависимости от положение рычага переключения передач. Для бесперебойной работы...

Kia Forte 2019-2023 (BD) Сервис мануал: Головное устройство AVN


Компоненты и расположение компонентов Компоненты 1. Приборная панель кластера 2. Украшение центра аварийной площадки 3. Центральный вентиляционный канал в сборе 4. Верхняя панель АВН 5. Головное устройство АВН 6. Краш-пад Принципиальные диаграммы Разъем и клемма Фу ...