Kia Stinger: электросистема кузова/кнопочная система запуска двигателя

Kia Stinger CK 2018-2023 Руководство по ремонту / Электрическая система кузова / Система запуска двигателя с кнопки

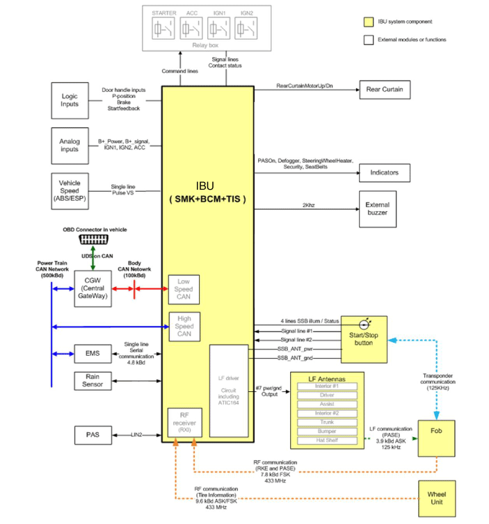
Компоненты и расположение компонентов
Расположение компонента

1. Встроенный блок управления кузовом (МСБ)
2. Внутренняя антенна 1
3. Внутренняя антенна 2
4. Переключатель открытия задней двери
5. Бамперная антенна
6. Антенна на задней двери
7. Зуммер
8. Кнопка старт-стоп (SSB)
9. Дверная ручка и дверная антенна
10. Брелок-ключ

Принципиальные диаграммы
Принципиальная электрическая схема

Описание и работа
Описание

Системный Обзор

Система предлагает следующие возможности:

Изменение состояния зажигания и мощности двигателя с помощью кнопки запуска.

Управление внешними реле для переключения клемм ACC / IGN1 / IGN2 и СТАРТЕР, без использования механического замка зажигания.

Отображение состояния автомобиля на дисплее с помощью светодиодов или явных сообщений.

Функция иммобилайзера за счет связи транспондера LF между брелком и держатель брелока.

Избыточная архитектура для высокой надежности системы.

Интерфейс с коммуникационной сетью автомобиля Low Speed ​​CAN.

Интерфейс с автомобильной коммуникационной сетью LIN в зависимости от платформы .

Функции RKE и SMART KEY не считаются частью этого механизма кнопок. Start system и указываются в отдельной системе.

Основная функция системы

Переключение клемм ACC/IGN1/IGN2.

Управление линией BAT реле STARTER (высокая сторона) на основе связи с ЭБУ ЭМС.

Управление функцией иммобилайзера.

Управление функцией предупреждения BES.

Кнопка запуска двигателя Система

Система запуска с помощью кнопки позволяет водителю управлять автомобилем простым нажатием кнопку (называемую SSB) вместо использования стандартного механического ключа.

Если водитель нажимает SSB во время предпосылок на тормозах, аутентификация брелока и статус передачи удовлетворены, система BES продолжит блокировку/разблокировку рулевой колонки, управление терминалом и запуск двигателя.

Водитель может отключить SSB, как только эта последовательность инициируется. После положительного ответ на запрос иммобилайзера, система активирует стартер и связаться с EMS, чтобы проверить состояние работы двигателя для запуска стартера.

Водитель сможет остановить двигатель коротким нажатием на SSB, если автомобиль уже стоит. Аварийная остановка двигателя будет возможна при длительном нажатие кнопки SSB или 3 последовательных нажатия, если автомобиль находится в режиме РАБОТАЮЩЕГО ДВИГАТЕЛЯ.

Если условия запуска двигателя не выполняются при нажатии на SSB обнаружен и подтвержден действительный брелок, система разблокирует рулевую колонку и переключите клеммы на IGN. Для запуска потребуется еще одно нажатие на SSB. двигатель.

В случае автомобиля, оснащенного системой SMART KEY, аутентификация брелока будет не требует никаких действий со стороны водителя. Для аварийного старта или в случае автомобиля без SMART KEY водитель должен будет вставить брелок в держатель брелока.

Управление зажиганием и включением/выключением двигателя путем отправки сигнала на IPM.

Отображение состояния с помощью светодиодной лампы ВКЛ/ВЫКЛ. (янтарный или зеленый)

Состояние индикатора ON/OFF При выключенном зажигании

Нет
Характерная лампа
Условия
1
Индикаторная лампа горит
Дверь открыта, задний фонарь включен, ACC, IG включен
2
Индикаторная лампа 30 секунд горит → лампа не горит
Дверь закрыта, задний фонарь выключен, зажигание выключено
3
Индикаторная лампа ВЫКЛ.
Дистанционная БЛОКИРОВКА, пассивная БЛОКИРОВКА
4
Реостат включения заднего фонаря (лампа освещения)

Состояние индикатора ON/OFF По положению ключа зажигания

Нет
Условия зажигания
Состояние индикатора кнопки «Пуск»
1
ИГ ВЫКЛ.
Светодиод белого цвета горит
2
ИГ АСС
Светодиод горит желтым цветом
3
ЗАЖИГАНИЕ ВКЛЮЧЕНО (двигатель выключен)
Горит зеленый светодиод
4
проворачивание
Поддерживайте состояние светодиода перед запуском
5
Двигатель работает
светодиод выключен

Операция для каждого функция запуска кнопки

1.

Электропитание включено / зажигание включено

Состояние электропитания изменяется в диапазоне OFF →ACC→IGN→OFF. нажатием кнопки без нажатия на тормоз (Или с нажатием на тормозе) внутри автомобиля с ключом FOB (однако, когда шестерня не находится в P, мощность постоянно переключается между ACC и IGN. Преобразование ВЫКЛ невозможно.)

Зажигание включено при нажатии на кнопку с шагом на тормоз в положении P/N ключом FOB.

2.

Электричество ВЫКЛ./ зажигание ВЫКЛ.

Выключение зажигания возможно в состоянии остановки автомобиля. ( состояние выключенного зажигания возможно вне зависимости от положения рычага АТМ.)

Рычаг переводится для стоянки на передаче N нажатием кнопку разблокировки рычага банкомата после отключения электроэнергии в P.

3.

Как принудительно выключить зажигание и включить заново во время движения

Это метод принудительного выключения зажигания в случае отсутствия топлива. утечка при переворачивании автомобиля или аварийной ситуации (например, выход из строя при возврате педали акселератора)

Двигатель выключен и возвращается в состояние ACC, когда кнопка нажимается в течение 2 секунд и более 3 раз подряд в течение 3 секунды во время движения. Перезапуск доступен в течение следующих 30 секунд независимо от ключа FOB и изменения электроэнергии через OFF → ACC→IGN→OFF нажатием кнопки без шага на тормоз (или с нажатием на тормоз) внутри автомобиля с ФОБ ключ. (Однако, если он не находится в положении P, ACC↔IGN повторяется. Преобразование в OFF невозможно.)

4.

Функция 0,5-секундной задержки для входа выключателя тормоза.

Запуск возможен при нажатии на педаль тормоза в пределах 0,5 секунду после нажатия кнопки пуска при выключенном двигателе.

5.

Индикатор состояния кнопки пуска (светодиод) горит в зависимости от электрической мощности состояние.

Электричество ВЫКЛ.: светодиод ВЫКЛ.

Состояние ACC электропитания: горит желтый светодиод

Электричество включено: горит синий светодиод

Во время запуска: Сохранение предыдущего состояния светодиода ON до проворачивание

Начальное состояние: светодиод выключен

Вялый домашний режим

В случае отсутствия входного сигнала для тормоза (спецификация AT), ACC режим должен перейти в «СТАРТ» нажатием SSM более 10 секунд.

В случае проблем со связью между EMS и CAN (состояние EMS).

состояние «ПУСК» перешло в «РАБОТА ДВИГАТЕЛЯ» на основе ввода оборотов.

В случае, если одна из двух входных линий SSM отключена,

Включение и выключение электроэнергии доступно при двойном нажатии SSB в течение 10 секунд (SSB LIMP HOME PRESS)

Звучит зуммер при первом нажатии кнопки.

Доступен цикл подачи электроэнергии, и зуммер останавливается, когда кнопка нажимается дважды в течение 10 секунд.

Интегрированный контроль тела единица измерения (IBU)

SMK управляет всеми функциями, связанными с:

«Мониторинг кнопки «Старт-стоп» (SSB)»,

«Связь с иммобилайзером» (с блоком системы управления двигателем для иммобилайзера) выпускать),

«Сервер аутентификации» (Действительность транспондера и в случае Smart Ключевой вариант Passive Fob аутентификация),

«Контроль согласованности системы»,

«Диагностика системы»,

Управление отображением сообщения/предупреждающего зуммера.

Блок смарт-ключа управляет всей системой запуска двигателя с кнопки.

В случае применения SMART KEY, например, «Пассивный доступ», «Пассивная блокировка» и «Пассивная авторизация интегрирована для операций переключения терминала».

Он собирает информацию о состоянии автомобиля из других модулей (скорость автомобиля, состояние тревоги, дверь водителя открыта...), считывает входы (например, SSB, емкостной датчик / Кнопка блокировки, переключатель положения PARK), управляет выходами (например, внешним и внутренним антенны) и связывается с другими устройствами через сеть CAN, а также однолинейные интерфейсы.

Также осуществляется диагностика и изучение компонентов системы BES. по СМК.

SMK управляет функциями, связанными с «управлением терминалом», активируя внешние реле для ACC, IGN1 и IGN2. Этот блок также отвечает за управление реле СТАРТЕР.

СМК также управляет освещением SSB, а также «системой индикатор состояния», который состоит из 2-х светодиодов разного цвета. Подсветка держателя брелка также управляется SMK.

SMK считывает входные данные (брелок двигателя, скорость автомобиля, состояние контактов реле), управляет выходами (выходной привод реле двигателя) и связывается с другими устройствами через CAN.

Внутренняя архитектура SMK определена таким образом, что управление терминал защищен даже в случае выхода из строя одного из двух микроконтроллеров, системная несогласованность или прерывание связи в сети CAN.

В случае отказа одного из двух контроллеров оставшийся контроллер должен отключить реле стартера. Реле клемм IGN1 и IGN2 должны быть в рабочем состоянии. в состоянии, ранее запомненном до отказа, и водитель должен быть в состоянии чтобы выключить эти терминалы IGN, нажав SSB с нажатием EMERGENCY_STOP последовательность. Однако повторный запуск двигателя будет запрещен. Состояние реле АСС будет зависеть от типа отказа.

Основными функциями СМК являются:

Управление терминальными реле

Мониторинг скорости автомобиля, полученный от датчика или ЭБУ ABS/ESP.

Управление светодиодами SSB (подсветка, состояние зажима).

Управление базовой станцией, находящейся в SSB, через прямой последовательный интерфейс.

Мониторинг согласованности системы для диагностики отказа SMK и переключения на соответствующий режим вялого дома.

Предоставление информации о скорости автомобиля

Мониторинг кнопки «Старт-стоп» (SSB)

Управление мощностью стартера

Кнопка Старт/Стоп (SSB)

Одноступенчатая кнопка используется водителем для управления транспортным средством. Нажатие эта кнопка позволяет:

Для активации режимов питания «Выкл.», «Аксессуар», «Зажигание» и «Пуск» переключая соответствующие клеммы

Чтобы запустить двигатель

Чтобы остановить двигатель

Контакт будет застрахован микровыключателем и предусмотрена подсветка чтобы выделить маркировку кнопки, когда это необходимо.

Три (3) цвета светодиода расположены на внешнем кольце переключателя в сборе. Они отображать состояние системы.

Они ВЫКЛ (белый) / ACC (желтый) / ВКЛ (зеленый).

BES (кнопка запуска двигателя) Диаграмма состояний системы

СОСТОЯНИЯ СИСТЕМЫ В ОБУЧЕНИИ РЕЖИМ

В режиме обучения система BES может находиться в 6 различных состояниях, в зависимости о состоянии клемм и состоянии двигателя:

Состояние системы
Состояние терминала
Состояние двигателя
1. ВЫКЛ. — заблокировано
ВЫКЛЮЧЕННЫЙ
Остановлено
2. ВЫКЛ. — разблокировано
ВЫКЛЮЧЕННЫЙ
Остановлено
3. АКК
АКК
Остановлено
4. ИГН
IGN1, IGN2, АКК
Остановлено
5. Старт
IGN1, Старт
проворачивание
6. ЗАЖИГАНИЕ - Двигатель
IGN1, IGN2, АКК
Бег
(означает «самостоятельный»)

Что касается терминалов, состояния системы, описанные в таблице выше, те же, что и в системе, основанной на механическом замке зажигания.

Одна из особенностей, отличающих систему на основе механического выключателя зажигания. заключается в том, что система BES допускает переход от [OFF] к [START] без проходит через состояния [ACC] и [IGN].

СОСТОЯНИЯ СИСТЕМЫ В девственнице РЕЖИМ

Систему BES можно установить в 5 различных состояниях (ВЫКЛЮЧЕНО ЗАБЛОКИРОВАНО недоступно). в исходном режиме), в зависимости от состояния клемм и состояния двигателя:

Состояние системы
Состояние терминала
Состояние двигателя
1. ВЫКЛ. - РАЗБЛОКИРОВАНО
ВЫКЛЮЧЕННЫЙ
Остановлено
2. АКК
АКК
Остановлено
3. ИГН
IGN1, IGN2, АКК
Остановлено
4. Старт
IGN1, START со специальным шаблоном активации
проворачивание
5. ЗАЖИГАНИЕ - Двигатель
IGN1, IGN2, АКК
Бег
(означает «самостоятельный»)

Что касается терминалов, состояния системы, описанные в таблице выше, те же, что и в системе, основанной на механическом замке зажигания.

Одна из особенностей, отличающих систему на основе механического выключателя зажигания. заключается в том, что система BES допускает переход от [OFF] к [START] без проходит через состояния [ACC] и [IGN].

Контрольная лампа предупреждения о столкновении в слепых зонах (BCW)
Компоненты и расположение компонентов Компоненты 1. Боковой повторитель 2. Индикатор BCW 3. Камера АВМ 4. Лампа-лужа Процедуры ремонта Ремо ...
Кнопка Старт/Стоп
Компоненты и расположение компонентов Компоненты Процедуры ремонта Удаление 1. Отсоедините отрицательную (-) клемму аккумуляторной батареи. 2. Удалять ...
Дополнительная информация:

Kia Stinger CK 2018-2023 Руководство по техническому обслуживанию: Крышка бензобака


Описание и работа Описание Храповое затяжное устройство на резьбовой крышке топливного бака снижает вероятность неправильной установки, закрывающей горловину топливного бака. После прокладок на крышка топливного бака и фланец заливной горловины соприкасаются, храповик производит...

Kia Stinger CK 2018-2023 Руководство по техническому обслуживанию: Электромагнитный клапан управления продувкой (PCSV)


Технические характеристики Спецификация Элемент Спецификация Сопротивление катушки (Ом) 18,5–22,5 [20°C (68°F)] Описание и работа Описание Установленный на расширительном бачке электромагнитный клапан управления продувкой (PCSV) ...