Kia Optima: система зарядки / генератор

Руководство по ремонту и обслуживанию Kia Optima DL3 2019-2023 гг. / Электрическая система двигателя / Система зарядки / Генератор

Описание и работа
Описание

Генератор переменного тока имеет восемь встроенных диодов, каждый из которых преобразует переменный ток в постоянный.

Поэтому на клемме «В» генератора появляется постоянный ток.

Кроме того, зарядное напряжение этого генератора регулируется аккумуляторной батареей. система определения напряжения.

Генератор регулируется системой определения напряжения аккумуляторной батареи.

Основными элементами генератора являются ротор, статор, выпрямитель, конденсатор. щетки, подшипники и шкив поликлинового ремня.

Щеткодержатель содержит встроенный электронный регулятор напряжения.

1. Кисть
2. Общий шкив
3. Ротор
4. Статор
5. Выпрямитель

1. Кисть
2. Шкив ОАП
3. Ротор
4. Статор
5. Выпрямитель

Технические характеристики
Спецификация

Элемент
Спецификация
Номинальное напряжение
13,5 В, 120 А
Скорость в использовании
1000–18 000 об/мин
Регулятор напряжения
IC регулятор встроенного типа
Напряжение настройки регулятора
Внешний режим
См. график ниже
Внутренний режим
14,55 ± 0,3 В
Температурный градиент
Внешний режим
0 ± 3 мВ/°С
Внутренний режим
-3,5 ± 2 мВ/°С

Компоненты и расположение компонентов
Компоненты

1. Шкив
2. Передний корпус
3. Передний подшипник
4. Статор
5. Ротор
6. Задний подшипник
7. Задний Корпус
8. Выпрямитель в сборе
9. Сборка регулятора
10. Задняя крышка
11. Гайка


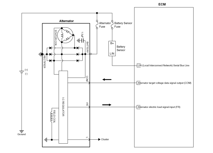
Принципиальные диаграммы
Принципиальная электрическая схема

Сигнал COM — при контроле генерируемого напряжения блок ECM отправляет данные о целевом напряжении генератору через сигнал ШИМ. напряжение: 4 В или выше, низкое напряжение: 2 В или ниже)

Сигнал FR — сигнал активации транзистора внутри генератора. контролирует напряжение, генерируемое генератором, для управления ток возбуждения перед отправкой сигнала FR в ECM. (В при определенных оборотах/электрических нагрузках режим FR может оставаться постоянным. Однако, чаще всегда обороты, электрическая нагрузка, целевое напряжение и т.д. меняется в ТС, значит и ФР тоже надо постоянно менять)

Сигнал L — включает контрольную лампу аккумулятора на приборной панели. при неисправности системы зарядки аккумулятора. (условия поворота на лампе - перезаряд, переразряд, перегорела катушка возбуждения внутри генератор)

Клемма B+ - Выходное напряжение от генератора подается на аккумулятор через клемму B+.

Процедуры ремонта
Удаление
1.

Отсоедините отрицательную (-) клемму аккумуляторной батареи.

2.

Снимите болты кронштейна водопроводной трубы (А).

Момент затяжки :

9,8–11,8 Н·м (1,0–1,2 кгс·м, 7,2–8,7 фунт-фут)

3.

Снимите приводной ремень.

(См. Механическая система двигателя — «Приводной ремень»)

4.

Отсоедините разъем генератора (А) и гайку троса (В) от генератора. Терминал «Б».

Момент затяжки :

9,8–11,8 Н·м (1,0–1,2 кгс·м, 7,2–8,7 фунт-фут)

5.

Вытяните сквозной болт и снимите генератор (А).

Момент затяжки :

[M10] 29,4–41,2 Н·м (3,0–4,2 кгс·м, 21,7–30,4 фунт-фут)

[M8] 26,4–37,2 Н·м (2,7–3,8 кгс·м, 19,5–27,4 фунт-фут)

Монтаж
1.

Установите в порядке, обратном снятию.

Разборка
1.

Ослабьте гайки (В) и снимите крышку (А).

2.

Ослабьте крепежные болты (А) и снимите узел регулятора (В).

3.

Снимите направляющую контактного кольца (А).

4.

Снимите колпачок ОАП. (с ОАП)

5.

Снимите шкив генератора (А) после ослабления гайки крепления. (с из ОАП)

6.

Ослабьте болты (А) и снимите задний кожух (В).

7.

Отсоедините ротор (А) и корпус (В).

8.

Сборка производится в порядке, обратном разборке.

Сборка
1.

Соберите в порядке, обратном разборке.

При повторной сборке шкива OAD замените его новым колпачком OAD.

осмотр
[Ротор]
1.

Убедитесь, что между контактными кольцами (С) имеется непрерывность.

2.

Убедитесь в отсутствии непрерывности между контактными кольцами и ротором. (B) или вал ротора (A).

3.

Если ротор не проходит проверку на непрерывность, замените генератор.

[Статор]
1.

Проверьте непрерывность между каждой парой проводов (A).

2.

Убедитесь в отсутствии непрерывности между каждым выводом и сердечником катушки.

3.

Если катушка не проходит проверку на непрерывность, замените генератор.

Система зарядки
Компоненты и расположение компонентов Компоненты ① ЭБУ ② Аккумулятор ③ Генератор ④ Стартер ⑤ Комбинация приборов ⑥ Выключатель зажигания или кнопка пуска/остановки ⑦ Аккумулятор с ...
Батарея
Описание и работа Описание 1. Аккумулятор CMF (закрытый, необслуживаемый), как следует из названия, полностью не требует технического обслуживания и не имеет съемного батарейного отсека ...
Дополнительная информация:

Руководство по ремонту и обслуживанию Kia Optima DL3 2019-2023: ГБЦ


Компоненты и расположение компонентов Компоненты 1. Крышка подшипника распредвала 2. Крышка переднего подшипника распредвала 3. Распредвал выпускных клапанов 4. Впускной распредвал 5. Выхлоп CVVT в сборе 6. Впускной CVVT в сборе 7. Держатель кулачка 8. Головка блока цилиндров 9. Цилиндр...

Руководство по ремонту и обслуживанию Kia Optima DL3 2019-2023: Аварийная сигнализация


Описание и работа Описание Внедрение быстрого система предупреждения о торможении (ESS) В случае резкого торможения водителем стоп-сигнал или сигнал поворота мигают, чтобы предупреждать о движущемся сзади автомобиле. 1. Основная функция (мигание стоп-сигнала/аварийной лампы) ...