Kia Forte: электрическая система кузова/система смарт-ключа

Киа Kia Forte 2019-2023 (БД) Руководство по ремонту / Электрическая система кузова / Система смарт-ключей

Технические характеристики
Технические характеристики

Блок смарт-ключа

Предметы
Спецификация
Номинальное напряжение
12 В постоянного тока
Рабочее напряжение
9–16 В постоянного тока
Рабочая Температура
от -22 до 167°F (от -30 до 75°C)

РЧ-приемник

Предметы
Спецификация
Частота
433,92 МГц
Тип антенны
ФСК

Смарт-ключ

Предметы
Спецификация
Батарея
Литиевая батарея 3В 1 шт.
Расстояние
- Расстояние, на котором RF (радиочастотный) приемник может получить FOB сигнал передачи: 30 м
- Расстояние, на котором НЧ (низкочастотная) антенна (внешняя ручка/хобот/ Багажник) может обнаруживать FOB: 0,7 м
Срок службы батареи
Более 2 лет (10 раз/день)

Неправильно утилизированная батарея может нанести вред окружающей среды и здоровья человека.

Утилизируйте батарею в соответствии с вашими местными законами или законами. регулирование.

Нажмите на кнопки
3 (замок/отпирание двери, багажник)
Частота (прием)
125 кГц
Частота (передача)
433,92 МГц
Числа
2 единицы

Антенна

Предметы
Спецификация
Номинальное напряжение
12 В постоянного тока
Рабочее напряжение
9–16 В постоянного тока
Рабочая Температура
от -22 до 167°F (от -30 до 75°C)
Частота
125 кГц
Числа
Интерьер (3 шт.), Дверь (2 шт.), Бампер (1 шт.)

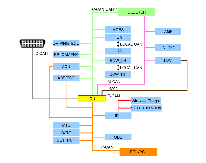
Компоненты и расположение компонентов
Компоненты (1)
[4ДР]

1. Встроенный блок управления кузовом (МСБ)
2. Внутренняя антенна 1
3. Внутренняя антенна 2
4. Зуммер
5. Дверная ручка и дверная антенна

[5ДР]

1. Встроенный блок управления кузовом (МСБ)
2. Внутренняя антенна 1
3. Внутренняя антенна 2
4. Зуммер
5. Дверная ручка и дверная антенна

Компоненты (2)
[4ДР]

1. Магистральная антенна
2. Ручка крышки багажника
3. Бамперная антенна

[5ДР]

1. Магистральная антенна
2. Ручка крышки багажника
3. Бамперная антенна

Описание и работа
Описание

Блок-схема

Сокращение
Аббревиатура Пояснение
АКУ
Блок управления подушками безопасности
МДПС
Рулевое управление с электроприводом
ЛКА
Помощь в уходе за землей
БЧВ
Предупреждение о столкновении в слепых зонах
IBU
Встроенный блок управления кузовом
отделение интенсивной терапии
Интегрированный центральный блок управления
МТС
Ручной контроль температуры
ДАТК
Двойной автоматический контроль температуры
ОРВ
Система обнаружения пассажиров
ПКП
Модуль управления силовым агрегатом
АБС
Антиблокировочная система

Система SMART KEY — это система, которая позволяет пользователю получать доступ и управлять транспортное средство очень удобным способом. Чтобы получить доступ к транспортному средству, нет традиционного ключа или пульта дистанционного управления нужен блок управления.

Пользователь имеет при себе брелок SMART KEY, который не требует сознательных действий. пользователем (например, с помощью кнопки RKE). Система SMART KEY запускается нажатием кнопка на ручке двери.

После срабатывания транспортное средство отправляет запрос в ограниченном диапазоне. Если SMART KEY FOB получает этот запрос, он автоматически отправляет ответ на транспортное средство. Затем система решает, выполнять ли то или иное действие (разблокировка, блокировки…) или оставаться неактивными.

Опять же, связь между автомобилем и SMART KEY FOB необходима перед любые действия будут выполнены.

Система предлагает следующие возможности:

Пассивная разблокировка через 4 двери

Пассивная блокировка через 4 двери

Пассивный старт

Пассивный доступ к багажнику через переключатель крышки багажника на багажнике

Макс. 2 брелка могут быть обработаны системой

Драйвер резервной антенны иммобилайзера интегрирован в SSB для аутентификации TP (т. е. безвольный домашний режим)

Связь с системой управления двигателем

Связь с SRX

Связь НЧ-РЧ

1.

Пассивная разблокировка

Система позволяет пользователю получить доступ (разблокировать) автомобиль без выполнения любые действия с брелоком SMART KEY.

2.

Пассивная блокировка

Система позволяет пользователю запирать автомобиль нажатием кнопки на дверная ручка с брелоком SMART KEY.

3.

Кнопка запуска

Система позволяет пользователю переключать режимы питания (Выкл., Аксессуар, зажигания), а также запускать и глушить двигатель автомобиля без выполнения любые действия с брелоком SMART KEY. См. технические характеристики системы запуска двигателя с помощью кнопки.

4.

Режим LIMP HOME

Кроме того, система предлагает так называемый «режим вялого дома», который пользователь может управлять всеми функциями автомобиля, вставив ключ в SSB.

Операция

Пассивные функции

Система позволяет пользователю получить доступ к транспортному средству без необходимости выполнять какие-либо действия. действия (например, нажатие кнопки RKE) с помощью брелока SMART KEY. Достаточно, чтобы действительный брелок SMART KEY находится в пределах определенного и ограниченного диапазона относительно к транспортному средству. Таким образом, система способна обнаруживать и аутентифицировать SMART. брелок в диапазонах, указанных ниже.

Рабочий диапазон

SMART KEY FOB получает и интерпретирует вызов, отправленный автомобилем через внешние антенны в свободном пространстве радиусом мин. 0,7 м снаружи антенны, встроенные в дверные ручки.

Диапазон доступа к магистрали или магистрали также составляет мин. 0,7 м от антенны позиция.

Пассивный доступ (пассивный вход)

Нажатие одной из кнопок на дверных ручках, когда все двери заперты указывает на намерение оператора получить доступ к транспортному средству и, таким образом, запускает систему отпереть.

Пассивная блокировка (выход)

Нажмите одну из кнопок на дверных ручках при наличии одного из следующих условий. выполняется:

Открыта как минимум одна дверь и не работает двухэтапный таймер или.

Двухэтапный таймер работает, и одна из кнопок, кроме передней, левая сторона срабатывает, чтобы указать на намерение оператора заблокировать автомобиль и, таким образом, привести к блокировке системы.

Пассивное предупреждение о багажнике (только седан)

Всякий раз, когда багажник закрыт, ЭБУ SMK использует подходящую стратегию поиска, чтобы избежать зуммер багажника, предупреждающий брелком снаружи автомобиля. Затем SMK ищет SMART БРЕЛОК в салоне багажника. Если в багажнике обнаружен действующий брелок SMART KEY, ЭБУ SMK активирует внешний зуммер SMK (подлежит уточнению), чтобы информировать пользователя о том, что багажник был закрыт на брелок в багажнике.

SMK отправит команду открытия багажника в IBU для повторного открытия багажника, если повторное открытие багажника бит установлен (BK). Для этой функции «действующий» SMART KEY FOB означает любой SMART KEY FOB. брелок, принадлежащий автомобилю, даже если он ДЕАКТИВИРОВАН.

Слепая зона в багажнике, похожая на любое радиочастотное возмущение, может привести к к предупреждению об отсутствии багажника. Из-за пробития бампера антенны в зону багажника крышка может открываться без опознавательного устройства снаружи.

Слепая зона в багажнике, похожая на любое радиочастотное возмущение, может привести к к предупреждению об отсутствии багажника.

Умный багажник

Когда действующий смарт-ключ остается рядом с задним бампером (в пределах диапазона НЧ-антенны) в течение более 3 секунд багажник будет открыт.

Активируйте функцию «свободные руки» в режиме пользовательских настроек (USM). кластера.

1.

Антенна на заднем бампере постоянно обнаруживает поблизости действительный смарт-ключ.

2.

Если действительный смарт-ключ входит в зону действия антенны заднего бампера, зуммер и аварийная лампа будут активированы один раз.

Блок смарт-ключей может обнаруживать смарт-ключи в пределах 0,7–1 м. от заднего бампера.

Если ключ остается в пределах диапазона, зуммер и аварийная сигнализация лампа будет активироваться один раз в секунду.

3.

Если электронный ключ остается в диапазоне обнаружения заднего бампера (антенна диапазоне) в течение более 3 секунд, будут активированы предупреждающий зуммер и аварийная лампа. два раза и багажник откроется.

Приветственный свет

Когда водитель с электронным ключом приближается к автомобилю, зеркала заднего вида и лампы-лужи будут контролироваться аутентификацией с помощью интеллектуального ключа.

1.

Доступ к приветственному режиму легкого поиска (режим, который регулярно ищет смарт-ключ для предотвращения разряда аккумулятора автомобиля)

Транспортное средство переходит в состояние охраны с помощью блокировки RKE или пассивной блокировки. водителем.

Блок смарт-ключей (SMK) ищет деактивацию, управляя внутренние антенны.

Если смарт-ключ не найден в автомобиле, смарт-ключ (SMK) устройство будет управлять антенной на дверной ручке для поиска приближающегося водителя автомобиль.

Блок смарт-ключа (SMK) выполняет поиск в течение 3 секунд 3 раза, нажимая антенну на дверной ручке, а если ключ не нашелся все 3 раза, он войдет в режим приветственного поиска света.

Если активирован режим подключения наружного зеркала заднего вида, то складывание зеркала будет задействована операция.

2.

Приветственный свет горит

В режиме поиска приветственного света смарт-ключ обнаруживается, когда водитель подходит к машине.

Блок смарт-ключа (SMK) отправляет сигнал приветственного включения на DDM для 15 секунд по CAN.

DDM включает лампу лужи на наружном зеркале на 15 секунд. (Если наружное зеркало подключено, операция раскладывания зеркала будет быть вовлеченным.)

Напоминание смарт-ключа 1

1.

Предварительные условия:

Все клеммы «ВЫКЛ.»

Хоть одна дверь открыта

Незаблокированный статус (проверяется СМК периодически на каждые 100 мс, пока CAN/LIN активен)

2.

Событие:

ЕСЛИ брелок не активен

SMK выполняет поиск брелоков в салоне автомобиля. Должна использоваться та же стратегия LF, что и для ID. out предупреждение (только регистрация, без аутентификации).

ЕСЛИ брелок АКТИВЕН

СМК поиск действующий ТП

Если брелок или TP не найдены, никаких действий не требуется.

Если обнаружен какой-либо действительный брелок или действительный TP, SMK разблокирует автомобиль. отправив сообщение о разблокировке ключа CAN с напоминанием с номером брелка.

Если найден какой-либо действительный брелок, SMK разблокирует автомобиль, отправив Напоминание о разблокировке ключа CAN/LIN с номером брелка.

Напоминание смарт-ключа 2

1.

Предварительные условия:

Все клеммы «ВЫКЛ.»

Любая дверь (включая багажник) открыта

Нет FOB-IN и состояния блокировки (периодически проверяется SMK на наличие каждые 100 мс, пока CAN/LIN активен)

2.

Действие автомобиля:

Закрывает последнюю дверь или багажник с ручками в запертом состоянии или с запиранием в ходе выполнения

3.

Действия СМК:

Проверяет состояние блокировки в течение 500 мс после закрытия двери. Если все двери заблокированы:

ЕСЛИ брелок не активен

SMK ищет брелоки в салоне автомобиля.

Применяется та же LF-стратегия, что и для выхода ID. предупреждение (только регистрация, без аутентификации).

ЕСЛИ брелок АКТИВЕН

SMK ищет действительный TP.

Если брелок не найден, никаких действий не требуется.

Если найден какой-либо действительный брелок, SMK отправляет команду разблокировки по CAN/LIN. и активирует доп. зуммер предупреждение.

Предупреждение о блокировке двери смарт-ключом

Предупреждение о блокировке двери 1

1.

Если состояние терминала — ACC или IGN, все двери закрыты и пользовательские триггеры Замок СМК, поиск начинается снаружи автомобиля сбоку триггера.

2.

Если действительный брелок не найден, никаких действий не требуется, но если действующий брелок найдено, то должно быть запущено звуковое предупреждение.

3.

Если выполняются следующие условия, предупреждение о блокировке касается багажник в качестве двери и ручка запирания/отпирания багажника в качестве переключателя отпирания дверей:

Опция багажника включена

Опция блокировки/разблокировки багажника включена.

Предупреждение о блокировке двери 2

1.

Если состояние терминала ВЫКЛ, не все двери закрыты, и пользовательские триггеры Замок СМК, поиск начинается снаружи автомобиля сбоку триггера.

2.

Если действительный брелок не найден, никаких действий не требуется, но если действующий брелок найдено, то должно быть запущено звуковое предупреждение.

3.

Если выполняются следующие условия, предупреждение о блокировке касается багажник в качестве двери и ручка запирания/отпирания багажника в качестве переключателя отпирания дверей:

Опция багажника включена

Опция блокировки/разблокировки багажника включена.

Предупреждение о блокировке двери 3

1.

Если состояние терминала ВЫКЛ., ATWS считается снятым с охраны, все двери закрыт, и пользователь активирует блокировку SMK, поиск начнется изнутри транспортного средства.

2.

Если действующий брелок не найден, начнется поиск блокировки SMK, но если будет найден действующий брелок, запустится звуковой сигнал.

3.

Если выполняются следующие условия, предупреждение о блокировке касается багажник в качестве двери и ручка запирания/отпирания багажника в качестве переключателя отпирания дверей:

Опция багажника включена

Опция блокировки/разблокировки багажника включена.

Смарт-ключ Лампа Предупреждение

1.

Если конечное состояние находится в ACC или IGN, а скорость автомобиля меньше 3 км/ч, осуществляется периодический поиск (каждые 3 секунды) изнутри транспортное средство, чтобы убедиться, что действительный брелок все еще находится в транспортном средстве.

2.

Если действительный брелок не найден, выдается предупреждение, но если действующий брелок найден, никаких действий не инициируется.

Отказоустойчивые функции (резервное копирование для Limp Home)

В случае разрядки батареи брелока SMART KEY или нарушения передачи, доступны следующие функции:

Отпирание/запирание дверей или багажника: использование механического ключа.

Информационные функции пользователя

ID OUT Предупреждение
1.

Предварительные условия:

(ACC или IGN1) & (открыта любая дверь или открыт багажник)

2.

Событие:

Последняя открытая дверь закрыта.

3.

Действие СМК:

SMK ищет брелок SMART KEY из салона.

Если действительный брелок SMART KEY FOB не найден, SMK активирует внешний зуммер, а также отправляет предупреждение ID OUT через CAN (внешний зуммер, предупреждающий и внутренний зуммер).

Если дверь открывается и снова закрывается, когда клеммы включены и действительный брелок находится внутри транспортного средства, SMK повторно включает аутентификацию и останавливает предупреждение. Если терминал находится в АСС, СМК должен включить на лампе иммобилайзера.

Если есть ошибка НЧ (перегрев НЧ или неисправность НЧ-антенны), система будет вести себя так же, как если бы брелок не был найден.

Обнаружение низкого напряжения батареи брелока

Для обнаружения состояния низкого заряда батареи брелока, определенного измерения напряжения батареи и стратегия обнаружения низкого напряжения реализована в брелке. Измерение напряжение батареи будет сделано, если нажата кнопка брелока или если команда измерения LF получен.

Описание обучения

В этой главе объясняется процедура обучения для SMK и FOB.

Для обучения СМК и ФОБ необходимо иметь подключение к диагностический инструмент.

РЕЖИМ ОБУЧЕНИЯ

В любом режиме процесс обучения управляется SMK.

Перед запуском службы обучения сигнал Fob-In должен быть активен, а транспортное средство секретный код (называемый ПИН-кодом) должен быть известен.

Режим обучения

Этот режим используется дилерами для замены СМК и/или комплекта ключей, либо для регистрации дополнительные ключи для существующей системы. В этом случае система уже научилась определенный PIN-код. PIN-код фиксируется на весь срок службы автомобиля, поэтому в этом режиме должен использоваться тот же PIN-код. В противном случае обучение не удастся.

РЕЖИМ ОБУЧЕНИЯ Описание процедуры (шаг за шагом)

Цель : Ключевая процедура обучения на станции технического обслуживания

Начальное состояние :

Замена SMK: SMK не изучен, а SMART FOB уже изучен с тот же пин-код

Обучение дополнительным или новым клавишам: SMK и ESCL уже выучены с тот же пин-код

Запуск после замены (первоначальный запуск)

Запуск возможен в следующем процессе после замены на новый смарт блок ключей или ключ FOB.

Этот метод используется при запуске в исходном состоянии.

Все соответствующие детали находятся в первозданном состоянии (интеллектуальный ключ, PCM).

Нажмите педаль тормоза в диапазоне P или N.

Нажмите кнопку запуска один раз девственным смарт-ключом.

Процедуры ремонта
осмотр
1.

В электрической системе тела неисправность можно быстро диагностировать с помощью система диагностики автомобиля (КДС).

Диагностическая система (KDS) предоставляет следующую информацию.

(1)

Самодиагностика: проверка неисправности и кодового номера (DTC).

(2)

Текущие данные: проверка состояния входных/выходных данных системы.

(3)

Проверка срабатывания: Проверка состояния работы системы.

(4)

Дополнительная функция: Управление другими функциями, включая систему настройка параметров и регулировка нулевой точки

2.

Выберите "Модель автомобиля" и "IBU-SMK" для проверки, чтобы проверить автомобиль с тестером.

3.

Выберите меню «Текущие данные» для поиска текущего состояния ввода/вывода. данные.

4.

Если вы хотите принудительно проверять работу каждого модуля, выберите «Активация». тест".

Диагностика срабатывания антенны

1.

Подключите кабель KDS к разъему канала передачи данных в случае аварии со стороны водителя. нижняя панель накладки.

2.

После включения зажигания выберите «Проверка действия».

3.

Установите смарт-ключ рядом с соответствующей антенной и управляйте им с помощью KDS.

4.

Если светодиод смарт-ключа мигает, смарт-ключ исправен.

5.

Если светодиод смарт-ключа не мигает, проверьте напряжение смарт-ключа. батарея.

6.

Активация антенны

Внутренняя антенна 1

Внутренняя антенна 2

Магистральная антенна

Бамперная антенна

Антенна двери водителя

Вспомогательная дверная антенна

Проверка состояния антенны

1.

Подключите кабель KDS к разъему канала передачи данных в случае аварии со стороны водителя. нижняя панель накладки.

2.

Выберите «Проверка состояния антенны».

3.

После включения IG выберите «Проверка состояния антенны».

4.

Установите смарт-ключ рядом с соответствующей антенной и управляйте им с помощью KDS.

5.

Если смарт-ключ работает нормально, соответствующая антенна, смарт-ключ (передача, прием) и внешний приемник в норме.

6.

Состояние антенны

Внутренняя антенна 1

Внутренняя антенна 2

Магистральная антенна

Бамперная антенна

Антенна двери водителя

Вспомогательная дверная антенна

Проверка статуса FOB

1.

Подключите кабель KDS к разъему канала передачи данных в случае аварии со стороны водителя. нижняя панель накладки.

2.

После включения зажигания выберите «ИНФО СОСТОЯНИЯ КЛЮЧА брелка».

Проверка состояния смарт-ключа

1.

Подключите кабель KDS к разъему канала передачи данных в случае аварии со стороны водителя. нижняя панель накладки.

2.

После включения зажигания выберите «SMK STATUS INFO».

Проверка статуса нейтрализации

1.

Подключите кабель KDS к разъему канала передачи данных в случае аварии со стороны водителя. нижняя панель накладки.

2.

После включения зажигания выберите «Режим нейтрализации».

Мотор сиденья с электроприводом
Компоненты и расположение компонентов Компоненты 1. Двигатель поддержки пиломатериалов 2. Наклонный двигатель 3. Двигатель передней высоты 4. Двигатель задней высоты 5. Скользящий двигатель ...
Смарт-ключ
Процедуры ремонта Смарт-ключ Сохранение кода смарт-ключа 1. Подключите VCIⅡ KDS к разъему канала передачи данных (16 контактов) в драйвере. боковая накладка на нижнюю панель, поверните ручку ...
Дополнительная информация:

Kia Forte 2019-2023 (BD) Руководство по эксплуатации: Компоненты комплекта Tire Mobility Kit (TMK)


1. Табличка ограничения скорости 2. Флакон с герметиком и этикетка с ограничение скорости 3. Заливка герметика и воздушный шланг от баллон с герметиком к колесу 4. Разъемы и кабель для прямое подключение к розетке 5. Держатель для баллона с герметиком 6. Компрессор 7. Переключатель включения/выключения 8. Манометр ф...

Kia Forte 2019-2023 (BD) Service Manual: Заливная горловина в сборе


Процедуры ремонта Снятие и установка 1. Откройте лючок топливного бака. 2. Выключите зажигание и отсоедините отрицательную (-) клемму аккумуляторной батареи. 3. Снимите крышку топливного бака (А) после открытия топливного бака d ...