Kia Picanto: Система управления двигателем/датчик детонации (KS)

Руководство по ремонту и обслуживанию Kia Picanto JA 2017-2023 гг. / Управление двигателем/топливная система / Система управления двигателем / Датчик детонации (КС)

Технические характеристики
Спецификация
Элемент
Спецификация
Сопротивление (МОм)
4,87
Емкость (пФ)
850 - 1150
Тип
Пьезоэлектричество
Приколоть
2

Описание и работа
Описание
стук явление, характеризующееся нежелательной вибрацией и шумом, может привести к повреждению двигателя. Установлен на блоке цилиндров, датчик детонации (KS) чувствует детонацию двигателя.
Когда происходит стук, вибрация от блока цилиндров применяется как давление на пьезоэлектрический элемент. При появлении стука датчик выдает сигнал напряжения. ECM задерживает угол опережения зажигания, когда происходит стук. Если стук пропал после замедления зажигания времени, ECM будет опережать угол опережения зажигания. Этот последовательный может улучшить мощность двигателя, крутящий момент и экономию топлива.

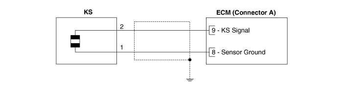
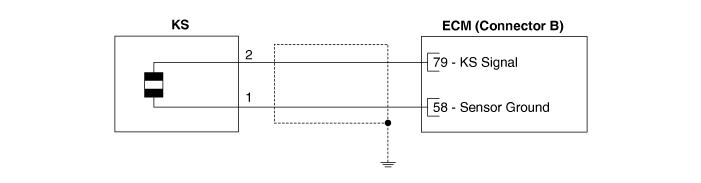
Принципиальные диаграммы
Принципиальная электрическая схема
[В]

[М/Т]

Процедуры ремонта
Удаление
1.
Выключите зажигание и отсоедините отрицательную (-) клемму аккумуляторной батареи.
2.
Снимите впускной коллектор.
(См. Механическая система двигателя — «Впускной коллектор»)
3.
Снимите нагнетательную трубу.
(См. Система подачи топлива — «Напорная труба»)
4.
Снимите датчик детонации (А), предварительно ослабив крепежный болт.
Болт крепления датчика детонации:
18,6–23,5 Н·м (1,9–2,4 кгс·м, 13,7–17,4 фунт-фут)

Монтаж
Установите компонент с указанным крутящим моментом.
Обратите внимание, что внутреннее повреждение может произойти при падении компонента. Если компонент упал, проверьте его перед установкой.
1.
Установите в порядке, обратном снятию.
Датчик положения распределительного вала (CMPS)
Технические характеристики Датчик положения распределительного вала (CMPS) Элемент Спецификация Тип Эффект Холла Воздушный зазор (мм) 0,5 - 1,5 Pin ...
Датчик кислорода с подогревом (HO2S)
Технические характеристики Спецификация HO2S [ряд 1/датчик 1] Элемент Спецификация Сопротивление нагревателя (Ом) 2,5–4,0 [20°C(68°F)] ...
Дополнительная информация:

Руководство по ремонту и обслуживанию Kia Picanto JA 2017-2023: Аудио


Технические характеристики Технические характеристики Предметы Технические характеристики Модель Радио /MP3 /Bluetooth (тип A) Радио /MP3 /Bluetooth (тип B) Электропитание 14,4 В пост. тока Паразитный ток Макс. 1 мА (только головное устройство) Антенна 80PF 75Ω Тип настройки PLL SYNTHES ...

Руководство по эксплуатации Kia Picanto JA 2017-2023: Управление комбинацией приборов


Регулировка комбинации приборов Освещение ПРЕДУПРЕЖДЕНИЕ Никогда не регулируйте комбинацию приборов во время вождения. Это может привести к потере управления и привести к аварии которые могут привести к смерти, серьезной травме, или повреждения имущества. Яркость панели приборов подсветка поменяна...