Kia Rio: Тормозная система/ABS(антиблокировочная система тормозов)

Kia Rio 2017-2023 YB Руководство по ремонту / Тормозная система / ABS (антиблокировочная тормозная система)

Компоненты и расположение компонентов
Компоненты

1. Блок управления АБС
2. Датчик скорости переднего колеса
3. Датчик скорости заднего колеса

Описание и работа
Описание

Эта спецификация относится к HCU (гидравлическому блоку управления) и ECU (электронному блоку управления). Блок управления) HECU.(Гидравлический и электронный блок управления)

Эта спецификация предназначена для проектирования проводки и установки ЭБУ АБС.

Этот блок имеет следующие функции.

Ввод сигнала от датчиков скорости вращения колес, прикрепленных к каждому колесу.

Контроль тормозной силы.

Отказоустойчивая функция.

Функция самодиагностики.

Интерфейс с внешним диагностическим тестером.

Место установки: моторный отсек

Длина тормозной трубки от порта главного цилиндра до впускного порта HECU должна быть макс. 1м

Положение не должно быть близко к блоку двигателя и не ниже колесо.

Операция

ЭБУ должен быть приведен в действие включением рабочего напряжения (IGN).

По завершении фазы инициализации ЭБУ должен быть готов к работе.

В рабочем состоянии ЭБУ должен быть готов, в указанных пределах (напряжение и температура), для обработки сигналов, предлагаемых различными датчиками и переключается в соответствии с алгоритмом управления, заданным программным обеспечением и для управления гидравлическими и электрическими приводами.

Сигнал датчика колеса Обработка

ЭБУ должен получать сигнал скорости вращения колеса от четырех активных колесных датчиков.

Сигналы колес преобразуются в сигнал напряжения с помощью устройства формирования сигнала. схема после получения текущего сигнала от активных колесных датчиков и подачи на вход к МКУ.

Электромагнитный клапан управления

Когда одна сторона катушки клапана подключена к положительному напряжению, т.е. обеспечивается через реле клапана, а другая сторона подключена к земле с помощью полупроводниковой цепи срабатывает электромагнитный клапан.

Электрическая функция катушек всегда контролируется тестовым импульсом клапана. при нормальных условиях эксплуатации.

Пределы напряжения

Перенапряжение

При обнаружении повышенного напряжения (выше 16,8 В) ЭБУ отключает питание. реле клапана и отключает систему.

Когда напряжение возвращается в рабочий диапазон, система возвращается к нормальное состояние после фазы инициализации.

Пониженное напряжение

В случае пониженного напряжения (ниже 9,3 В) управление АБС блокируется. и сигнальная лампа должна быть включена.

Когда напряжение возвращается в рабочий диапазон, контрольная лампа включается выключается, и ЭБУ возвращается в нормальный режим работы.

Проверка двигателя насоса

ЭБУ выполняет тест электродвигателя насоса на скорости 30 км/ч один раз после включения зажигания. на.

Диагностический интерфейс

Неисправности, обнаруженные ECU, кодируются в ECU, сохраняются в EEPROM и считываются диагностическим оборудованием при включении зажигания.

Интерфейс диагностики также можно использовать для тестирования ЭБУ в процессе производства. ECU и для приведения в действие HCU (линия выпуска воздуха или линия проверки тормозов).

Модуль сигнальной лампы

1.

Контрольная лампа АБС

Активная контрольная лампа АБС указывает на самопроверку и состояние неисправности. АБС. Контрольная лампа АБС должна гореть:

Во время фазы инициализации после IGN ON. (постоянно 3 секунды).

В случае торможения работы АБС по отказу.

В режиме диагностики.

Когда разъем ECU отделен от ECU.

2.

Контрольная лампа EBD/стояночного тормоза

Активная контрольная лампа EBD указывает на состояние самопроверки и неисправности. из ЕБД. Однако, если переключатель стояночного тормоза включен, Контрольная лампа EBD всегда включена независимо от функций EBD. EBD контрольная лампа должна гореть:

Во время фазы инициализации после IGN ON. (постоянно 3 секунды).

Когда переключатель стояночного тормоза включен или уровень тормозной жидкости низкий.

Когда функция EBD вышла из строя.

В режиме диагностики.

Когда разъем ECU отделен от ECU.

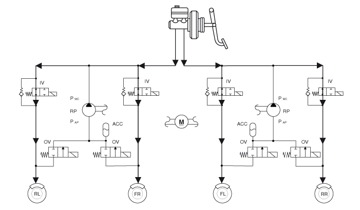
Управление АБС
1.

Обычное торможение без ABS


Впускной клапан (IV)
Выпускной клапан (ОВ)
Обратный насос
Операция
Открыть
Закрывать
ВЫКЛЮЧЕННЫЙ

IV : Впускной клапан

ОВ: выпускной клапан

RL : Заднее левое колесо

FR : Переднее правое колесо

FL: переднее левое колесо

RR : Заднее правое колесо

РП: Обратный насос

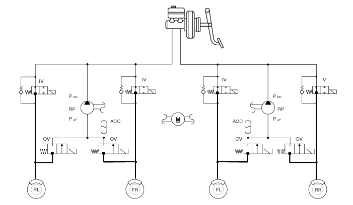
2.

Режим уменьшения


Впускной клапан (IV)
Выпускной клапан (ОВ)
Обратный насос
Операция
Закрывать
Открыть
ВКЛ (управление скоростью двигателя)

IV : Впускной клапан

ОВ: выпускной клапан

RL : Заднее левое колесо

FR : Переднее правое колесо

FL: переднее левое колесо

RR : Заднее правое колесо

РП: Обратный насос

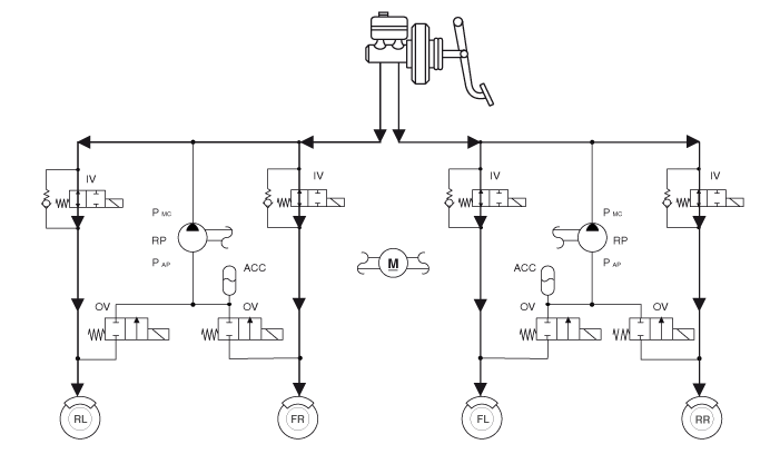
3.

Режим удержания


Впускной клапан (IV)
Выпускной клапан (ОВ)
Обратный насос
Операция
Закрывать
Закрывать
ВКЛ (управление скоростью двигателя)

IV : Впускной клапан

ОВ: выпускной клапан

RL : Заднее левое колесо

FR : Переднее правое колесо

FL: переднее левое колесо

RR : Заднее правое колесо

РП: Обратный насос

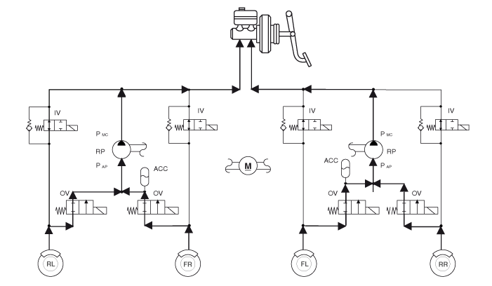
4.

Режим увеличения


Впускной клапан (IV)
Выпускной клапан (ОВ)
Обратный насос
Операция
Открыть
Закрывать
ВКЛ (управление скоростью двигателя)

IV : Впускной клапан

ОВ: выпускной клапан

RL : Заднее левое колесо

FR : Переднее правое колесо

FL: переднее левое колесо

RR : Заднее правое колесо

РП: Обратный насос

Принципиальные диаграммы
Принципиальная электрическая схема

Терминал Функция

Пин №
Описание
Текущий
Сопротивление
Примечание
(AMPS)
(мОм)
1
B+ МОЩНОСТЬ ДВИГАТЕЛЯ НАСОСА
137 (РАШ)
10

2
C-CAN Низкий уровень
30 мА
250

13
GND_PUMP ЗАЗЕМЛЕНИЕ ДВИГАТЕЛЯ
137 (РАШ)
10

14
C-CAN Высокий
30 мА
250

16
ВЫКЛЮЧАТЕЛЬ СТОП-СИГНАЛА
10 мА
250

17
ВЫХОДНАЯ СКОРОСТЬ КОЛЕСА (FR)
16 мА
250

18
МОЩНОСТЬ ДАТЧИКА СКОРОСТИ КОЛЕСА (FR)
30 мА
250

19
МОЩНОСТЬ ДАТЧИКА СКОРОСТИ КОЛЕСА (RR)
30 мА
250

20
МАССА СИГНАЛА ДАТЧИКА СКОРОСТИ КОЛЕСА (RL)
16,8 мА
250

21
МАССА СИГНАЛА ДАТЧИКА СКОРОСТИ КОЛЕСА (FL)
16,8 мА
250

25
АККУМУЛЯТОР(+) ЭЛЕКТРОМАГНИТНЫЙ
40
10

27
СИГНАЛ ПРИВОДА ESS
200 мА
250

29
ЗАЖИГАНИЕ1
50 мА
60

31
СИГНАЛ ДАТЧИКА СКОРОСТИ КОЛЕСА МАССА (FR)
16,8 мА
250

32
МАССА СИГНАЛА ДАТЧИКА СКОРОСТИ КОЛЕСА (RR)
16,8 мА
250

33
МОЩНОСТЬ ДАТЧИКА СКОРОСТИ КОЛЕСА (RL)
30 мА
250

34
МОЩНОСТЬ ДАТЧИКА СКОРОСТИ КОЛЕСА (FL)
30 мА
250

38
ЗЕМЛЯ
40
10


Сборка стояночного тормоза
Компоненты и расположение компонентов Компоненты 1. Рычаг стояночного тормоза 2. Эквалайзер в сборе 3. Трос заднего стояночного тормоза Процедуры ремонта ...
Блок управления АБС
Компоненты и расположение компонентов Компоненты 1. Разъем модуля управления АБС 2. Блок управления АБС 3. Кронштейн АБС Процедуры ремонта Ремо ...
Дополнительная информация:

Руководство по эксплуатации Kia Rio 2017-2023 YB: Уход за SRS


SRS практически не требует технического обслуживания, и нет деталей, которые можно было бы безопасно обслуживать. самостоятельно. Если контрольная лампа подушки безопасности SRS не загорается или постоянно продолжает гореть, немедленно обратитесь к авторизованному дилеру Киа для проверки автомобиля. Любые работы с системой SRS, такие как снятие,...

Kia Rio 2017-2023 YB Service Manual: поршень и шатун


Процедуры ремонта Разборка • Используйте накладки на крылья, чтобы не повредить окрашенные поверхности. • Чтобы не повредить головку блока цилиндров, подождите, пока двигатель заглохнет...