Kia Forte: Кузов (интерьер и экстерьер) / Заднее сиденье

Киа Kia Forte 2019-2023 (БД) Руководство по ремонту / Кузов (внутри и снаружи) / Заднее сидение

Компоненты и расположение компонентов
Компоненты

[Тип заднего сиденья]

1. Подголовник заднего сиденья
2. Направляющая подголовника заднего сиденья
3. Каркас спинки заднего сиденья и накладка
4. Задний подлокотник и доска
5. Обшивка спинки заднего сиденья

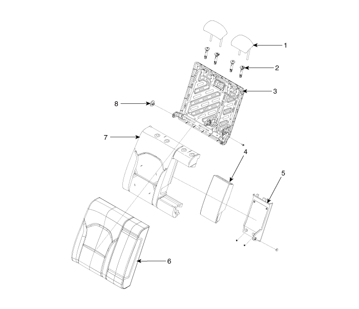
[Заднее сиденье с соотношением сторон 6:4]

(справа)

1. Подголовник заднего сиденья
2. Направляющая подголовника заднего сиденья
3. Каркас спинки заднего сиденья
4. Задний подлокотник
5. Задний задний подлокотник
6. Обшивка спинки заднего сиденья
7. Подушка спинки заднего сиденья
8. Петля втулки спинки заднего сиденья

(левый)

1. Подголовник заднего сиденья
2. Направляющая подголовника заднего сиденья
3. Каркас спинки заднего сиденья

4. Петля втулки спинки заднего сиденья
5. Подушка спинки заднего сиденья
6. Обшивка спинки заднего сиденья


Сборка подушки заднего сиденья

1. Обивка подушки заднего сиденья
2. Каркас подушки заднего сиденья и Подушечка

Каркас переднего сиденья в сборе
Компоненты и расположение компонентов Расположение компонента 1. Каркас спинки переднего сиденья в сборе 2. Каркас подушки переднего сиденья в сборе Процедуры ремонта ...
Заднее сиденье в сборе
Компоненты и расположение компонентов Расположение компонента 1. Спинка заднего сиденья в сборе 2. Подушка заднего сиденья в сборе Процедуры ремонта Заменить ...
Дополнительная информация:

Kia Forte 2019-2023 (BD) Руководство по обслуживанию: Механическая система двигателя


Сервисные данные Технические характеристики Описание Технические характеристики Ограничение Общий Тип В очереди, DOHC Количество цилиндров 4 Скважина ...

Kia Forte 2019-2023 (BD) Service Manual: Поршень и шатун


Компоненты и расположение компонентов Компоненты 1. Поршневое кольцо (№1) 2. Поршневое кольцо (№2) 3. Масляное кольцо 4. Поршень 5. Стопорное кольцо 6. Поршневой палец 7. Верхний подшипник шатуна 8. Нижний подшипник шатуна Процедуры ремонта Дис ...