Kia Stinger: электрическая система кузова / интегрированный блок управления кузовным оборудованием (IBU)

Kia Stinger CK 2018-2023 Руководство по ремонту / Электрическая система кузова / Встроенный блок управления кузовом (IBU)

Технические характеристики
Технические характеристики

Предметы
Технические характеристики
Номинальное напряжение
12 В постоянного тока
Рабочее напряжение
9–16 В постоянного тока
Рабочая Температура
-40 - 176°F (-40 - 80°C)
Темный ток
Макс. 4,0 мА

Компоненты и расположение компонентов
Компоненты

Информация о выводах разъема

Нет.
Соединитель А
Соединитель Б
Соединитель С
1
-
B-CAN (низкий уровень)
Переключатель низкой шины переднего стеклоочистителя_Input
2
Мощность зеркала_Input
B-CAN (высокий)
Земля (мощность)
3
P-CAN (низкий)
PDW-F_Power_Output
Заряд батареи)
4
P-CAN (высокий)
PDW-R_Power_Output
Аккумулятор (ЭБУ)
5
-
Земля (ЭБУ)
Водитель вне ручки switch_Input
6
Правое зеркало unfold_Output
PDW Switch_Input
Position_Input (вариант A/T)
Переключатель блокировки IGN_Input (вариант M/T)
7
Правое зеркало horizontal_Output
PDW (опция)_ввод
Внутренняя антенна1 (-)_Выход
8
Мощность иммобилайзера_Выход
-
Бамперная антенна (-)_выход
9
Иммобилайзер Ground_Output
-
Внутренняя антенна2 (-)_Выход
10
Тормозной переключатель_Input
-
Вспомогательная антенна внешней ручки (-)_Выход
11
ESCL Enable_Output
Реле высокого уровня переднего стеклоочистителя_Выход
Внутренняя антенна багажника3 (-)_Выход
12
Предохранитель тормозного выключателя_Input
Индикатор заднего левого ремня безопасности_Выход
Антенна на внешней ручке водителя (-) Выход
13
Противотуманный переключатель_Input
Индикатор вспомогательного ремня безопасности_Выход
-
14
Выключатель света_Ввод
-
COM (ESCL)
15
Переключатель громкости переднего стеклоочистителя_Input
LF Searching_Output
Мощность датчика автоматического освещения_Выход
16
Индикатор переключателя PDW_Выход
-
ACC_Input
17
Подсветка кольца SSB_Выход
SSB Switch1_Input
IGN1 Реле_Выход
18
ЛИН МОЖЕТ (PDW)
PDW_Power_Input
ACC Relay_Output
19
-
Индикатор безопасности_Вывод
ESCL (-)_выход
20
Двигатель RPM_Input
Состояние люка_Ввод
ESCL (+)_выход
21
Датчик скорости колеса_Ввод
Датчик дождя (опция)_вход
Вспомогательный внешний дескриптор switch_Input
22
-
Парковочный переключатель стеклоочистителя_Input
-
23
Правое зеркало fold_Output
Реле питания стеклоочистителей_выход
Внутренняя антенна1 (+)_Выход
24
Правое зеркало по вертикали_Вывод
Реле низкого уровня переднего стеклоочистителя_Выход
Бамперная антенна (+)_выход
25
-
-
Внутренняя антенна2 (+)_Выход
26
Лампа для лужи_Output
-
Вспомогательная антенна внешней ручки (+)_Выход
27
Начать обратную связь_Input
Индикатор заднего центрального ремня безопасности_Выход
Внутренняя антенна багажника3 (+)_Выход
28
-
-
Антенна на внешней ручке водителя (+) Выход
29
Реле стартера_Выход
Символьная подсветка SSB (-)_Выход
СОМ (EMS)
30
Переключатель дальнего света фар
Индикатор заднего правого ремня безопасности_Выход
Датчик автоматического освещения Ground_Output
31
Переключатель переднего стеклоочистителя
SSB Switch2_Input
Сигнал датчика автоматического освещения_Ввод
32
-
Разблокировка ESCL switch_Input
IGN1_Input
33
Многофункциональный переключатель Ground_Input

IGN2_Input
34
Внешний зуммер_выход
IGN2 Реле_Выход
35
Символьная подсветка SSB (+)_выход
Переключатель переднего омывателя_Input
36
LIN CAN (датчик дождя)
Аккумулятор (+)_ESCL
37
-

38
ATM Solenoid_Output

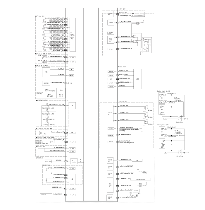
Принципиальные диаграммы
Принципиальная электрическая схема

Описание и работа
Описание

Интегрированное управление телом Единица измерения (МСБ)

Встроенный блок управления кузовом имеет несколько функций, в том числе модуль управления (IBU), блок смарт-ключей (SMK) и система контроля давления в шинах (TPMS).

1.

Модуль управления кузовным оборудованием (IBU) Функции

Охранная сигнализация
Охранная сигнализация задней двери
Выдает сигнал тревоги в зависимости от работы двери багажного отделения.
Тревога паники
Генерирует предупреждающий звук и отображает мигающую лампу (гудок и мигалка) в зависимости от сигнала паники.
Управление лампой безопасности
Управляет лампой безопасности в состоянии тревоги автомобиля.
Нагревательный провод
Провод обогрева дверного зеркала
Функция защиты от запотевания и размораживания предотвращает и удаляет туман и иней. от зеркала и окна с помощью выключателя провода обогрева заднего стекла (переключатель обогревателя).
Управление проводом обогрева заднего стекла
Внешняя лампа
Задний фонарь
Автоматически включает/выключает задний фонарь. Он также выключает задний фонарь автоматически, когда водитель забыл выключить фонарь выключатель.
Авто свет
Автоматически включает/выключает задний фонарь и фару в зависимости от от того, день или ночь, когда переключатель фар находится в Авто.
Приветственный свет
Функция приветственного света включает фару и задний фонарь. в течение 15 секунд при обнаружении сигнала отпирания двери автомобиля. заблокирован.
Функция сопровождения
Включает фонарь сопровождения при отключении питания во время горит головной свет.

Он включает фару и поддерживает состояние в течение 20 минут, если зажигание выключено, а фара включен.

Фара остается включенной только в течение 30 секунд, когда дверь сиденья водителя открывается и закрывается в течение 20 минут период.

Фара выключается, когда кнопка блокировки пульта дистанционного управления дважды нажимается при включенном фаре.

Фара (ближний/дальний свет)
Управляет дальним/ближним светом в зависимости от переключателя фар (многофункциональный переключатель).
Управление дневным светом
Управляет лампой дневного света в зависимости от условий в момент запуска автомобиля.
Внутренняя лампа
Лампа кнопки технического обслуживания запуска двигателя
Включает/выключает лампу SSB в зависимости от условий питания автомобиля, состояние открытой/закрытой двери и режим оповещения.
Комнатная лампа
Включает/выключает внутреннее освещение в зависимости от состояния питания автомобиля. и состояние двери открыто/закрыто.
Реостат
Управляет яркостью внутренних электрических ламп (прибор кластер, HUD, AVN и т. д.) в зависимости от входа переключателя реостата.
Провод обогрева рулевого колеса
Управление проводом обогрева рулевого колеса
Управляет проводом обогрева рулевого колеса на основе обогрева рулевого колеса проводной переключатель.
Задняя дверь
Управление открыванием задней двери
Разблокирует замок двери багажного отделения и выдает предупреждение в зависимости от вход выключателя багажника.
Передняя / задняя помощь при парковке
PAS-дисплей
Получает сигнал от датчика системы помощи при парковке по линии LIN. и отображает его на комбинации приборов.
Предупреждение PAS
Обнаруживает препятствия спереди и сзади с помощью системы помощи при парковке датчик (датчик PAS) в случае включения передачи (R или D) и проблемы предупреждение, если есть препятствие.
Предупреждение
Напоминание о непристегнутом ремне и контрольная лампа
Выдает предупреждение, если ремень безопасности не пристегнут, и предотвращает активация шаблона, если автомобиль движется с пристегнутым ремнем безопасности не застегивается.
Предупреждение о ключевом напоминании
Выдает предупреждение, если дверь сиденья водителя открыта при включенном адаптивном круиз-контроле.
Предупреждение о стояночном тормозе
Генерирует звуковой сигнал, если скорость автомобиля превышает 5 км/ч при Зажигание включено, стояночный тормоз включен.
Предупреждение об открытом люке
Выдает предупреждение, если ключ вынут и водитель покидает территорию. автомобиль при открытом люке.
Стеклоочиститель и омыватель
Стеклоочиститель (Низкий / Высокий / Туман / Авто)
IBU получает сигнал переключателя стеклоочистителей по шине B-CAN и отправляет данные на электродвигатель стеклоочистителя (встроенный) через связь LIN.
Передняя шайба
IBU посылает сигнал выключателя омывателя на двигатель переднего омывателя.

2.

Функции блока смарт-ключей (SMK)

СМК
Дверной замок и разблокировка
Запирает/отпирает дверь на основе сигнала отпирания двери и сигнала от кнопок на водительском/пассажирском сиденье снаружи ручек.
Приветственный свет СМК
Управляет наружным зеркалом заднего вида и лампой лужи после аутентификации смарт-ключа когда водитель со смарт-ключом приближается к автомобилю.
Умный багажник
Открывает багажник, если водитель с действующим смарт-ключом остается впереди заднего бампера (в пределах диапазона НЧ-антенны) в течение 3 секунд или более.
Предупреждение СМК
Ключевое напоминание 1
Когда водитель пытается запереть дверь, он проверяет, есть ли смарт-ключ внутри автомобиля и отпирает дверь, если есть один.
Ключевое напоминание 2
Проверяет состояние дверного замка в течение 0,5 секунды после открытия двери автомобиля. закрывается и отпирает дверь и генерирует предупреждающий звук, используя внешний зуммер, если дверь заперта.
Предупреждение о блокировке двери 1
Генерирует предупреждающий звук с помощью внешнего зуммера, если водитель пытается покинуть автомобиль при включенном ACC или IGN.
Предупреждение о блокировке двери 2
Генерирует предупреждающий звук с помощью внешнего зуммера, если водитель пытается запереть дверь и покинуть автомобиль, когда одна или несколько дверей открыты.
Предупреждение о блокировке двери 3
Ищет смарт-ключ внутри автомобиля, когда водитель пытается запереть дверь, выдает предупреждение и не запирает дверь если внутри есть смарт-ключ.
Предупреждение об отключении ключа
Если автомобиль движется со скоростью 3 км/ч или менее при включенном ACC или IGN и дверь открыта, он ищет смарт-ключ каждые 3 секунды и моргает контрольной лампой, если смарт-ключа нет.
SMK RKE (удаленный вход без ключа)
Дверной замок / разблокировка
Запирает/отпирает дверь на основе сигнала отпирания двери и сигнала от кнопок на водительском/пассажирском сиденье снаружи ручек.
Паника
Выполняет функции паники и остановки автомобиля в зависимости от паники. сигнал кнопки.
Окно открыто
Открывает/закрывает окно автомобиля по сигналу смарт-ключа.
Запуск двигателя
Кнопка старт-стоп (SSB), иммобилайзер, управление питанием пускового реле, Управление лампой SSB

3.

Функции системы контроля давления в шинах (TPMS)

Система контроля давления в шинах постоянно контролирует давление и температуру внутри шины, чтобы предупредить водителя об изменениях давления в шинах которые могут повлиять на условия вождения автомобиля. Модуль управления TPMS анализирует данные датчика WE (Wheel Electronic), прикрепленного внутри каждое колесо и определяет состояние шин и генерирует сигнал, который необходим для управления контрольной лампой.

Коммуникационная сеть Диаграмма

Сокращение
Объяснение
АКУ
Блок управления подушками безопасности
АФТ
Адаптивная система переднего освещения
AMP
Усилитель
АУДИО
Аудио головное устройство
АВМ
Круговой монитор
B_CAN
Сеть контроллеров тела
БЧВ
Предупреждение о столкновении в слепых зонах
C_CAN
Локальная сеть контроллера шасси
CDP
Проигрыватель компакт-дисков
КЛУ
Кластерный модуль
ДАТК
Двойной автоматический контроль температуры
ДДМ
Модуль водительской двери
ЕСМ
Модуль управления двигателем
F_PUMP
Модуль управления топливным насосом
HUD
Проекционный дисплей
IBU
Встроенный блок управления кузовом
отделение интенсивной терапии
Интегрированный центральный блок управления
IFB
Блок интерфейса
ИМС
Интегрированная система памяти
LDW
Предупреждение о выходе из полосы движения
ЛКА
Помощь в уходе за землей
M_CAN
Мультимедийная сеть контроллеров
МДПС
Рулевое управление с электроприводом
МФЦ
Многофункциональная камера
МТС
Ручной контроль температуры
ОРВ
Система обнаружения пассажиров
P_CAN
Локальная сеть контроллера силового агрегата
ПКМ
Модуль управления силовым агрегатом
ПТГ
Модуль задней двери с электроприводом
РВМ
Монитор заднего вида
ССС
Умный круиз-контроль
СКМ
Модуль рулевой колонки
ТКМ
Модуль управления коробкой передач
VDC
Динамический контроль автомобиля
ВПК
Беспроводное зарядное устройство

Процедуры ремонта
Удаление
1.

Отсоедините отрицательную (-) клемму аккумуляторной батареи.

2.

Снимите корпус перчаточного ящика.

(См. Кузов — «Корпус перчаточного ящика»)

3.

Отсоедините разъем электродвигателя вентилятора (А) после снятия крепления. зажим (В).

4.

Отсоедините разъемы встроенного блока управления кузовом (А).

5.

Снимите встроенный блок управления кузовом (А), предварительно ослабив крепления. гайки и болт.

6.

Снимите монтажный зажим (А) жгута проводов со встроенного кузова. устройство управления.

Монтаж
1.

Установите монтажный зажим жгута проводов от встроенного блока управления кузовом. единица.

2.

Установите встроенный блок управления кузовом.

3.

Подсоедините разъемы встроенного блока управления кузовом.

4.

Подсоедините разъем двигателя вентилятора и закрепите его.

5.

Установить корпус перчаточного ящика.

6.

Подсоедините отрицательную (-) клемму аккумуляторной батареи.

Диагностика BCM с помощью KDS
1.

В электрической системе тела неисправность можно быстро диагностировать с помощью система диагностики автомобиля (КДС).

Диагностическая система (KDS) предоставляет следующую информацию.

(1)

Самодиагностика: проверка неисправности и кодового номера (DTC)

(2)

Текущие данные: проверка состояния входных/выходных данных системы.

(3)

Проверка срабатывания: Проверка состояния работы системы

(4)

Дополнительная функция: Управление другими функциями, включая систему настройка параметров и регулировка нулевой точки

2.

Выберите «Модель автомобиля» и «Интегрированный блок управления кузовным оборудованием (IBU)», чтобы быть проверенным для того, чтобы проверить автомобиль с помощью тестера.

3.

Выберите меню «Текущие данные» для поиска текущего состояния ввода/вывода. данные.

4.

Чтобы принудительно активировать входное значение проверяемого модуля, выберите опция «Проверка активации».

5.

Если вы хотите изменить параметр пользователя, выберите «Параметры пользователя».

Индикаторы и датчики
Компоненты и расположение компонентов Компоненты Стандартный тип («3,5 дюйма») Тип Super Vision («7 дюймов») Информация о выводах разъема ...
Интегрированная система сиденья с памятью (IMS)
Технические характеристики Технические характеристики Сиденье с памятью и электроприводом Элемент Технические характеристики Номинальное напряжение 12 В постоянного тока Рабочее напряжение...
Дополнительная информация:

Kia Stinger CK 2018-2023 Руководство по техническому обслуживанию: Основная подушка безопасности в сборе


Компоненты и расположение компонентов Расположение компонента 1. Сборка главной подушки безопасности Процедуры ремонта Замена Наденьте перчатки, чтобы защитить руки. ...

Kia Stinger CK 2018-2023 Руководство по техническому обслуживанию: Конденсатор


Компоненты и расположение компонентов Компоненты 1. Конденсатор Процедуры ремонта осмотр 1. Проверьте ребра конденсатора на наличие засоров и повреждений. В случае засорения очистите с помощью водой и высушите сжатым воздухом. Если погнулась, аккуратно прикурить...