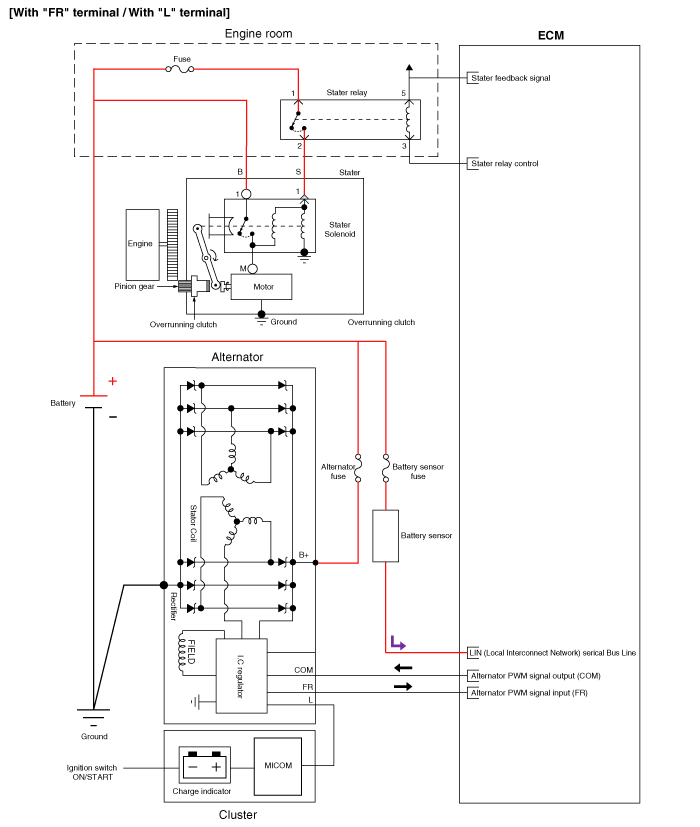
Kia Rio: электрическая система двигателя/система зарядки
Компоненты и расположение компонентов
① ЭБУ
② Аккумулятор
③ Генератор
④ Стартер
⑤ Комбинация приборов
⑥ Выключатель зажигания или кнопка пуска/остановки
⑦ Датчик батареи
⑧ Выключатель капота
Описание и работа
В систему зарядки входили аккумулятор, генератор со встроенным регулятором,
и индикатор зарядки и провод.
Генератор переменного тока имеет восемь встроенных диодов, каждый из которых преобразует переменный ток в постоянный.
Поэтому на клемме «В» генератора появляется постоянный ток.
Кроме того, зарядное напряжение этого генератора регулируется аккумуляторной батареей.
система определения напряжения.
Генератор регулируется системой определения напряжения аккумуляторной батареи. Главный
Составными частями генератора являются ротор, статор, выпрямитель, конденсаторные щетки,
подшипники и шкив с поликлиновым ремнем. Щеткодержатель содержит встроенный электронный
регулятор напряжения.
Управление генератором
Система
Система управления генератором регулирует уставку зарядного напряжения, чтобы
для улучшения экономии топлива, управления нагрузкой генератора в различных условиях эксплуатации,
Держите аккумулятор заряженным и защищайте аккумулятор от перезарядки. Блок управления двигателем
генерация напряжения по рабочему циклу (управление зарядкой, управление разрядкой, нормальный
управления) в зависимости от состояния аккумуляторной батареи и условий эксплуатации автомобиля.
Система осуществляет управление разрядкой при разгоне автомобиля. Транспортное средство
снижает нагрузку на генератор и потребляет электроэнергию от аккумулятора.
Система осуществляет управление зарядкой при торможении автомобиля. Транспортное средство увеличивается
нагрузку от генератора и заряжает аккумулятор.
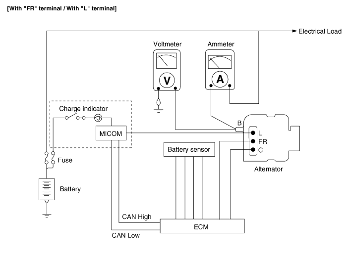
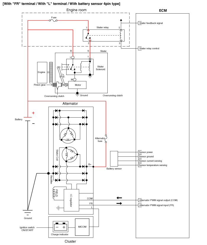
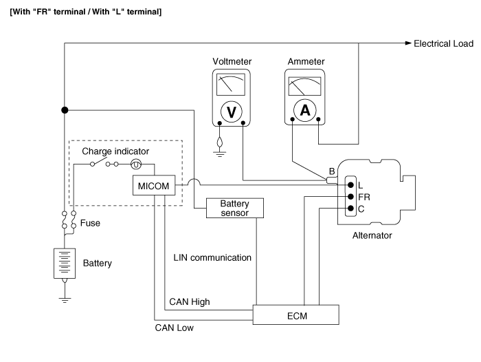
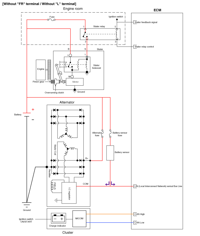
Принципиальные диаграммы
|
Принципиальная электрическая схема
|
Процедуры ремонта
|
•
|
Проверка эффективности батареи
|
|
•
|
Проверка напряжения батареи
|
|
•
|
Проверка зарядного напряжения
|
|
•
|
Проверка состояния затяжки клемм
|
|
•
|
Проверка состояния двигателя/коробки передач
|
|
•
|
Проверка состояния заземления жгута проводов
|
|
•
|
Проверка заданного электрического значения
|
|
•
|
Контроль паразитных токов автомобиля
|
|
•
|
Проверка емкости аккумулятора
|
Эффективность батареи
осмотр
|
•
|
Убедитесь, что кабели аккумуляторной батареи подключены к правильным клеммам.
|
|
•
|
Отсоедините кабели аккумулятора, когда батарея быстро разрядится.
заряжать.
|
|
•
|
Никогда не отсоединяйте аккумуляторную батарею при работающем двигателе.
|
|
|
•
|
Проверьте тест батареи с помощью нагрузочного тестера и тестера батареи.
|
|
Проверка напряжения батареи
|
1.
|
После вождения автомобиля и в случае, если прошло 20 минут.
не прошло после остановки двигателя, включите зажигание
и включите электрическую систему (фары, электродвигатель вентилятора, обогреватель заднего стекла).
д.) в течение 60 секунд для снятия поверхностного заряда.
|
|
2.
|
Выключите зажигание и выключите электрические системы.
|
|
3.
|
Измерьте напряжение батареи между отрицательным (-) и положительным (+)
клеммы аккумулятора.
|
Стандартное напряжение: примерно 12,5–12,9 В [20°C (68°F)]
|
Если напряжение ниже указанного, зарядите аккумулятор.
|
Общий осмотр
|
1.
|
Убедитесь, что клеммы аккумулятора не ослаблены и не повреждены коррозией.
(См. Система зарядки — «Аккумулятор»)
|
|
2.
|
Проверьте предохранители на непрерывность.
Предохранитель генератора
|
(1)
|
Проверьте предохранитель генератора (А) на непрерывность.
|
|
(2)
|
Измерьте напряжение, как показано на рисунке ниже.
|
Стандартное значение: приблизительно 0 В
|
|
|
(3)
|
Если предохранитель генератора перегорел, замените его в соответствии с процедурой
ниже:
|
а.
|
Выключите зажигание и отсоедините отрицательную клемму аккумуляторной батареи.
(-) Терминал.
|
|
б.
|
Снимите гайки крепления положительного (+) кабеля аккумуляторной батареи (А).
|
|
в.
|
Замените обычный предохранитель генератора или кабель аккумулятора.
|
|
д.
|
Установите в порядке, обратном снятию.
|
|
|
|
3.
|
Осмотрите приводной ремень
|
(1)
|
Визуально проверьте ремень на наличие чрезмерного износа, потертых шнуров и т. д.
При обнаружении дефекта замените приводной ремень.
|
•
|
Трещины на ребре ремня считаются
приемлемый. Если на ремне отсутствуют куски
ребра, его следует заменить.
|
|
|
|
|
4.
|
Измерьте и отрегулируйте натяжение приводного ремня.
(См. Механическая система двигателя — «Приводной ремень»)
|
|
5.
|
Визуально проверьте проводку генератора и прислушайтесь к ненормальным шумам.
|
(1)
|
Убедитесь, что проводка находится в хорошем состоянии.
|
|
(2)
|
Убедитесь в отсутствии ненормального шума от генератора во время
двигатель работает.
|
|
|
6.
|
Проверьте цепь сигнальной лампы разрядки
|
(1)
|
Прогрейте двигатель, а затем выключите его.
|
|
(2)
|
Выключите все аксессуары.
|
|
(3)
|
Включите зажигание. Убедитесь, что предупреждение о разрядке
свет горит.
|
|
(4)
|
Запустить двигатель. Убедитесь, что свет горит.
Если индикатор не гаснет, как указано, устраните неисправность разряда
световая цепь.
|
|
Затяжка клемм
Государственная инспекция
|
•
|
Состояние клемм B+ генератора
|
|
•
|
Затяжная гайка клеммы B+ генератора
|
|
•
|
Состояние положительной (+) клеммы аккумулятора
|
|
•
|
Состояние затяжки положительной (+) клеммы аккумулятора
|
|
•
|
Состояние отрицательной (-) клеммы аккумулятора
|
|
•
|
Состояние затяжки отрицательной (-) клеммы аккумуляторной батареи
|
|
•
|
Состояние затяжки болта крепления отрицательной (-) клеммы аккумуляторной батареи
(Заземление)
|
|
•
|
Состояние клеммы отрицательного (-) датчика аккумулятора (с датчиком аккумулятора)
|
|
•
|
Состояние затяжки отрицательной (-) клеммы датчика аккумуляторной батареи (с
датчик батареи)
|
|
•
|
Затяжка болта крепления отрицательной (-) клеммы датчика аккумуляторной батареи
состояние (масса шасси) [с датчиком батареи]
|
|
•
|
Положительное (+) состояние жгута проводов блока предохранителей и реле в моторном отсеке
|
|
•
|
Затяжка положительного (+) жгута проводов блока предохранителей и реле в моторном отсеке
ореховое состояние
|
|
•
|
Проверьте состояние замыкания на землю по окраске шасси.
|
|
|
Расположение контрольного компонента
|
1. Клемма B+ генератора
2. Положительная (+) клемма блока предохранителей и реле в моторном отсеке.
3. Отрицательная (+) клемма аккумулятора
|
4. Отрицательная (-) клемма аккумуляторной батареи
5. Заземление шасси
|
Двигатель/коробка передач
Государственная инспекция
|
•
|
Состояние затяжки крепежных болтов (шасси)
|
|
•
|
Состояние затяжки крепежных болтов (двигатель)
|
|
•
|
Проверьте состояние замыкания на землю по окраске шасси.
|
|
Масса жгута проводов
государственная инспекция
|
•
|
Состояние затяжки крепежных болтов (шасси)
|
|
•
|
Состояние затяжки крепежных болтов (двигатель)
|
|
•
|
Проверьте состояние замыкания на землю по окраске шасси.
|
|
1. Масса двигателя (двигатель ↔ шасси)
2. Масса коробки передач (коробка передач ↔ шасси)
|
|
|
Проверьте точку заземления.
(См. Схема жгута ETM — «Точка заземления»)
|
Электрические характеристики
Проверка значения (с помощью вольтметра и амперметра)
|
1.
|
Испытание на падение напряжения выходного провода генератора переменного тока
Этот тест определяет, подключена ли проводка между генератором
Клемма «В» и клемма аккумулятора (+) исправны по методу падения напряжения.
|
(1)
|
Подготовка
|
а.
|
Поверните ключ зажигания в положение «ВЫКЛ».
|
|
б.
|
Отсоедините выходной провод от клеммы «В» генератора.
Подсоедините провод (+) амперметра к клемме «В».
генератора и (-) подводящий провод амперметра к выходу
проволока. Подсоедините провод (+) вольтметра к «B».
клемма генератора и провод (-) вольтметра
к клемме (+) аккумулятора.
|
|
|
(2)
|
Тест
|
б.
|
Включите фары и мотор вентилятора, отрегулируйте двигатель
скорость до тех пор, пока амперметр не покажет 20А, и снимите показания вольтметра.
|
|
|
(3)
|
Результат
|
а.
|
Вольтметр может показывать стандартное значение.
|
Стандартное значение: 0,2 В макс.
|
|
|
б.
|
Если значение вольтметра выше ожидаемого
(выше 0,2 В макс.), подозревается неисправность проводки. В этом случае
проверьте проводку от клеммы "В" генератора до
клемма аккумулятора (+). Проверьте наличие ослабленных соединений, цвет
менять из-за перегрева жгута и т.д. Исправить их
перед повторным тестированием.
|
|
в.
|
По завершении проверки установите обороты двигателя на
на холостом ходу. Выключите фары, двигатель вентилятора и зажигание.
выключатель.
|
|
|
|
2.
|
Тест выходного тока
Этот тест определяет, дает ли генератор выходной ток
что эквивалентно нормальному выходу.
|
(1)
|
Подготовка
|
а.
|
Перед испытанием проверьте следующие пункты и исправьте
как надо.
Проверьте аккумулятор, установленный в автомобиле, чтобы убедиться, что
что он в хорошем состоянии. См. раздел «Аккумулятор».
для проверки батареи.
Батарея, используемая для проверки выходного тока, должна быть
частично разряжен.
При полностью заряженном аккумуляторе тест может не проводиться
правильно из-за недостаточной нагрузки.
Проверьте натяжение ремня привода генератора. Ссылаться
к разделу "Проверить приводной ремень" для проверки ремня
напряжение.
|
|
в.
|
Отсоедините кабель заземления аккумуляторной батареи.
|
|
д.
|
Отсоедините выходной провод генератора от генератора.
Терминал «Б».
|
|
е.
|
Подключите амперметр постоянного тока (от 0 до 150 А) последовательно между
Клемма «В» и отсоединенный выходной провод. Будь уверен
подключите (-) подводящий провод амперметра к отключенному
выходной провод.
|
Надежно затяните каждое соединение, так как
ток пойдет. Не полагайтесь на клипсы.
|
|
|
ф.
|
Подключите вольтметр (от 0 до 20 В) между клеммой «В».
и земля. Подсоедините провод (+) к генератору.
Клемма «В» и провод (-) должны быть заземлены.
|
|
г.
|
Подсоедините кабель заземления аккумулятора.
|
|
час
|
Оставьте капот двигателя открытым.
|
|
|
(2)
|
Тест
|
а.
|
Убедитесь, что вольтметр показывает одинаковое значение
как напряжение аккумулятора. Если вольтметр показывает 0 В, откройте
замыкание в проводе между клеммой "В" генератора и
клемма аккумулятора (+) или плохое заземление.
|
|
б.
|
Запустите двигатель и включите фары.
|
|
в.
|
Установите фары на дальний свет и вентилятор отопителя.
переключитесь на HIGH, быстро увеличьте обороты двигателя до 2500
об/мин и считайте указанное максимальное значение выходного тока
по амперметру.
|
•
|
После запуска двигателя зарядка
ток быстро падает. Следовательно, вышеизложенное
операция должна быть выполнена быстро, чтобы прочитать
максимальное текущее значение правильно.
|
|
|
|
|
(3)
|
Результат
|
а.
|
Показания амперметра должны быть выше предельного значения.
Если он ниже, несмотря на то, что выходной провод генератора находится в
хорошем состоянии, снимите генератор с автомобиля и
Попробуй это.
|
Предельное значение: 60% от нормы напряжения
|
|
• Номинальное значение выходного тока отображается на
заводская табличка на корпусе генератора.
|
|
•
|
Значение выходного тока изменяется с
электрическая нагрузка и температура
самого генератора. Следовательно
номинальный выходной ток не может быть получен.
Если это так, держите фары
чтобы разрядить аккумулятор или использовать свет
других транспортных средств для увеличения электрического
нагрузка.
Номинальный выходной ток не может быть
получается, если температура генератора
сама или температура окружающей среды слишком высока.
В таком случае уменьшите температуру перед
снова тестирование.
|
|
|
|
б.
|
После завершения проверки выходного тока уменьшите
скорость двигателя до холостого хода и выключите зажигание.
|
|
в.
|
Отсоедините отрицательную (-) клемму аккумуляторной батареи.
|
|
д.
|
Снимите амперметр, вольтметр и тахометр двигателя.
|
|
е.
|
Подсоедините выходной провод генератора к генератору.
Терминал «Б».
|
|
ф.
|
Подсоедините отрицательную (-) клемму аккумуляторной батареи.
|
|
|
|
3.
|
Испытание регулируемым напряжением
Целью этого теста является проверка того, что электронный регулятор напряжения
корректно регулирует напряжение.
|
(1)
|
Подготовка
|
а.
|
Перед испытанием проверьте следующие пункты и исправьте
если необходимо.
Убедитесь, что аккумуляторная батарея, установленная на автомобиле, полностью
заряжен. Обратитесь к разделу «Аккумулятор» для проверки
батарея.
Проверьте натяжение ремня привода генератора. Обратитесь к
Раздел «Проверить приводной ремень» для проверки натяжения ремня.
|
|
б.
|
Поверните ключ зажигания в положение «ВЫКЛ».
|
|
в.
|
Отсоедините отрицательную (-) клемму аккумуляторной батареи.
|
|
д.
|
Подсоедините цифровой вольтметр к клемме «В».
генератора и массы. Подсоедините провод (+)
вольтметр к клемме «В» генератора. Соединять
провод (-) к хорошему заземлению или клемме аккумулятора (-).
|
|
е.
|
Отсоедините выходной провод генератора от генератора.
Терминал «Б».
|
|
ф.
|
Подключите амперметр постоянного тока (от 0 до 150 А) последовательно между
Клемма «В» и отсоединенный выходной провод. Подключить
(-) провод амперметра к отключенному выходному проводу.
|
|
г.
|
Подсоедините отрицательную (-) клемму аккумуляторной батареи.
|
|
|
(2)
|
Тест
|
а.
|
Включите зажигание и убедитесь, что
вольтметр показывает следующее значение.
|
Напряжение: напряжение батареи
|
Если он показывает 0 В, в проводе есть обрыв.
между клеммой "В" генератора и аккумуляторной батареей и
клемму аккумулятора (-).
|
|
б.
|
Запустить двигатель. Выключите все осветительные приборы и аксессуары.
|
|
в.
|
Запустите двигатель на скорости около 2500 об/мин и прочтите
вольтметр, когда выходной ток генератора падает до
10А или менее
|
|
|
(3)
|
Результат
|
а.
|
Если показания вольтметра не соответствуют стандарту
значение, регулятор напряжения или генератор неисправен.
|
Регулируемое напряжение: 11,7–15,3 В
|
|
|
б.
|
Если показания вольтметра не соответствуют стандарту
значение, регулятор напряжения или генератор неисправен.
|
|
в.
|
Отсоедините отрицательную (-) клемму аккумуляторной батареи.
|
|
д.
|
Снимите вольтметр и амперметр.
|
|
е.
|
Подсоедините выходной провод генератора к генератору.
Терминал «Б».
|
|
ф.
|
Подсоедините отрицательную (-) клемму аккумуляторной батареи.
|
|
|
Электрические характеристики
Проверка значения (с помощью вольтметра и амперметра клещевого типа)
|
1.
|
Испытание на падение напряжения выходного провода генератора переменного тока
Этот тест определяет, подключена ли проводка между генератором
Клемма «В» и клемма аккумулятора (+) исправны по методу падения напряжения.
|
(1)
|
Подготовка
|
а.
|
Поверните ключ зажигания в положение «ВЫКЛ».
|
|
б.
|
Установите амперметр клещевого типа между положительным
(+) и клемма «В» генератора.
|
|
в.
|
Подсоедините провод (+) вольтметра к клемме «В».
генератора и провод (-) вольтметра к
(+) клемма аккумулятора.
|
|
|
(2)
|
Тест
|
б.
|
Включите фары и мотор вентилятора, отрегулируйте двигатель
скорость до тех пор, пока амперметр не покажет 20А, и снимите показания вольтметра.
|
|
|
(3)
|
Результат
|
а.
|
Вольтметр может показывать стандартное значение.
|
Стандартное значение: 0,2 В макс.
|
|
|
б.
|
Если значение вольтметра выше ожидаемого
(выше 0,2 В макс.), подозревается неисправность проводки. В этом случае
проверьте проводку от клеммы "В" генератора до
клемма аккумулятора (+). Проверьте наличие ослабленных соединений, цвет
менять из-за перегрева жгута и т.д. Исправить их
перед повторным тестированием.
|
|
в.
|
По завершении проверки установите обороты двигателя на
на холостом ходу. Выключите фары, двигатель вентилятора и зажигание.
выключатель.
|
|
|
|
2.
|
Тест выходного тока
Этот тест определяет, дает ли генератор выходной ток
что эквивалентно нормальному выходу.
|
(1)
|
Подготовка
|
а.
|
Перед испытанием проверьте следующие пункты и исправьте
как надо.
Проверьте аккумулятор, установленный в автомобиле, чтобы убедиться, что
что это хорошее состояние. См. раздел «Аккумулятор».
для проверки аккумулятора.
Батарея, используемая для проверки выходного тока, должна быть
частично разряжен.
При полностью заряженном аккумуляторе тест может не проводиться
правильно из-за недостаточной нагрузки.
Проверьте натяжение ремня привода генератора. Ссылаться
к разделу "Проверить приводной ремень" для проверки ремня
напряжение.
|
|
в.
|
Отсоедините отрицательную (-) клемму аккумуляторной батареи.
|
|
д.
|
Установите амперметр клещевого типа между положительным
(+) и клемма «В» генератора.
|
|
е.
|
Подключите амперметр постоянного тока (от 0 до 150 А) последовательно между
Клемма «В» и отсоединенный выходной провод. Будь уверен
подключите (-) подводящий провод амперметра к отключенному
выходной провод.
|
Надежно затяните каждое соединение, так как
ток пойдет. Не полагайтесь на клипсы.
|
|
|
ф.
|
Подключите вольтметр (от 0 до 20 В) между клеммой «В».
и земля. Подсоедините провод (+) к генератору.
Клемма «В» и провод (-) должны быть заземлены.
|
|
г.
|
Подсоедините отрицательную (-) клемму аккумуляторной батареи.
|
|
час
|
Оставьте капот двигателя открытым.
|
|
|
(2)
|
Тест
|
а.
|
Убедитесь, что вольтметр показывает одинаковое значение
как напряжение аккумулятора. Если вольтметр показывает 0 В, откройте
замыкание в проводе между клеммой "В" генератора и
клемма аккумулятора (+) или плохое заземление.
|
|
б.
|
Запустите двигатель и включите фары.
|
|
в.
|
Установите фары на дальний свет и вентилятор отопителя.
переключитесь на HIGH, быстро увеличьте обороты двигателя до 2500
об/мин и считайте указанное максимальное значение выходного тока
по амперметру.
|
•
|
После запуска двигателя зарядка
ток быстро падает. Следовательно, вышеизложенное
операция должна быть выполнена быстро, чтобы прочитать
максимальное текущее значение правильно.
|
|
|
|
|
(3)
|
Результат
|
а.
|
Показания амперметра должны быть выше предельного значения.
Если он ниже, несмотря на то, что выходной провод генератора находится в
хорошем состоянии, снимите генератор с автомобиля и
Попробуй это.
|
Предельное значение: 60% от нормы напряжения
|
|
• Номинальное значение выходного тока отображается на
заводская табличка на корпусе генератора.
|
|
•
|
Значение выходного тока изменяется с
электрическая нагрузка и температура
самого генератора. Следовательно
номинальный выходной ток не может быть получен.
Если это так, держите фары
чтобы разрядить аккумулятор или использовать свет
других транспортных средств для увеличения электрического
нагрузка.
Номинальный выходной ток не может быть
получается, если температура генератора
сама или температура окружающей среды слишком высока.
В таком случае уменьшите температуру перед
снова тестирование.
|
|
|
|
б.
|
После завершения проверки выходного тока уменьшите
скорость двигателя до холостого хода и выключить зажигание
|
|
в.
|
Отсоедините отрицательную (-) клемму аккумуляторной батареи.
|
|
д.
|
Снимите амперметр, вольтметр и тахометр двигателя.
|
|
е.
|
Подсоедините выходной провод генератора к генератору.
Терминал «Б».
|
|
ф.
|
Подсоедините отрицательную (-) клемму аккумуляторной батареи.
|
|
|
|
3.
|
Испытание регулируемым напряжением
Целью этого теста является проверка того, что электронный регулятор напряжения
корректно регулирует напряжение.
|
(1)
|
Подготовка
|
а.
|
Перед испытанием проверьте следующие пункты и исправьте
если необходимо.
Убедитесь, что аккумуляторная батарея, установленная на автомобиле, полностью
заряжен. Обратитесь к разделу «Аккумулятор» для проверки
батарея.
Проверьте натяжение ремня привода генератора. Обратитесь к
Раздел «Проверить приводной ремень» для проверки натяжения ремня.
|
|
б.
|
Поверните ключ зажигания в положение «ВЫКЛ».
|
|
в.
|
Отсоедините отрицательную (-) клемму аккумуляторной батареи.
|
|
д.
|
Подсоедините цифровой вольтметр к клемме «В».
генератора и массы. Подсоедините провод (+)
вольтметр к клемме «В» генератора. Соединять
провод (-) к хорошему заземлению или клемме аккумулятора (-).
|
|
е.
|
Отсоедините выходной провод генератора от генератора.
Терминал «Б».
|
|
ф.
|
Подключите амперметр постоянного тока (от 0 до 150 А) последовательно между
Клемма «В» и отсоединенный выходной провод. Подключите
(-) подводящий провод амперметра к отключенному выходу
проволока.
|
|
г.
|
Подсоедините отрицательную (-) клемму аккумуляторной батареи.
|
|
|
(2)
|
Тест
|
а.
|
Включите зажигание и убедитесь, что
вольтметр показывает следующее значение.
|
Напряжение: напряжение батареи
|
Если он показывает 0 В, в проводе есть обрыв.
между клеммой "В" генератора и аккумуляторной батареей и
клемму аккумулятора (-).
|
|
б.
|
Запустить двигатель. Выключите все осветительные приборы и аксессуары.
|
|
в.
|
Запустите двигатель на скорости около 2500 об/мин и прочтите
вольтметр, когда выходной ток генератора падает до
10А или менее
|
|
|
(3)
|
Результат
|
а.
|
Если показания вольтметра не соответствуют норме
значение, регулятор напряжения или генератор неисправен.
|
Регулируемое напряжение: 11,7–15,3 В
|
|
|
б.
|
Если показания вольтметра не соответствуют норме
значение, регулятор напряжения или генератор неисправен.
|
|
в.
|
Отсоедините отрицательную (-) клемму аккумуляторной батареи.
|
|
д.
|
Снимите вольтметр и амперметр.
|
|
е.
|
Подсоедините выходной провод генератора к генератору.
Терминал «Б».
|
|
ф.
|
Подсоедините отрицательную (-) клемму аккумуляторной батареи.
|
|
|
Паразитный ток автомобиля
осмотр
[Использование амперметра]
|
1.
|
Выключите все электрические устройства, а затем включите зажигание.
ВЫКЛЮЧЕННЫЙ.
|
|
2.
|
Закройте все двери, кроме капота двигателя, а затем заприте все двери.
|
(1)
|
Отсоедините разъем выключателя капота.
|
|
(2)
|
Закройте крышку багажника.
|
|
(3)
|
Закройте двери или снимите дверные выключатели.
|
|
|
3.
|
Подождите несколько минут, пока электрические системы автомобиля не перейдут в спящий режим.
режим.
|
•
|
Для точного измерения паразитного тока автомобиля
все электрические системы должны перейти в спящий режим. (Занимает
не менее одного часа или не более одного дня.) Однако приблизительная
Паразитный ток автомобиля можно измерить через 10-20 минут.
|
|
|
|
4.
|
Подключите амперметр последовательно между клеммой аккумулятора (-) и
кабель заземления, а затем отсоедините зажим от клеммы аккумулятора (-).
медленно.
|
•
|
Будьте осторожны, чтобы подводящие провода амперметра не
от клеммы аккумулятора (-) и кабеля заземления к
предотвратить сброс батареи. В случае, если батарея
сброс, снова подсоедините кабель аккумулятора и запустите
двигатель или включите зажигание более чем на
10 сек. Повторите процедуру с №1.
Для предотвращения сброса батареи во время проверки:
|
|
1)
|
Соедините соединительным кабелем клемму аккумулятора (-).
и заземляющий кабель.
|
|
2)
|
Отсоедините кабель заземления от клеммы (-) аккумуляторной батареи.
|
|
3)
|
Подключите амперметр между клеммой аккумулятора (-) и
заземляющий кабель.
|
|
4)
|
После отсоединения соединительного кабеля считайте текущий
номинал амперметра.
|
|
|
|
5.
|
Считайте текущее значение амперметра.
|
•
|
Если паразитный ток превышает предельное значение, выполните поиск
ненормальную цепь, удалив предохранители один за другим и проверив
паразитный ток.
|
|
•
|
Подсоедините только предохранитель, подозреваемый в паразитном токе, и выполните поиск.
неисправного блока, удалив компоненты, подключенные к
замыкать один за другим до тех пор, пока паразитная тяга не упадет ниже предельного значения.
|
|
Предельное значение (через 10–20 мин.): ниже 50 мА.
|
|
[Использование амперметра клещевого типа]
|
1.
|
Выключите все электрические устройства, а затем включите зажигание.
ВЫКЛЮЧЕННЫЙ.
|
|
2.
|
Закройте все двери, кроме капота двигателя, а затем заприте все двери.
|
(1)
|
Отсоедините разъем выключателя капота.
|
|
(2)
|
Закройте крышку багажника.
|
|
(3)
|
Закройте двери или снимите дверные выключатели.
|
|
|
3.
|
Подождите несколько минут, пока электрические системы автомобиля не перейдут в спящий режим.
режим.
|
•
|
Для точного измерения паразитного тока автомобиля
все электрические системы должны перейти в спящий режим. (Занимает
не менее одного часа или не более одного дня.) Однако приблизительная
Паразитный ток автомобиля можно измерить через 10–20
минут.
|
|
|
|
4.
|
Установите амперметр клещевого типа на отрицательную (-) клемму аккумуляторной батареи.
|
|
5.
|
Считайте текущее значение амперметра.
|
•
|
Если паразитный ток превышает предельное значение, выполните поиск
ненормальную цепь, удалив предохранители один за другим и проверив
паразитный ток.
|
|
•
|
Подсоедините только предохранитель, подозреваемый в паразитном токе, и выполните поиск.
неисправного блока, удалив компоненты, подключенные к
замыкать один за другим до тех пор, пока паразитная тяга не упадет ниже предельного значения.
|
|
Предельное значение (через 10–20 мин.): ниже 50 мА.
|
|
Поиск неисправностей
Симптом
|
Подозрительная зона
|
Средство
|
Индикатор предупреждения о зарядке не
свет с выключателем зажигания "ON" и
двигатель выключен.
|
Перегорел предохранитель
|
Проверьте предохранители
|
Свет перегорел
|
Заменить свет
|
Ослаблено соединение проводки
|
Затянуть ослабленное соединение
|
Электронный регулятор напряжения
|
Если индикатор гаснет, замените регулятор напряжения.
|
Индикатор предупреждения о зарядке не
выйти при работающем двигателе. (Батарея
требует частой подзарядки)
|
Приводной ремень ослаблен или изношен
|
Отрегулируйте натяжение ремня или замените ремень
|
Кабель аккумулятора ослаблен, корродирован или изношен
|
Осмотрите кабельное соединение, отремонтируйте или замените кабель
|
Электронный регулятор напряжения или генератор
|
Если индикатор гаснет, замените регулятор напряжения или генератор.
|
Электропроводка
|
Ремонт или замена проводки
|
Перезарядка
|
Электронный регулятор напряжения
|
Если индикатор гаснет, замените регулятор напряжения.
|
Провод датчика напряжения
|
Ремонт или замена проводки
|
Увольнять
|
Приводной ремень ослаблен или изношен
|
Отрегулируйте натяжение ремня или замените ремень
|
Ослабление соединения проводки или короткое замыкание
|
Проверьте соединение проводки, отремонтируйте или замените проводку
|
Электронный регулятор напряжения или генератор
|
Если индикатор гаснет, замените регулятор напряжения или генератор.
|
Плохое заземление
|
Осмотрите землю или отремонтируйте
|
Изношенный аккумулятор
|
Заменить батарею
|
Технические характеристики
Спецификация
Система зажигания
Катушка зажигания
Элемент
Спецификация
Номинальное напряжение (В)
12
...
Технические характеристики
Спецификация
▷ 13,5 В, 90 А
Элемент
Спецификация
Номинальное напряжение
13,5 В, 90 А
Скорость в использовании
...
Дополнительная информация:
Компоненты и расположение компонентов
Компоненты
Процедуры ремонта
Удаление
1.
Отсоедините отрицательную (-) клемму аккумуляторной батареи.
2.
Снимите нижнюю панель аварийной подушки.
(См. Кузов — «Нижняя панель аварийной площадки»)
...
Спинки задних сидений можно сложить, чтобы облегчить перевозку длинномерных предметов или увеличить
вместимость багажника автомобиля.
ПРЕДУПРЕЖДЕНИЕ - Сложенная спинка сиденья
Никогда не позволяйте пассажирам сидеть на сложенной спинке сиденья, когда
транспортное средство движется. Это не правильная посадка и отсутствие ремней безопасности...